Hi,
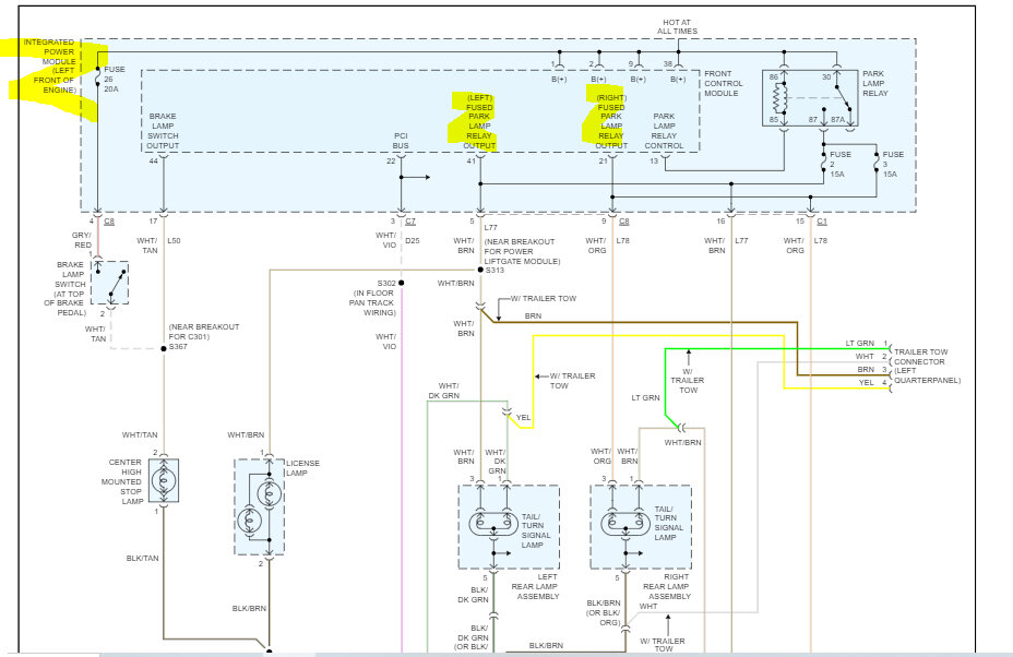
The mechanic said it was some sort of circuit board or computer board, or something. He replaced the parts and the taillights worked for a while but have failed again. I called the mechanic who doesn’t remember, can’t or won’t try to recall the part he replaced, wants me to wait two weeks for him to look at it, then order the parts and then repair a further 2-3 weeks later.
I just would like to know the name of the part so I can describe the problem to a new mechanic and ask him to order the parts as soon as possible. Also is this a known problem that this part fails so readily.
I really appreciate any help you can give me. I can’t afford a new car and have to keep my van on the road.
Thanks ahead of time,
Carol
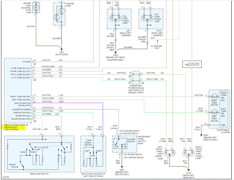
The mechanic said it was some sort of circuit board or computer board, or something. He replaced the parts and the taillights worked for a while but have failed again. I called the mechanic who doesn’t remember, can’t or won’t try to recall the part he replaced, wants me to wait two weeks for him to look at it, then order the parts and then repair a further 2-3 weeks later.
I just would like to know the name of the part so I can describe the problem to a new mechanic and ask him to order the parts as soon as possible. Also is this a known problem that this part fails so readily.
I really appreciate any help you can give me. I can’t afford a new car and have to keep my van on the road.
Thanks ahead of time,
Carol
Mar 1, 2023 at 6:21 PM

