Exterior lights not working

1999 FORD WINDSTAR
140,000 MILES • 3.8L • 6 CYL • 2WD • AUTOMATIC
Avatar
CESAR RAMIREZ
  • MEMBER
  • 1 POST
No taillight, no signal light, no park light, no brake light. please help
Sep 27, 2019 at 11:03 AM
Advertisement
Avatar
STRAILER
  • CERTIFIED EXPERT
  • 53,854 POSTS
Hello,

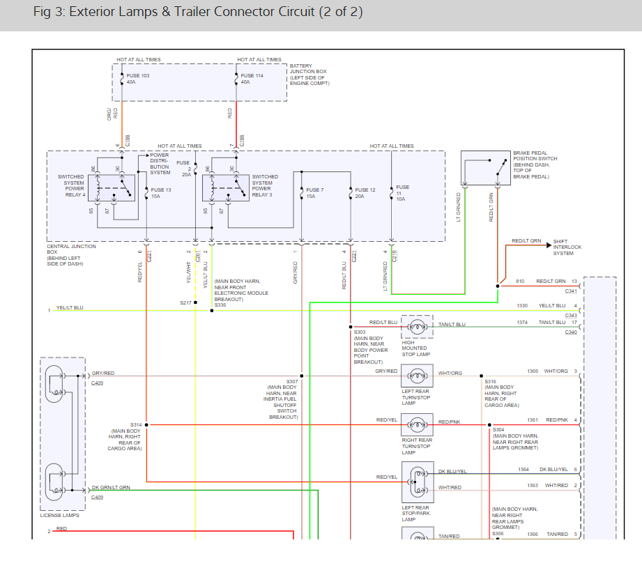
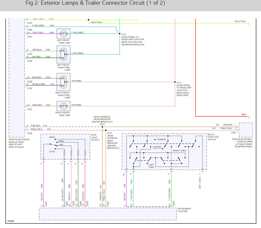
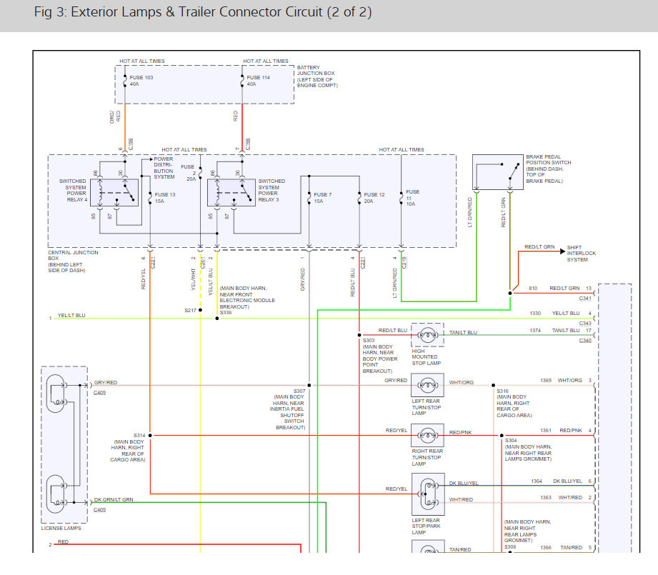
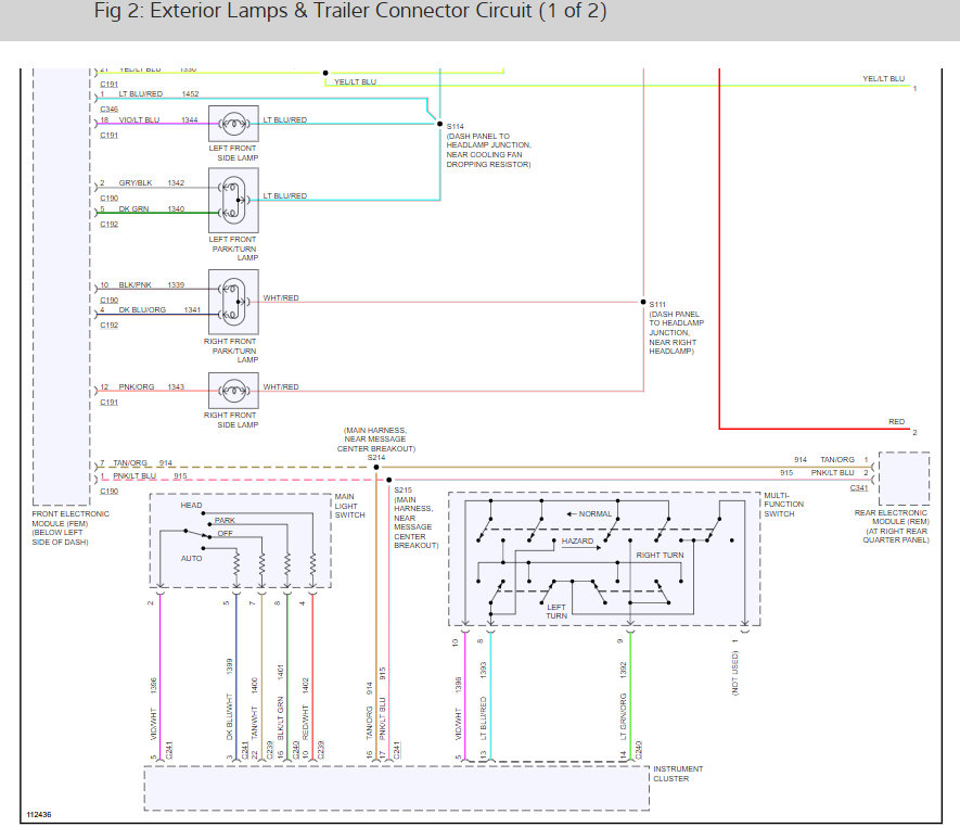
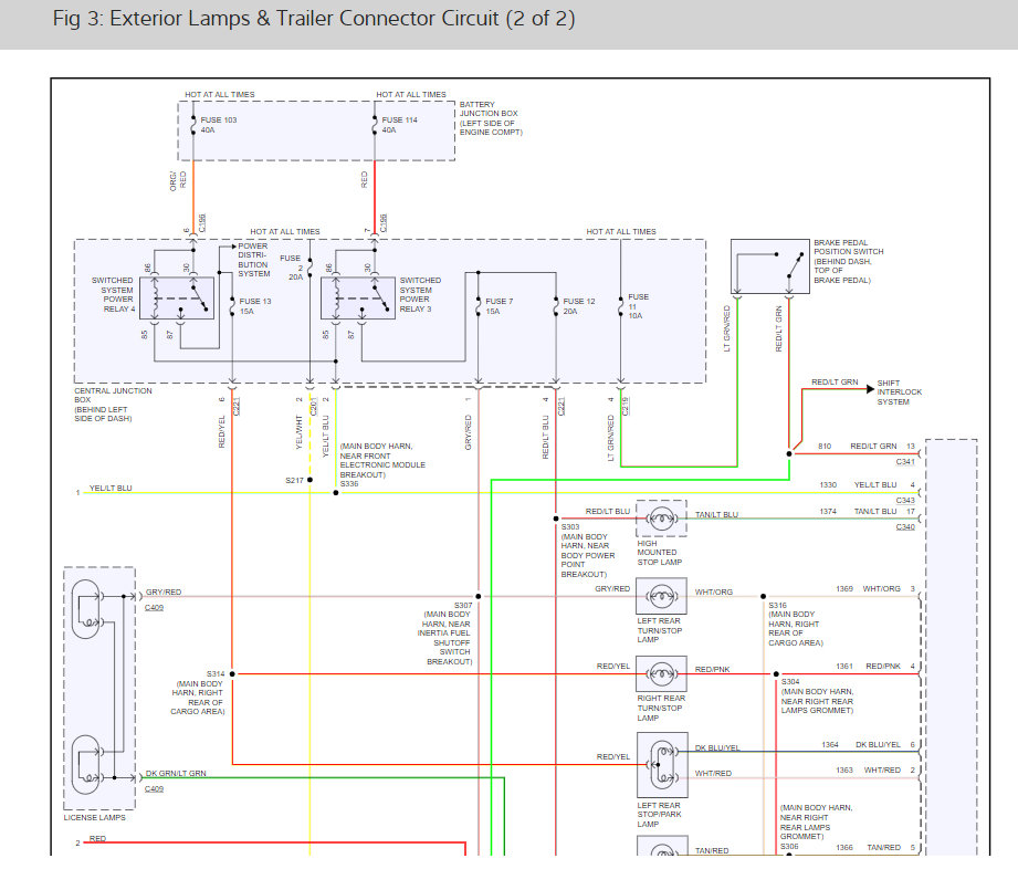
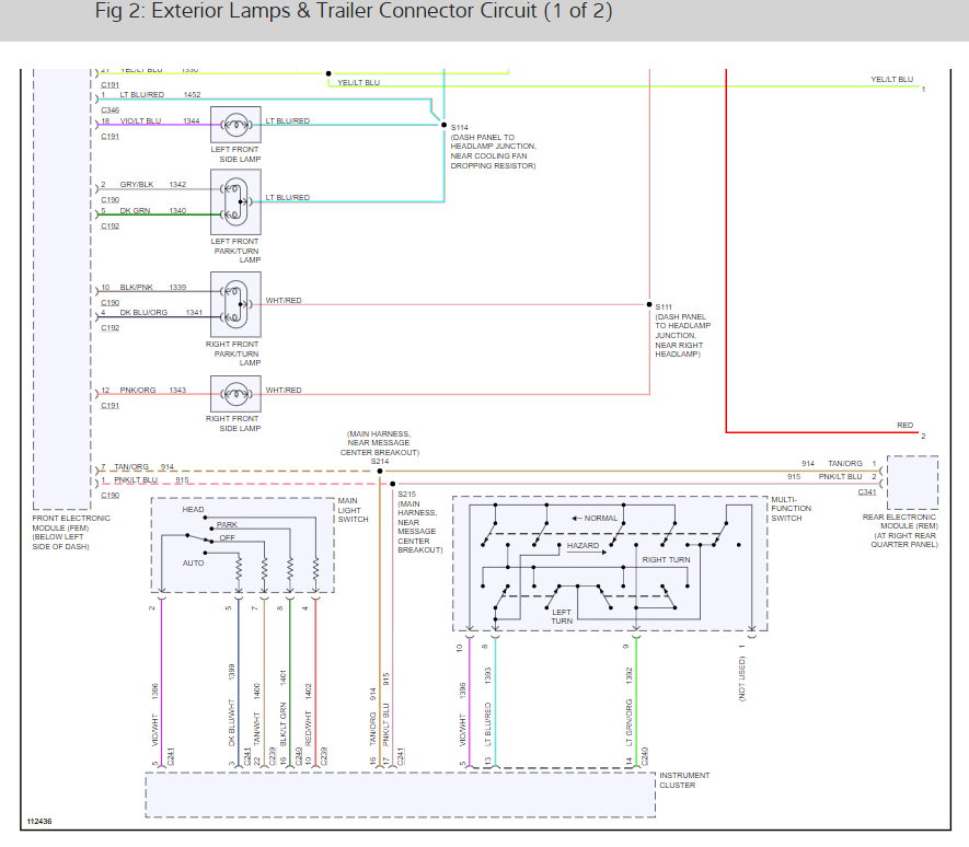
There are 2 fuses and 2 relays that run the system that need to be checked. here are two guides and the fuse and relay locations as well as the blinker and running light wiring diagrams so you can see which fuses and relays to test in the diagrams below:

https://www.2carpros.com/articles/how-to-check-a-car-fuse

and

https://www.2carpros.com/articles/how-to-check-an-electrical-relay-and-wiring-control-circuit

Check out the diagrams (below). Please let us know what you find. We are interested to see what it is.

Sep 29, 2019 at 11:13 AM