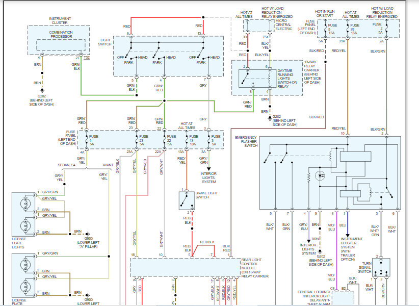
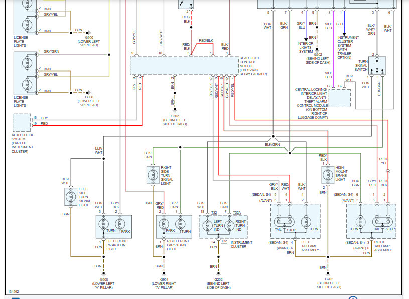
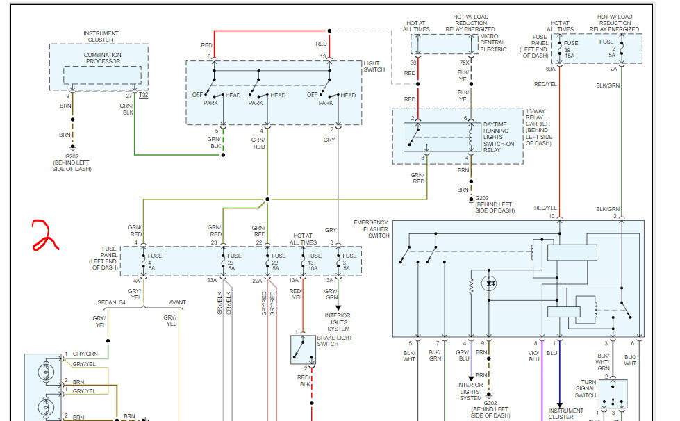
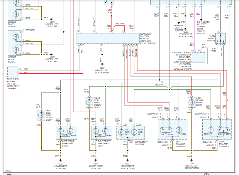
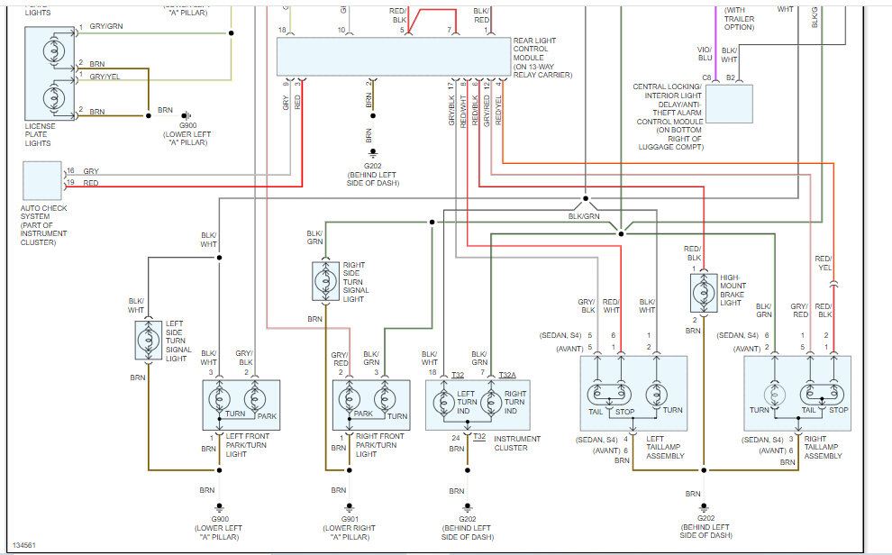
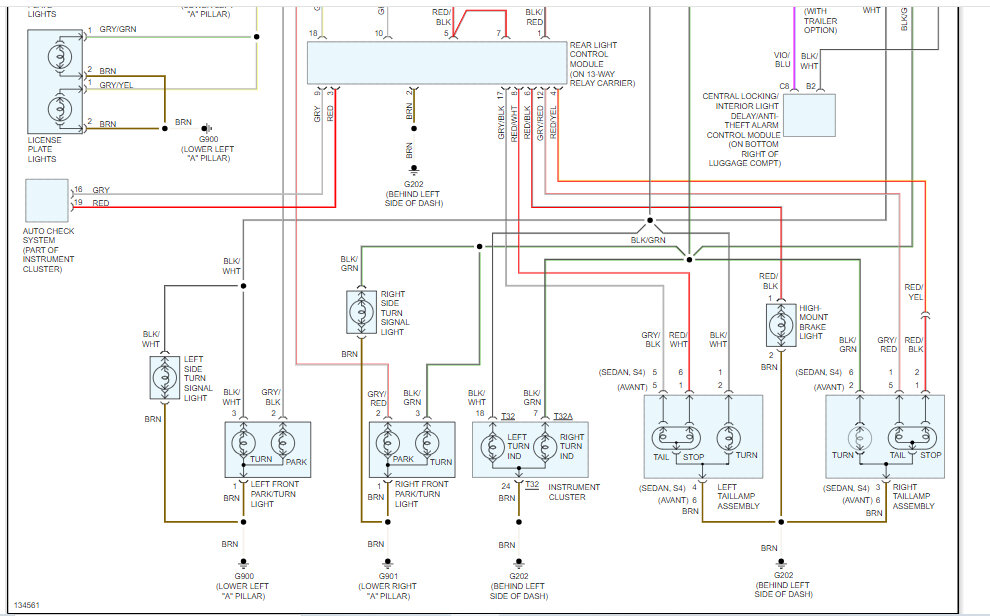
Okay, so my passenger rear taillight doesn't work brake light works. I get voltage to all my wires except for one wire. so, I was just curious what the wiring diagram/pin out is for my taillights, brake lights, blinkers, reverse lights, etc etc. thank you
Dec 12, 2023 at 6:10 PM






