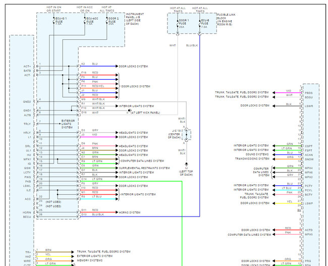
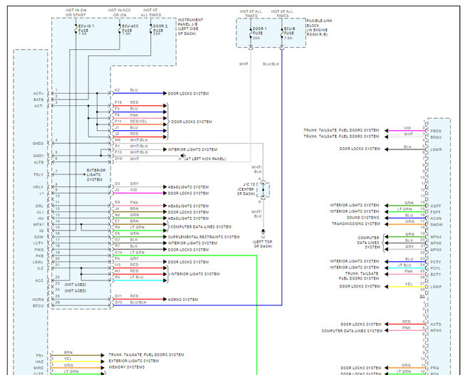
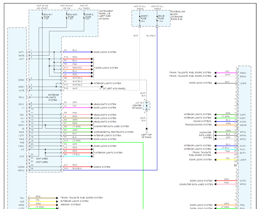
I noticed that the tail gate won't open using the remote, the button under the steering, and even from the button on top of the license plate. I can open it manually from inside by removing the cover and unlatching the lock. Initially the gate would close by power from the button on the gate when its open, I press it and I hear the beeps and it closes fine. I removed the latch to see if anything is broken or any wires are cut, none. Then Tried the button on the gate to close it and now it won't close. Checked fuse 30amp under the hood and it is fine. I noticed also that master window switch the driver side window works but not the other 3, the lock/unlock also does not work. Since the battery was dead, I tried to reinitiate the windows but did not work. But you can still open the windows from each individual switch. I am thinking the master switch maybe bad, and since the lock unlock must be unlocked for the gate to open maybe that is why it is not working at all...am just baffled.
Also, the AC head unit is not responsive, none of the buttons work or light up. This maybe a different issue, but I ordered another head unit for that. When all these codes deleted the last 2 remain, but they all come back again after i start it. Also if you can find for me where the door system communication bus or module is located, I want to disconnect it and see if the rest of the stuff work. The issues all started with the HVAC head unit just blinking whenever I hit the buttons, but nothing worked. Then it died completely, so am thinking one of them is fried and the circuit is shorted somewhere.
Also, the AC head unit is not responsive, none of the buttons work or light up. This maybe a different issue, but I ordered another head unit for that. When all these codes deleted the last 2 remain, but they all come back again after i start it. Also if you can find for me where the door system communication bus or module is located, I want to disconnect it and see if the rest of the stuff work. The issues all started with the HVAC head unit just blinking whenever I hit the buttons, but nothing worked. Then it died completely, so am thinking one of them is fried and the circuit is shorted somewhere.
Aug 17, 2024 at 7:11 AM














