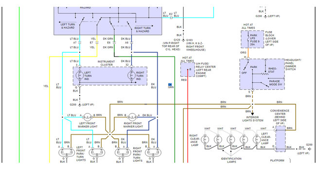
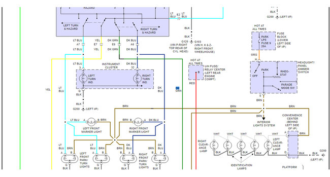
Tail/brake lights

1995 GMC TRUCK
180,000 MILES • 5.7L • V8 • 4WD • MANUAL
Avatar
BRANDON MATTHEW DAUFELT
  • MEMBER
  • 5 POSTS
Can someone please tell me what this is and where to get one?
Mar 9, 2019 at 7:47 AM
Advertisement
Avatar
SCGRANTURISMO
  • CERTIFIED EXPERT
  • 4,897 POSTS
Hello,

This is a three way connector or a splice. You should be able to get one either at the parts house or the dealership. I have included for you a list of all your vehicles connectors and splices, since I have no idea where that one is located on your vehicle for you in the diagrams down below. Match it up and let us know what you find out.

Thanks,
Alex
2CarPros
Mar 9, 2019 at 4:10 PM
Avatar
BRANDON MATTHEW DAUFELT
  • MEMBER
  • 5 POSTS
It is definitely one of the trailer wiring connections. It was old and cracked and upon checking across for continuity, one of the four pairs was bad. I tried to connect all of the three wire connections separately. This proved to be a newbie mistake as suddenly many different problems sprang up. License plate lights blinking instead of turn signals. Blowing the number one fuse for stop lamps, etc. i ended up tearing out the added wiring by the previous owner. I then tried cutting out the trailer wiring altogether, still having problems. So, I would like to check for a ground short, but I'd like to have the block diagram.
Mar 10, 2019 at 8:05 AM
Advertisement
Avatar
SCGRANTURISMO
  • CERTIFIED EXPERT
  • 4,897 POSTS
Hello again,

I have included for you in the diagrams down below the wiring diagrams for the exterior lights. We also have Power Distribution and Ground Distribution wiring diagrams for you as well if you need them. Let us know what you find out.

Thanks,
Alex
2CarPros
Mar 10, 2019 at 2:23 PM