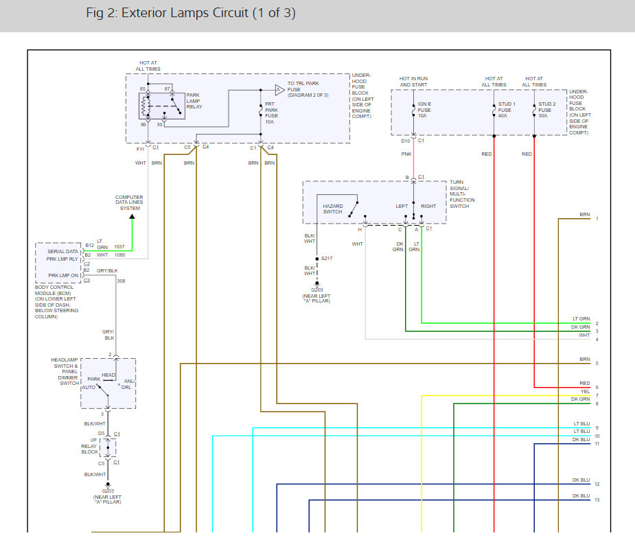
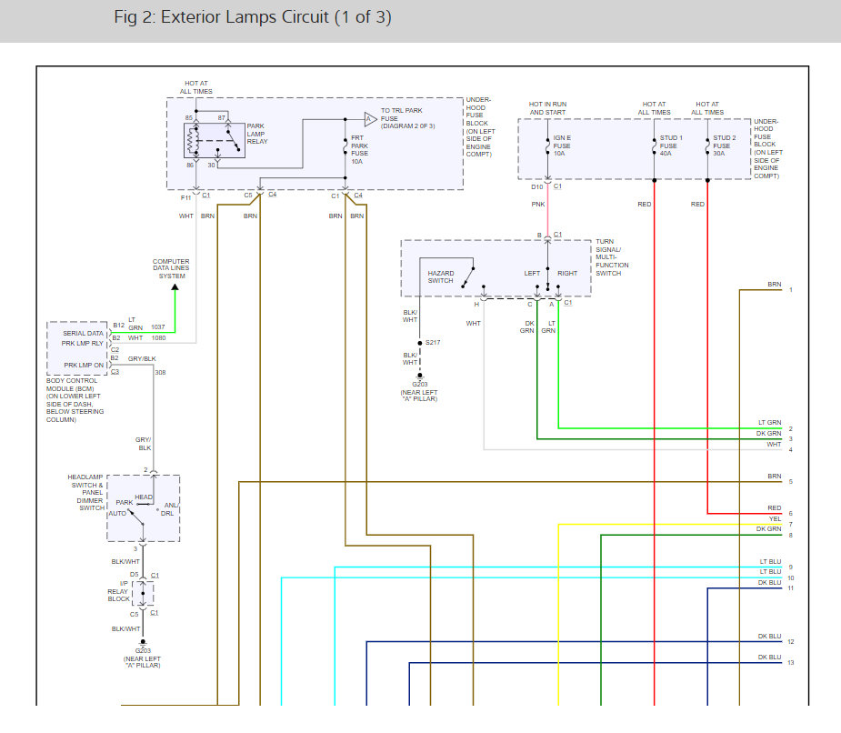
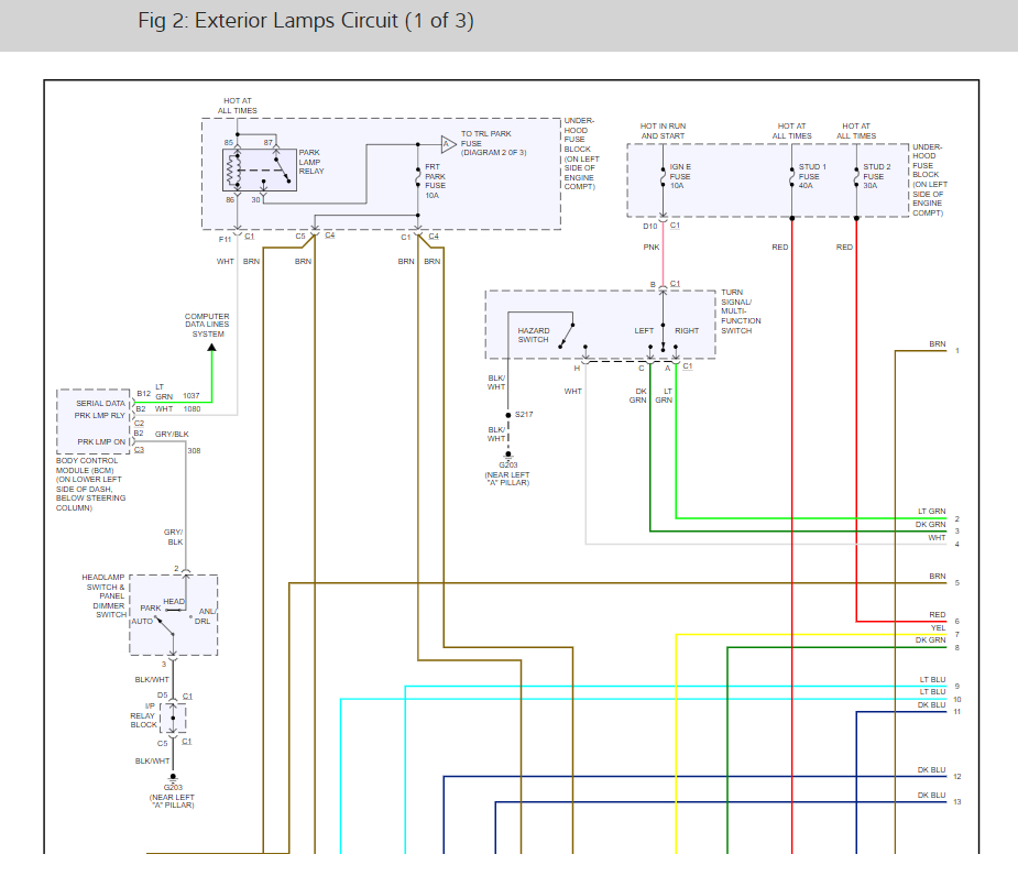
It started with passenger back window rolling down on its own. so I got it back up and unplugged motor. now parking lights are stuck on and rig won't stay running maybe 1-2 seconds. Also there is a handful of fuses without power under hood. Any idea where to start?
Jan 20, 2020 at 5:52 PM











