Tail Lights not working

2014 GMC SIERRA
55,355 MILES • 5.3L • V8 • 4WD • AUTOMATIC
Avatar
JEFFJ
  • MEMBER
  • 36 POSTS
One tail light went out, few months later the other went out.
Finally got around to replace both bulbs ( W5W with 2875 ).

Still no lights working. Checked all fuses, none blown.

Please help
Jun 5, 2016 at 6:33 PM
Advertisement
Avatar
SATURNTECH9
  • CERTIFIED EXPERT
  • 30,869 POSTS
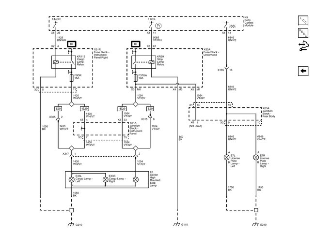
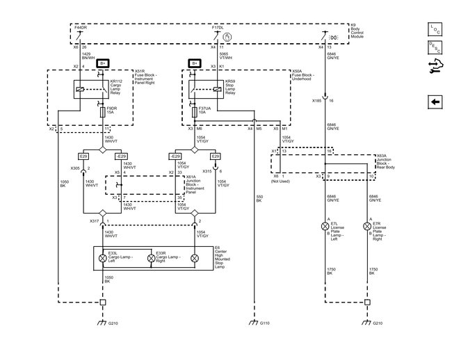
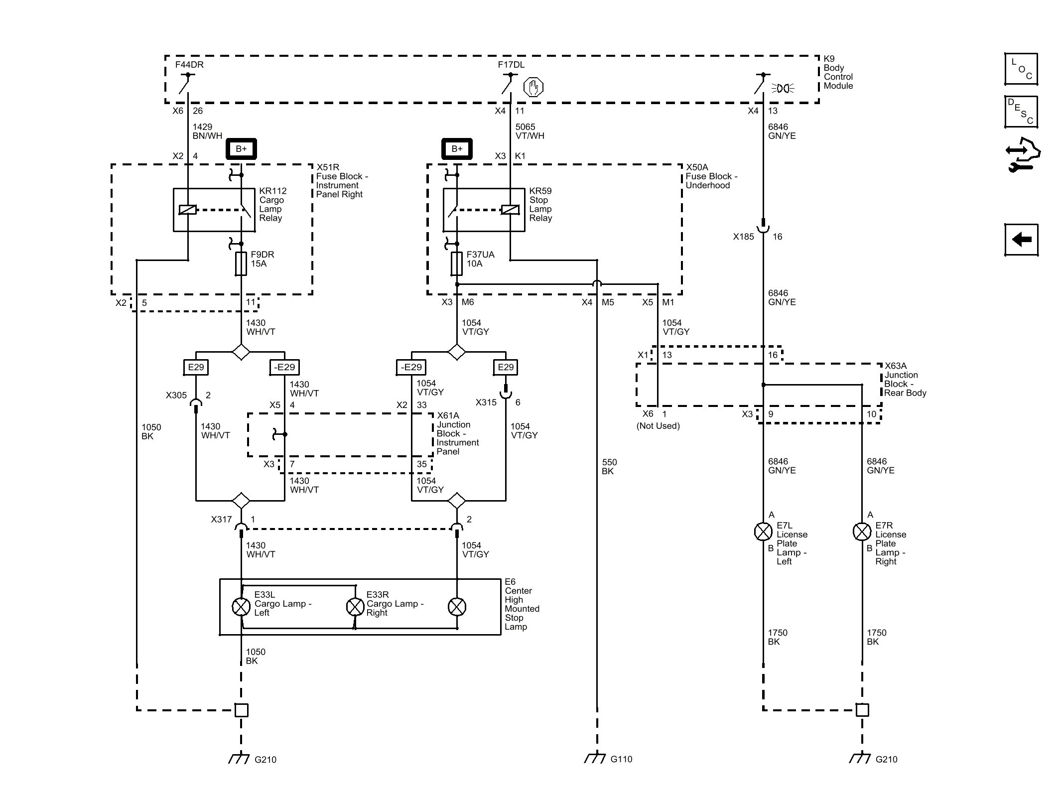
Have you checked to see if your missing the power side or the ground side?
Jun 5, 2016 at 10:17 PM
Avatar
JEFFJ
  • MEMBER
  • 36 POSTS
When I can answer that, I will have problem fixed.
The two separate bulb harnesses are wrapped nicely in looms.
Where is their power and ground source? Then I will be able to resolve the issue.
Do you have access to a schematic? That will allow me to trace down to the point of your reply.
Thank you for the reply.
Jun 6, 2016 at 1:50 AM
Advertisement
Avatar
MHPAUTOS
  • CERTIFIED EXPERT
  • 31,937 POSTS
You can check for power and earth at the globe socket, start there.
Jun 6, 2016 at 1:56 AM
Avatar
SATURNTECH9
  • CERTIFIED EXPERT
  • 30,869 POSTS
There you go.
Jun 6, 2016 at 12:58 PM