Tachometer, speedometer, and other gauges not working?

2004 PONTIAC GTO
68,144 MILES • 5.7L • V8 • 2WD • AUTOMATIC
Avatar
  • MEMBER
  • 2 POSTS
Gauges are always not working.
Apr 11, 2024 at 9:44 PM
Advertisement
Avatar
STRAILER
  • CERTIFIED EXPERT
  • 53,854 POSTS
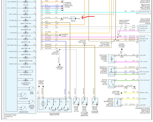
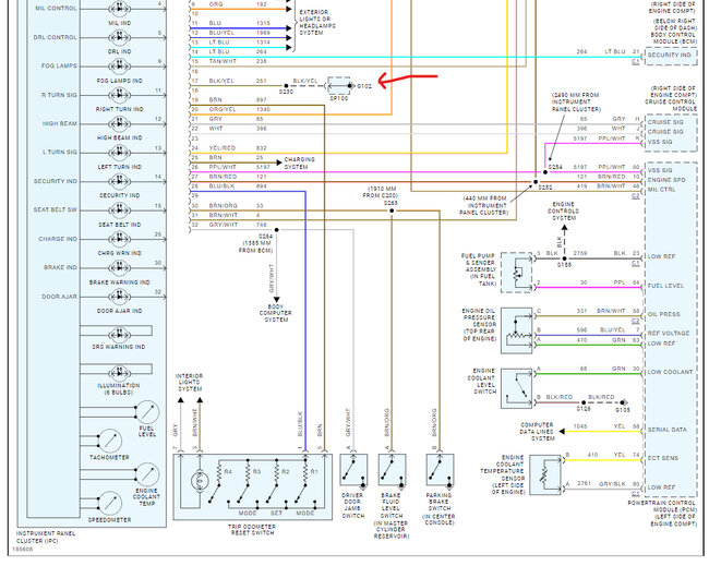
This can be one of three things either the fuses are out, the ground is no good, or the cluster itself went bad which is common. Here is a guide to check the fuses and ground which I have included in the images below:

https://www.2carpros.com/articles/how-to-use-a-test-light-circuit-tester

Here is how to change the cluster out, you can get a rebuilt unit by searching Google or eBay. Check out the images (below). Let us know how it goes.


Apr 12, 2024 at 6:06 PM
Avatar
  • MEMBER
  • 2 POSTS
Thanks for the prompt response. I will look into this tomorrow.
Apr 12, 2024 at 8:38 PM
Advertisement
Avatar
STRAILER
  • CERTIFIED EXPERT
  • 53,854 POSTS
Sounds good, have a nice weekend.
Apr 13, 2024 at 11:50 AM