☰
Login
Join
×
Home
Answered Questions
Repair Topics
Repair & Service Guides
Popular Questions
Warning Lights
Trouble Codes
How It Works
Testing / Diagnostics
Symptoms
Videos
Login
Become a Member
Home
Buick
Lesabre
Body
Window
Wiring
Switch for windows wiring diagram needed
1998 BUICK LESABRE
10,000 MILES
DEBBIESALAS
MEMBER
1 POST
FOLLOW
Need to see the wiring diagram for my driver side window switch.
Jul 20, 2017 at 7:22 AM
Advertisement
KASEKENNY
CERTIFIED EXPERT
18,907 POSTS
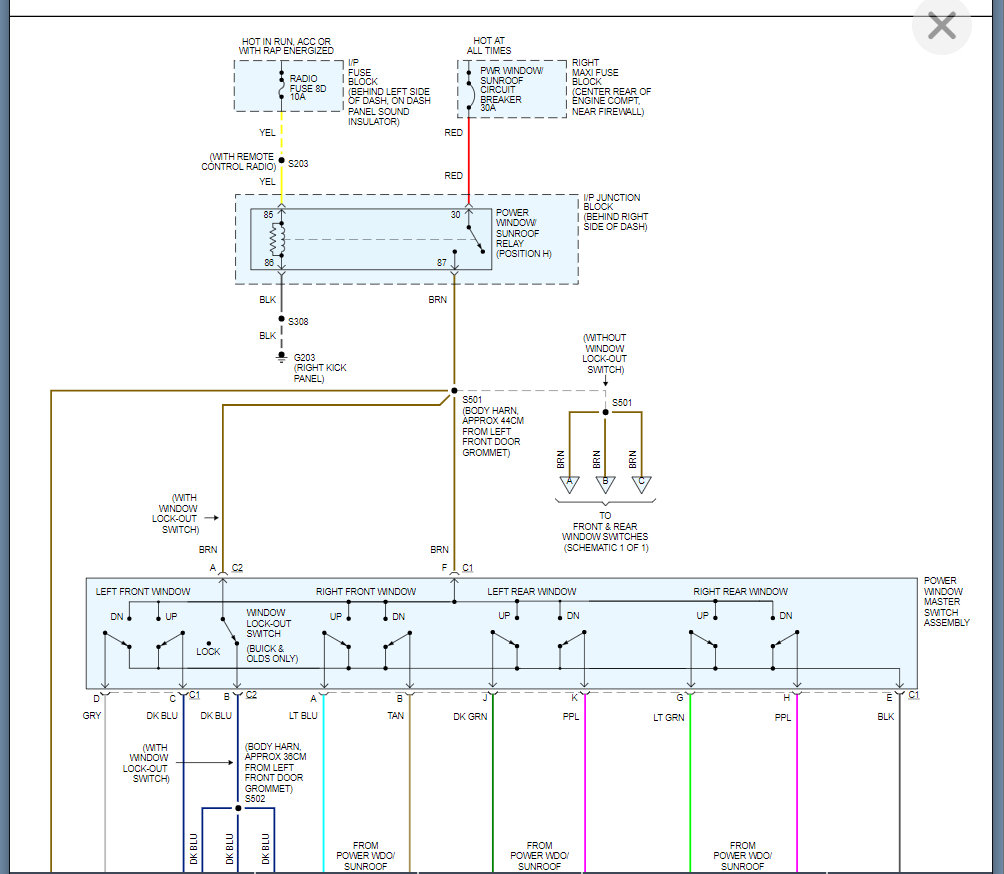
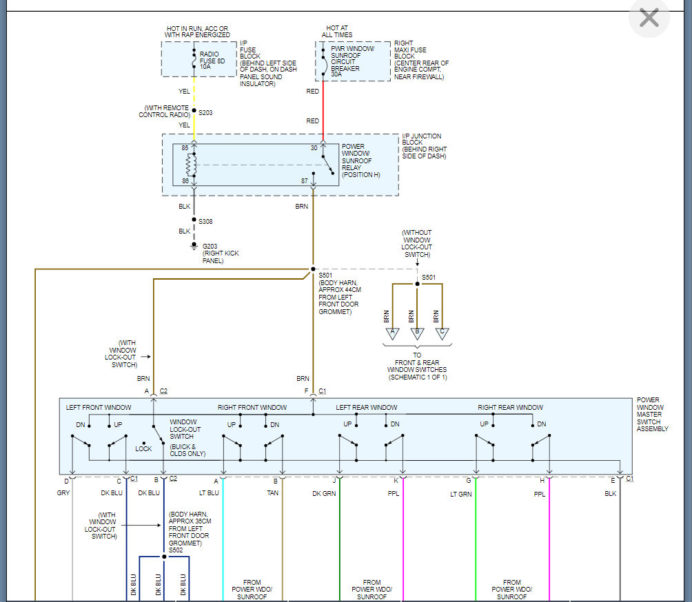
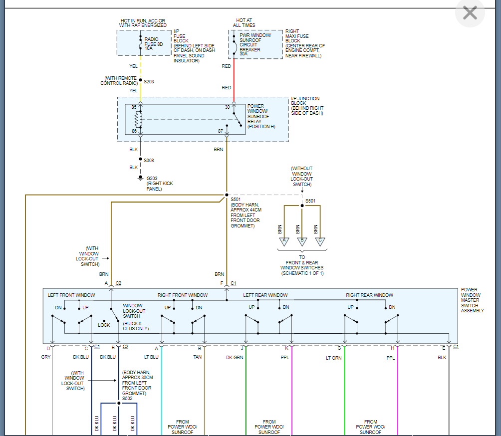
I am attaching the wiring diagram as requested.
Here is a guide that will help with testing these circuits:
https://www.2carpros.com/articles/how-to-check-wiring
https://www.2carpros.com/articles/how-to-use-a-voltmeter
Also, here are a couple guides that will help with testing and replacing the switch.
https://youtu.be/HBFBcJrdym4
https://www.2carpros.com/articles/electric-window-repair
Please see the wiring diagrams below. Let us know what questions you have.
Thanks
Images (Click to enlarge)
Aug 16, 2021 at 7:27 PM