Switch for on/off high/low heater is broken

1992 DODGE SHADOW
199,999 MILES • 6 CYL • 2WD • MANUAL
Avatar
JONATHAN MOORE
  • MEMBER
  • 4 POSTS
When I bought car It had toggle switch to work heater. The switch burnt up and I have to replace. Now I do not know where to hook wire on back of heater or how to get to the back of heater to see wires.
Dec 31, 2017 at 1:56 PM
Advertisement
Avatar
PATENTED_REPAIR_PRO
  • CERTIFIED EXPERT
  • 1,853 POSTS
Make sure if you are not running the power from a fuse that you at least put an inline fuse in the wire to the toggle.
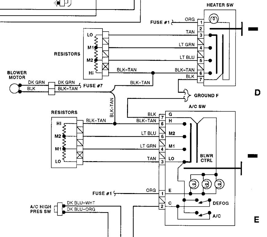
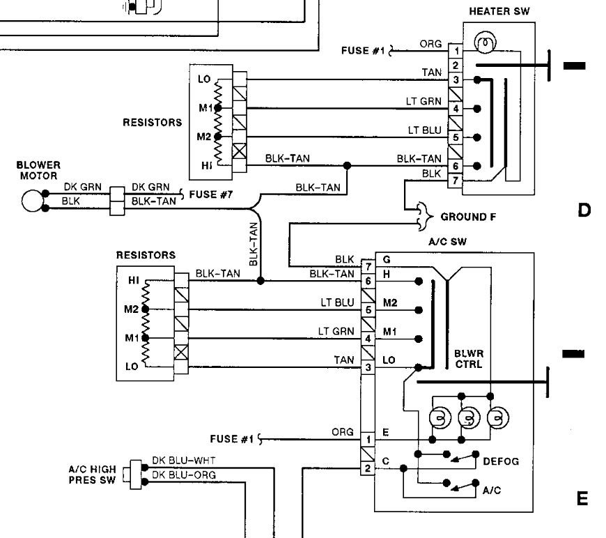
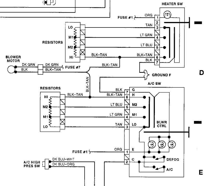
Here is the heater switch wiring diagram,
Dec 31, 2017 at 3:15 PM