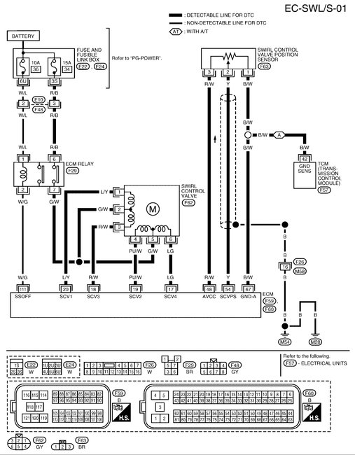
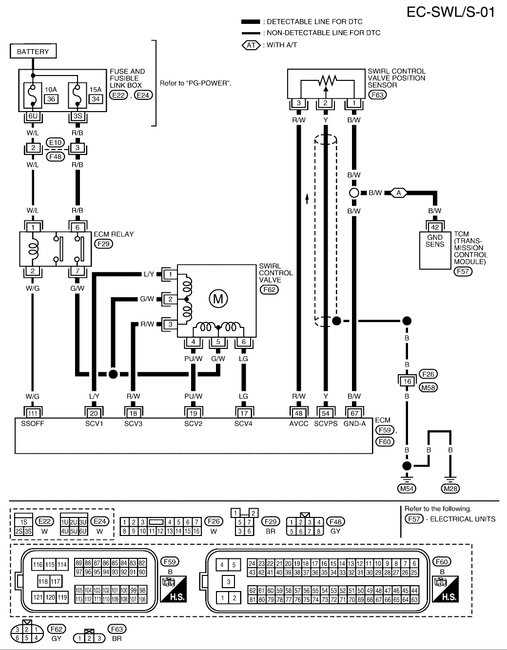
Wondering what to do to fix this issue? At a loss. Replace thermostat, fuel pump, coolant temperature sensor, catalytic converter. Everything seems to be working properly. as far as the solenoid the actuator the valve cannot get this code to go away or what else to do for this car. I know swirl valve do not go bad very often and AutoZone does not seem to know what I am talking about when I asked for one of them. please help need to pass emissions.
Oct 9, 2017 at 7:59 PM


