Swapping engine Motor seized up will not turn over?

2005 HYUNDAI ELANTRA
170,000 MILES • 2.0L • 4 CYL • 2WD • AUTOMATIC
Avatar
TRAVISRUTH9
  • MEMBER
  • 3 POSTS
The car caught fire a couple years ago and since I've replaced the entire wire harness and various other parts. Got power to the motor finally but after sitting for a while. Motor seized up. Won't turn over. I purchased a motor to put in it. Another 2.0 . Now my question is should I purchase the PCU that matches the motor I bought? The one that's in the car originally is throwing a p0885 code.
Sep 16, 2024 at 3:06 PM
Advertisement
Avatar
STRAILER
  • CERTIFIED EXPERT
  • 53,855 POSTS
Nope, you don't need the PCM for the new engine, just make sure to transfer over all sensors and brackets that are needed for the installation. The P0885 code for a 2005 Hyundai Elantra refers to a TCM Power Relay Control Circuit Open so I would check the TCM fuses and grounds. Here is a guide to help you and the TCM location so you can swap it out if the power and grounds are good.

https://www.2carpros.com/articles/how-to-use-a-test-light-circuit-tester

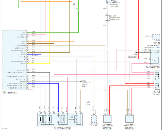
Here are the TCM wiring diagrams so you can see which fuses to check and the ground circuits as well. Check out the images (below). Please let us know what happens.
Sep 16, 2024 at 5:58 PM
Avatar
TRAVISRUTH9
  • MEMBER
  • 3 POSTS
Will the car start with that code showing?
Sep 18, 2024 at 10:03 AM
Advertisement
Avatar
TRAVISRUTH9
  • MEMBER
  • 3 POSTS
because right now after everything I've done. I just want to hear it run. Doesn't have to move, just run.
Sep 18, 2024 at 10:04 AM
Avatar
STRAILER
  • CERTIFIED EXPERT
  • 53,855 POSTS
No, the TCM failure will not hinder the engine from running. Let me know how it goes.
Sep 18, 2024 at 5:36 PM
Avatar
JASONRUTH9
  • MEMBER
  • 58 POSTS
The car crank up and ran. After 3 years and a lot of work and help from you guys she runs. Haven't driven it yet but the hard part is behind me now.
Oct 9, 2024 at 8:19 AM
Avatar
STRAILER
  • CERTIFIED EXPERT
  • 53,855 POSTS
Good to hear! So what fixed it?
Oct 9, 2024 at 10:18 AM
Avatar
JASONRUTH9
  • MEMBER
  • 58 POSTS
Just bolted the engine up. Had to have another starter. The brand new starter I got from rockauto wasn't any good so I ordered another from Amazon. Hooked it up and got gas flowing. She fired right up. Still need a radiator and a few hours before I can actually drive her. But she started.
Oct 9, 2024 at 11:23 AM
Avatar
JASONRUTH9
  • MEMBER
  • 58 POSTS
And hooked up my code reader and she'd throwing all kinds of codes now. But I think it's because I still have connections to hook up.
Oct 9, 2024 at 11:24 AM
Avatar
STRAILER
  • CERTIFIED EXPERT
  • 53,855 POSTS
Nice work! Use 2CarPros anytime, we are here to help. Please tell a friend.
Oct 10, 2024 at 11:29 AM