Swapped wires of the fuel injector and coil?

2010 HYUNDAI ELANTRA
210,734 MILES • 4 CYL • 2WD • AUTOMATIC
Avatar
BLESSING EWOBOR
  • MEMBER
  • 754 POSTS
The vehicle was worked on at the garage after few days, the check engine light was on, the vehicle was scanned, misfire code on cylinder one was detected on the engine. After checking vividly, it was observed that the wires of the fuel injector has removed from the connectors and taped. The vehicle wiring has worked on by a technician.
Could I have the wire diagram of the vehicle?

Thank you
Nov 6, 2024 at 11:57 AM
Advertisement
Avatar
STRAILER
  • CERTIFIED EXPERT
  • 53,854 POSTS
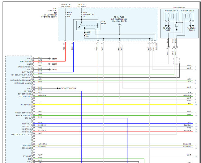
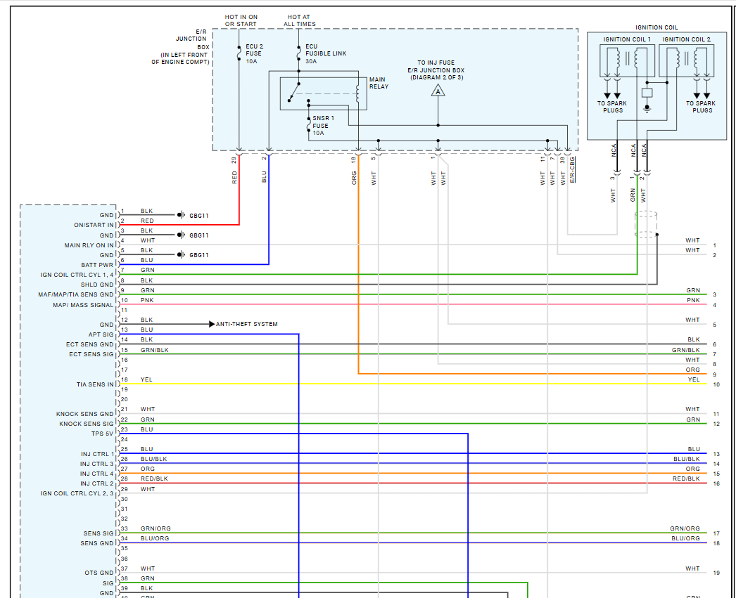
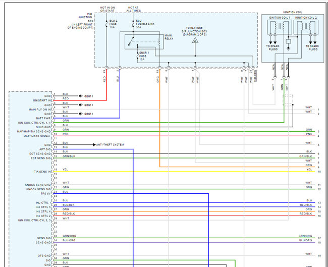
Sure, here is the engine, fuel injector and PCM wiring diagrams. Check out the images (below). Let us know if you need anything else.
Nov 6, 2024 at 4:46 PM
Avatar
BLESSING EWOBOR
  • MEMBER
  • 754 POSTS
Thank you very much.
Nov 6, 2024 at 9:48 PM
Advertisement
Avatar
STRAILER
  • CERTIFIED EXPERT
  • 53,854 POSTS
You are welcome, please use 2CarPros anytime we are here to help.
Nov 7, 2024 at 5:30 PM