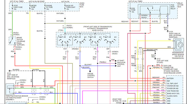
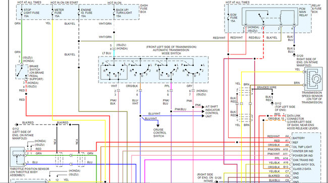
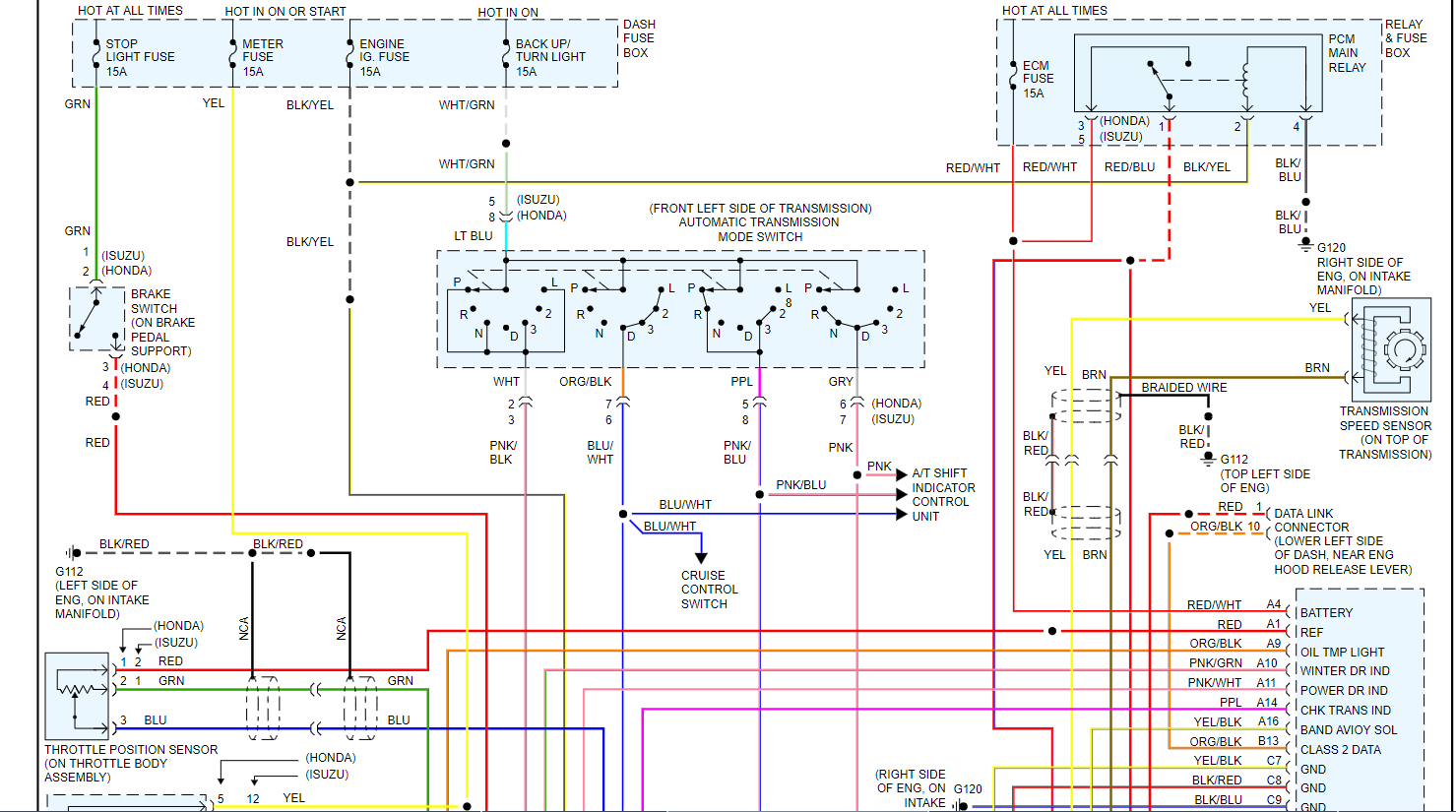
My vehicle listed above transmission was swapped with a 2001 Isuzu Rodeo, but there's one connection that one more wire then my passport. Is there a way through that wiring .
Mar 10, 2021 at 7:13 PM





