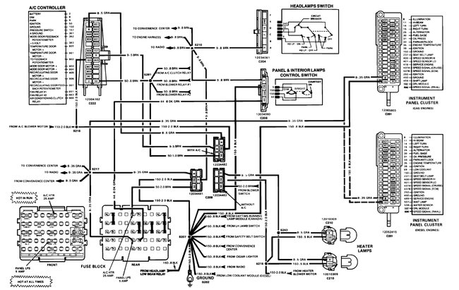
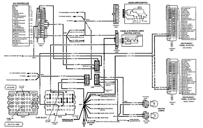
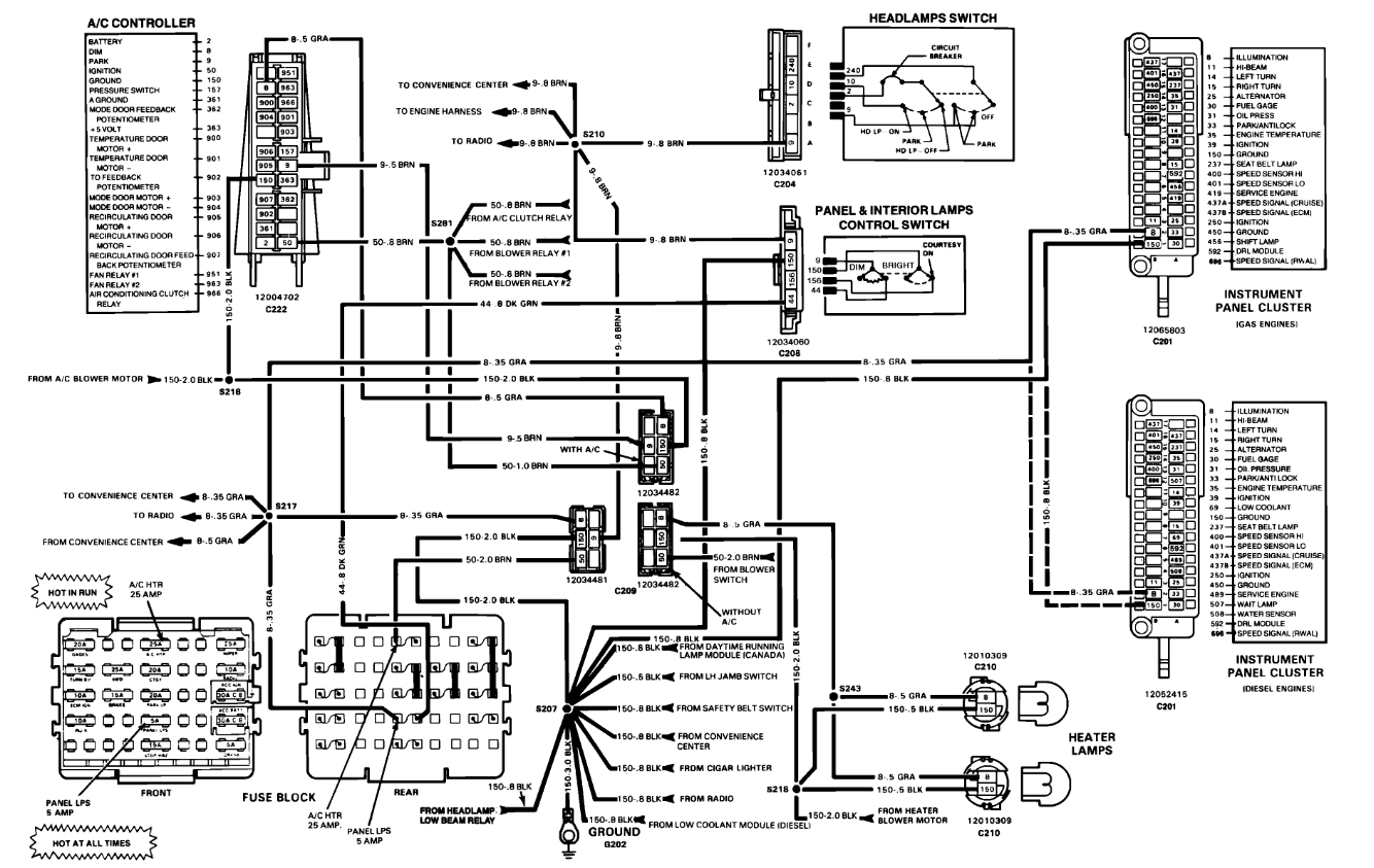
I would like to swap out my 1990 "Moonie" cluster for one of a compatible year model 1988 - 1993 I think. I want to replace with regular analog needle gauges. Is this just a plug in the doner cluster, and it works proposition?
Nov 13, 2018 at 9:05 AM

