Power windows

1997 SUZUKI SIDEKICK
98,000 MILES • 4 CYL • 4WD • MANUAL
Avatar
SOPHIE1460
  • MEMBER
  • 3 POSTS
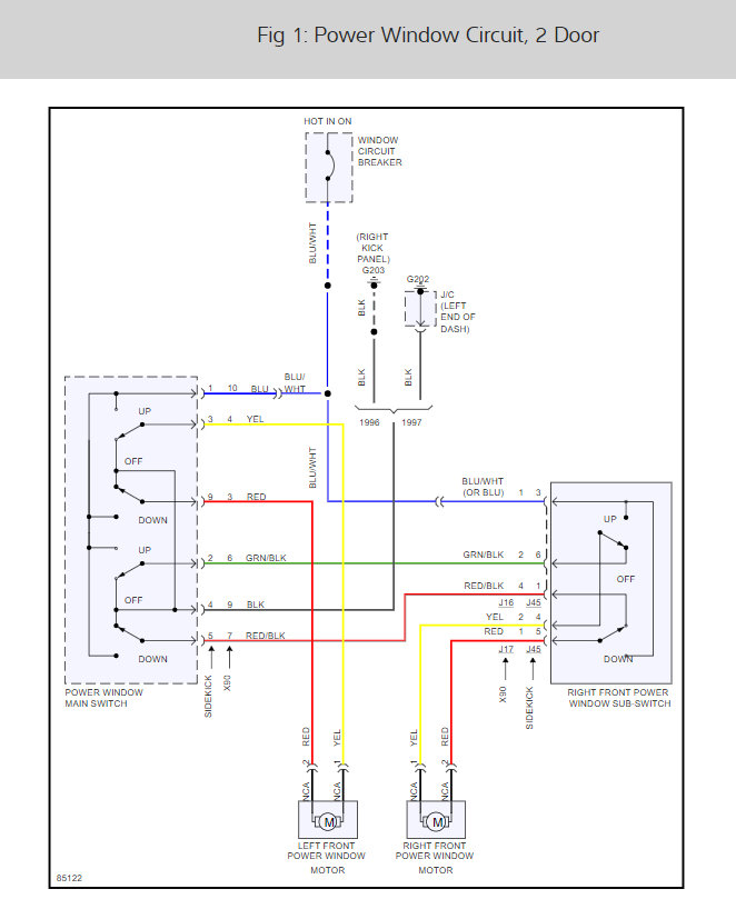
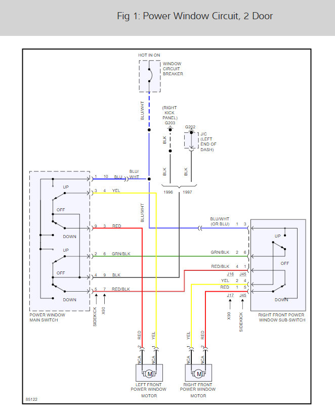
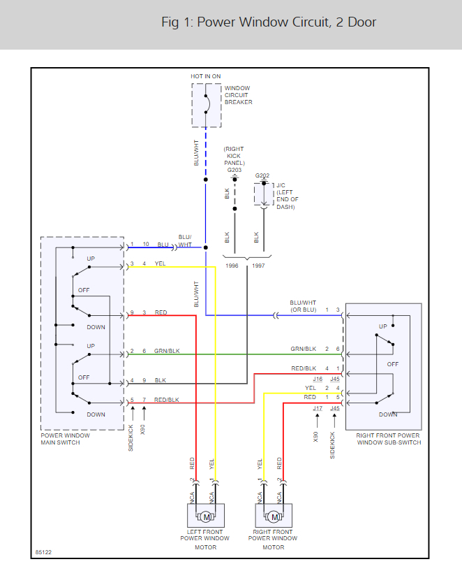
I have wiring diagram for the window circuit it shows a circuit breaker but doesn't show where it is, neither does the owners manual, none of the windows work I would like to find out where the breaker is.
Thanks,
George
Aug 29, 2010 at 10:11 PM
Advertisement
Avatar
BLUELIGHTNIN6
  • CERTIFIED EXPERT
  • 16,542 POSTS
Hello

I have posted a diagram of where the circuit breaker is for the power windows and a guide to help test the connections.

https://www.2carpros.com/articles/how-to-check-wiring

Check out the diagrams (Below). Please let us know if you need anything else to get the problem fixed.
Aug 29, 2010 at 10:19 PM