I have no low beam lights?

2005 SUZUKI
45,000 MILES • 4 CYL • FWD • AUTOMATIC
Avatar
RAUGESON
  • MEMBER
  • 1 POST
I have no low beam lights.High beams and parking lights work. When I push the switch ahead for low beams, they go completly out. Bulbs, fuses, relay good. Replaced light switch on steering colume. This is a 2005 Forenza.
Dec 5, 2007 at 4:37 AM
Advertisement
Avatar
DAVE H
  • CERTIFIED EXPERT
  • 13,384 POSTS
check wiring and ground connections
Apr 30, 2010 at 5:42 AM
Avatar
STRAILER
  • CERTIFIED EXPERT
  • 53,855 POSTS
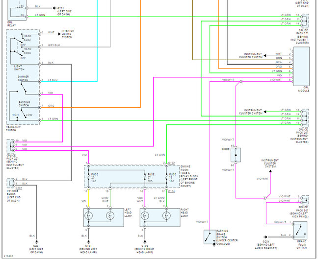
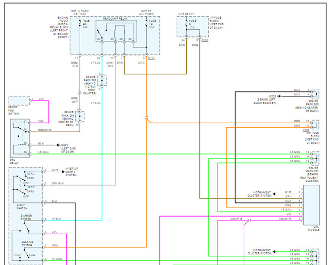
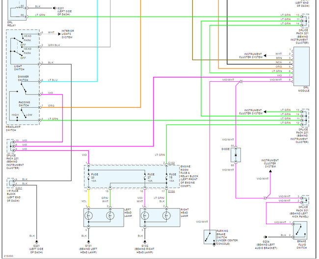
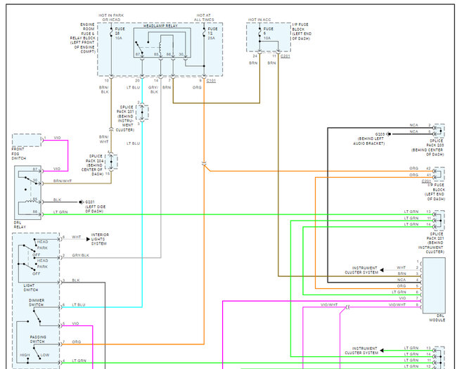
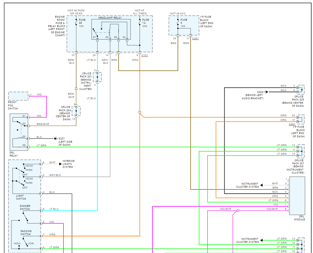
If the other lights work it sounds like the headlight switch itself is bad, here is the headlight wiring diagrams so you can see how the system works and I have included how to change the switch out as well. Check out the images (below). Please let us know what happens.
Jul 1, 2024 at 1:14 PM
Advertisement