Suspension sound

2006 PONTIAC G6
205,000 MILES • V6 • 2WD • AUTOMATIC
Avatar
CARLITO CASCONE
  • MEMBER
  • 6 POSTS
What I know:
- The sound originates from the front, driver's side of the car.
- The sound is rhythmic, in-time with the spinning of the wheels (e.g. as the car slows down so does the frequency of the noise).
- The sound occurs when I hit the brakes at speeds higher than 30 mph.
- I have replaced the outer tie rod, the struts, the caliper, and the rotor.
- Everything in the suspension system is solid. Nothing moves or makes sound when I mess with it.

My Ideas:
- Since it only makes the noise once the brakes are engaged, but it's not anything involved with the brakes themselves, it must be something close to the suspension system.
- Maybe the thing only makes noise when the car is pitched downward, as engaging the brakes would cause the car to tip forward.
Jul 5, 2020 at 12:09 PM
Advertisement
Avatar
ASEMASTER6371
  • CERTIFIED EXPERT
  • 52,796 POSTS
Good afternoon,

The first thing that comes to mind is a CV joint in the axle. It is common for the grease to leak out or get hard from age and no longer is the bearing being lubricated.

https://www.2carpros.com/articles/how-a-cv-joint-works

https://www.2carpros.com/articles/replace-cv-axle

Did you inspect the CV boot for any tears or leaks of grease?

https://www.2carpros.com/articles/symptoms-of-a-bad-cv-axle-joint

Roy

Wheel Drive Shaft Replacement

Special Tools

Slide Hammer
Axle Shaft Remover Extension
Axle Shaft Remover
Hub Spindle Remover
Seal Protector

Removal Procedure

Caution: To prevent personal injury and/or component damage, do not allow the weight of the vehicle to load the front wheels, or attempt to operate the vehicle, when the wheel drive shaft(s) or wheel drive shaft nut(s) are removed. To do so may cause the inner bearing race to separate, resulting in damage to brake and suspension components and loss of vehicle control.

Notice: Wheel drive shaft boots, seals and clamps should be protected from sharp objects any time service is performed on or near the wheel drive shaft(s). Damage to the boot(s), the seal(s) or the clamp(s) may cause lubricant to leak from the joint and lead to increased noise and possible failure of the wheel drive shaft.

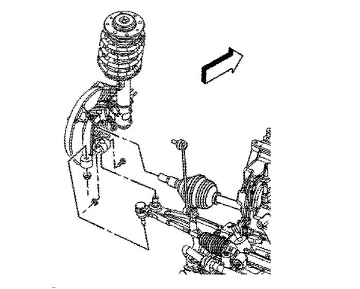
1. Raise and suitably support the vehicle.
2. Remove the wheel and the tire.


imageOpen In New TabZoom/Print



3. Remove the front wheel drive shaft nut.
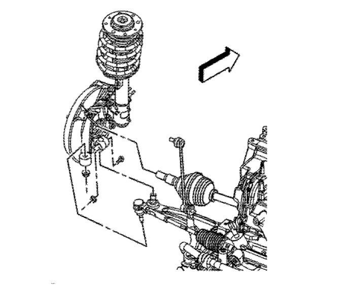
4. Remove the outer tie rod assembly from the steering knuckle. Refer to Rack and Pinion Outer Tie Rod End Replacement .


imageOpen In New TabZoom/Print



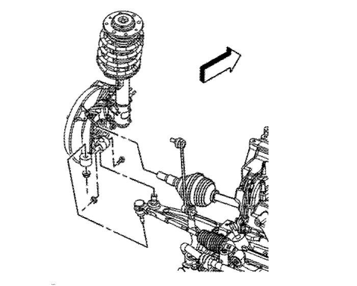
5. Remove the ball joint from the steering knuckle. Refer to Lower Control Arm Replacement .

Important: In the following procedure, the wheel drive shaft nut can be partially re-installed to protect the threads.

6. Using the J 42129, remove the front wheel drive axle from the front wheel drive shaft bearing.


imageOpen In New TabZoom/Print



7. Assemble the J 2619-01, the J 29794, and the J 33008-A.
8. Using the J 2619-01, the J 29794, and the J 33008-A, remove the wheel drive shaft from the vehicle.
9. Remove the J 2619-01, the J 29794, and the J 33008-A from the wheel drive shaft inner joint.
Jul 5, 2020 at 1:21 PM
Avatar
CARLITO CASCONE
  • MEMBER
  • 6 POSTS
I will look into it, but I don't think this is the issue. There are no sounds when I decelerate or turn the wheel, only when I hit the brakes.

Also, "rattle" was the wrong descriptive word to use. It's more of a non-metallic banging noise.

I'll try to record it.
Jul 5, 2020 at 1:55 PM
Advertisement
Avatar
ASEMASTER6371
  • CERTIFIED EXPERT
  • 52,796 POSTS
That would be great if you would record a video of the noise.

Roy
Jul 5, 2020 at 1:58 PM
Avatar
CARLITO CASCONE
  • MEMBER
  • 6 POSTS
Believe me when I say it's much lower and louder in person.

Extra detail: It seems to get more intense the longer I drive. There is no sound the first few braking instances. Then, after it's "warmed up" it makes the noise.
Jul 5, 2020 at 2:17 PM
Avatar
ASEMASTER6371
  • CERTIFIED EXPERT
  • 52,796 POSTS
Okay, thanks.

Did you check and make sure the tire or the wheel is tight and torqued to 100 pounds?

Roy
Jul 5, 2020 at 2:26 PM
Avatar
CARLITO CASCONE
  • MEMBER
  • 6 POSTS
You're talking about the lug nuts? I don't have a torque wrench yet, but the wheel is definitely tight. I used a breaker bar to tighten the lug nuts down.
Jul 5, 2020 at 2:29 PM
Avatar
ASEMASTER6371
  • CERTIFIED EXPERT
  • 52,796 POSTS
Okay, if the noise only happens when the brakes are applied, it points to a rotor. The new one could have a heat spot or hot spot on the surface of the new rotor. I would pull that rotor and get a replacement under warranty.

https://www.2carpros.com/articles/how-to-replace-front-brake-pads-and-rotors-fwd

Roy
Jul 5, 2020 at 2:37 PM
Avatar
CARLITO CASCONE
  • MEMBER
  • 6 POSTS
I'm about 17,000% sure it's not the rotor...
Jul 5, 2020 at 3:11 PM
Avatar
ASEMASTER6371
  • CERTIFIED EXPERT
  • 52,796 POSTS
Do not be too quick to dismiss it.

You do not think it is an axle and you do not think it is a rotor. There is not much else with a rotating noise while braking.

Check both of them as I think you will find it in one of those items causing it.

Roy
Jul 5, 2020 at 3:20 PM
Avatar
CARLITO CASCONE
  • MEMBER
  • 6 POSTS
Well, after already replacing the front, driver-side rotor, I decided to replace the front, passenger-side rotor. That turned out to be the issue.

For anybody else who has similar symptoms, there was no sound coming from the passenger side. The sound originated from in front of the driver. Even while sitting in other parts of the car it sounded like it originated from there.

A warped rotor judders, usually causing a sound at the source (front rotors causing wheel shake and back rotors you would, potentially, feel in your seat). My hypothesis is that the warped rotor wasn't juddering the caliper. The rotor was sending feedback to the master cylinder (typical, because outward influence on a hydraulic system will send shocks to the input system) and, in fact, making the master cylinder make noise. This makes sense as the sounds origin because the master cylinder on a 2006, Pontiac G6 is directly in front of the driver.

I think this because changing the DS rotor changed the noise slightly, but it remained in the same position. Once I changed both rotors the noise ceased.
Jul 9, 2020 at 5:28 AM
Avatar
ASEMASTER6371
  • CERTIFIED EXPERT
  • 52,796 POSTS
Good information.

Thanks for the update.

Roy
Jul 9, 2020 at 5:30 AM