We need to start with the codes of the system. This could be the clockspring but there are other possible causes as well.
Let me know the codes and we can go from there. Just make sure the code reader is able to talk to the ABS and restraint control module as some are not.
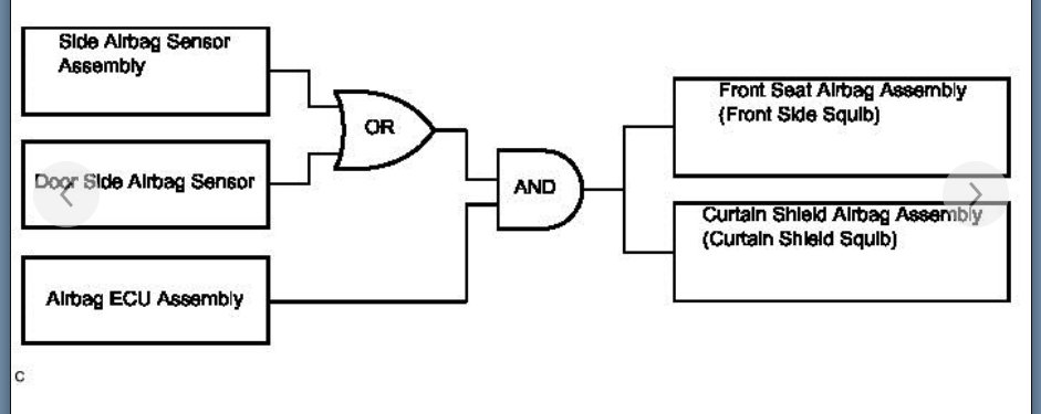
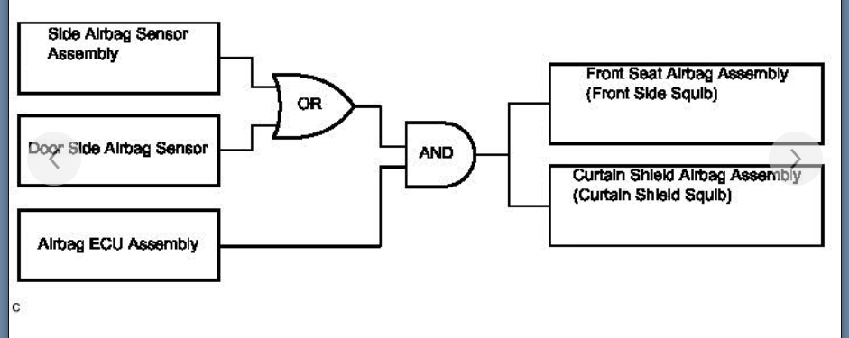
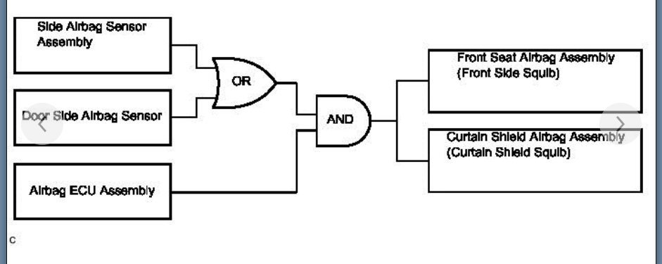
Images (Click to enlarge)
Dec 26, 2019 at 6:16 PM