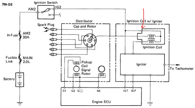
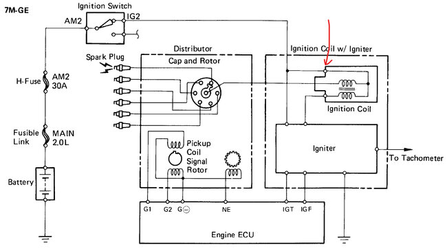
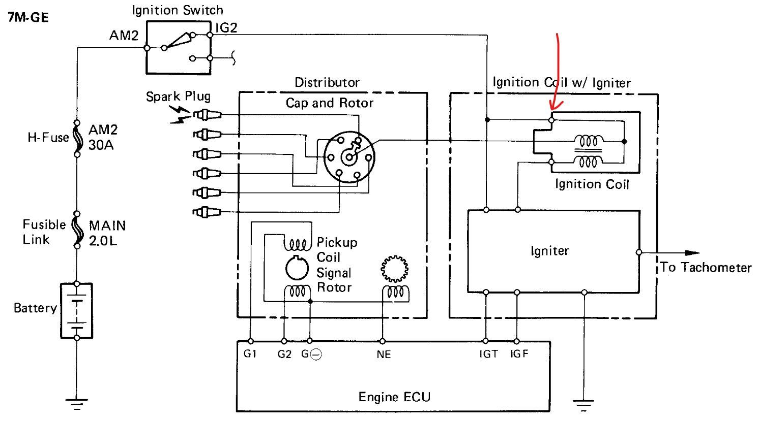
My car listed above mk3 is having an issue where it doesn’t start but cranks. New fuel pump was put in, and when I put direct power to the pump it turns on. Nothing when I turn the key. It had a Walbro 255 and the 12v mod done as well. All fuses and relays are good as well.
Jan 11, 2024 at 4:18 AM


