Can I run the car without the supercharger working?
Sep 1, 2018 at 10:56 AM
Advertisement
ASEMASTER6371
CERTIFIED EXPERT
52,796 POSTS
Good afternoon.
Yes, you can but you will see a big reduction in engine performance.
What is the issue with the unit?
Roy
Sep 1, 2018 at 12:56 PM
DANOTURBO59
MEMBER
16 POSTS
The bottom pulley broke.
Sep 1, 2018 at 1:04 PM
Advertisement
ASEMASTER6371
CERTIFIED EXPERT
52,796 POSTS
Do you mean on the drive belt on the engine or the pulley on the supercharger?
Roy
Sep 1, 2018 at 1:05 PM
DANOTURBO59
MEMBER
16 POSTS
In the supercharger itself.
Sep 1, 2018 at 1:07 PM
DANOTURBO59
MEMBER
16 POSTS
It is too tight for me to get to.
Sep 1, 2018 at 1:07 PM
DANOTURBO59
MEMBER
16 POSTS
Any hints for me to help access it? It looks like I will have to remove water pump to access the bolt.
Sep 1, 2018 at 1:11 PM
ASEMASTER6371
CERTIFIED EXPERT
52,796 POSTS
If it is in the supercharger, you will have to remove it to disassemble it.
Anything in this picture?
Roy
Image (Click to enlarge)
Sep 1, 2018 at 1:22 PM
DANOTURBO59
MEMBER
16 POSTS
It is the guide pulley behind the motor mount.
Sep 1, 2018 at 1:27 PM
ASEMASTER6371
CERTIFIED EXPERT
52,796 POSTS
Can you post a picture for me to view?
Roy
Sep 1, 2018 at 1:30 PM
DANOTURBO59
MEMBER
16 POSTS
Hold on.
Sep 1, 2018 at 1:39 PM
ASEMASTER6371
CERTIFIED EXPERT
52,796 POSTS
Okay, hanging on.
Sep 1, 2018 at 1:40 PM
DANOTURBO59
MEMBER
16 POSTS
Here is best I can get:
Image (Click to enlarge)
Sep 1, 2018 at 1:44 PM
ASEMASTER6371
CERTIFIED EXPERT
52,796 POSTS
So it is a pulley like the one for the alternator belt?
Roy
Sep 1, 2018 at 1:47 PM
DANOTURBO59
MEMBER
16 POSTS
The power steering pump is in the way of the last bolt any comments on removing it with the front wheel drive?
Sep 1, 2018 at 1:48 PM
ASEMASTER6371
CERTIFIED EXPERT
52,796 POSTS
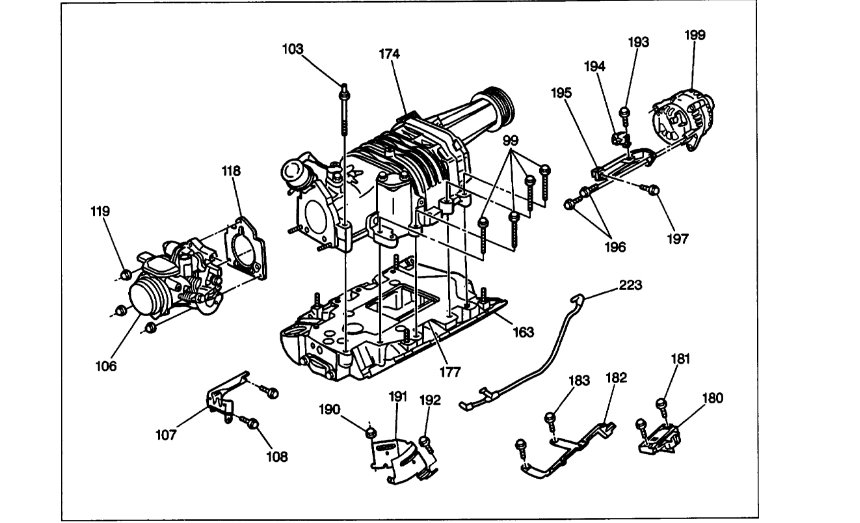
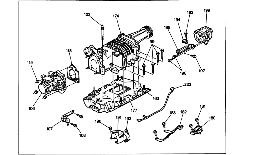
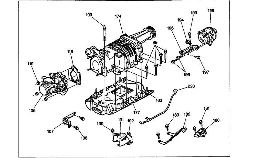
Is it one of these?
Images (Click to enlarge)
Sep 1, 2018 at 1:49 PM
DANOTURBO59
MEMBER
16 POSTS
No, it is a smooth guide pulley.
Sep 1, 2018 at 1:50 PM
DANOTURBO59
MEMBER
16 POSTS
The pulley is gone it fell apart.
Sep 1, 2018 at 1:50 PM
DANOTURBO59
MEMBER
16 POSTS
It is the in right next to the crank on the super charger diagram.
Sep 1, 2018 at 1:52 PM
ASEMASTER6371
CERTIFIED EXPERT
52,796 POSTS
You will need to drop the power steering pump. There are two 13mm bolts holding the pump to the block. You can access them through the holes in the pulley.