Hello,
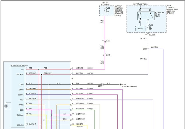
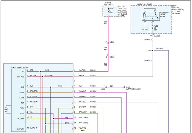
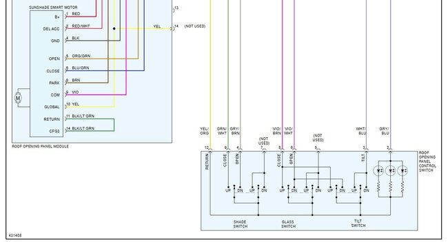
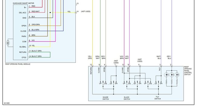
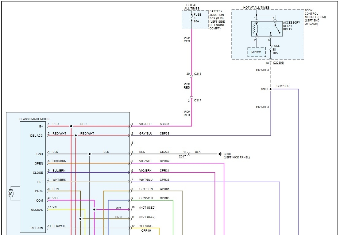
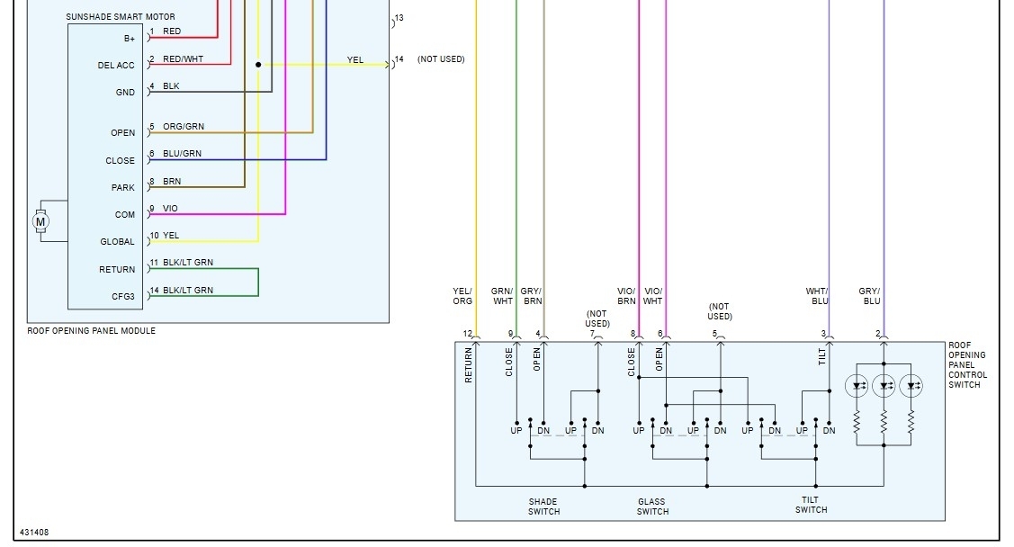
I am experiencing an issue with the sunroof system. The sunroof, tilt function, and sunshade are all stuck. None of the components respond when the controls are used, and there is no sound or movement from the system.
At this time, the sunroof and sunshade appear completely inoperative. I've tried everything I could, but it won't help.
Please let me know what the next steps would be to diagnose or address this issue.
Thank you
I am experiencing an issue with the sunroof system. The sunroof, tilt function, and sunshade are all stuck. None of the components respond when the controls are used, and there is no sound or movement from the system.
At this time, the sunroof and sunshade appear completely inoperative. I've tried everything I could, but it won't help.
Please let me know what the next steps would be to diagnose or address this issue.
Thank you
Dec 14, 2025 at 11:12 AM







