Sunroof/moonroof not working

2019 FORD EXPLORER
2,000 MILES • 3.5L • V6 • 4WD • AUTOMATIC
Avatar
SANTIAGO14403
  • MEMBER
  • 2 POSTS
So i am having issues with my SUV sport. My sunroof does not work at all. I sent it to Ford various times and they tell me its a computer issue. Can someone let. me know if they are having the same issue and what can I do to fix it?
May 15, 2019 at 6:37 PM
Advertisement
Avatar
STRAILER
  • CERTIFIED EXPERT
  • 53,855 POSTS
Hello,

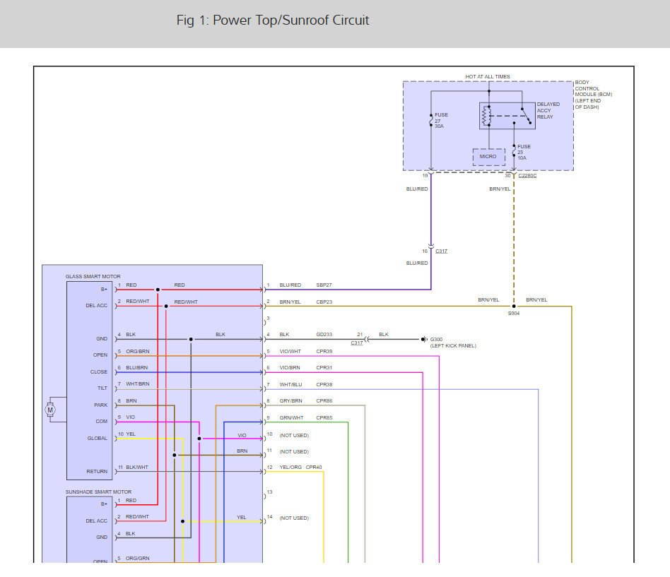
There is a delayed accessory relay that sounds like it has gone out. but to be sure here is a guide to help you check it and the sunroof wiring diagrams so you can see how it works along with the relay and fuse locations:

https://www.2carpros.com/articles/how-to-check-an-electrical-relay-and-wiring-control-circuit

Check out the diagrams (below). Please let us know what you find. We are interested to see what it is.

May 16, 2019 at 3:07 PM