Sunroof/moonroof not working

2017 FORD EXPLORER
30,000 MILES • 3.5L • V6 • 4WD • AUTOMATIC
Avatar
TARIK2974
  • MEMBER
  • 1 POST
The Sunroof doesn't work. I did notice rain leaked through the map light console (the sunroof drains must've been clogged). The shade works fine. I did a sunroof initialization, got the tilt to pop up, but the sunroof didn't slide, and the tilt won't tilt back at this point. Please advise. Thank you.
Apr 7, 2021 at 6:56 AM
Advertisement
Avatar
KASEKENNY
  • CERTIFIED EXPERT
  • 18,907 POSTS
When you press the switch do you hear the motor moving at all? If not, then we need to monitor voltage coming out of the switch.

If you have nothing coming out then it is the switch.

https://www.2carpros.com/articles/how-to-check-wiring

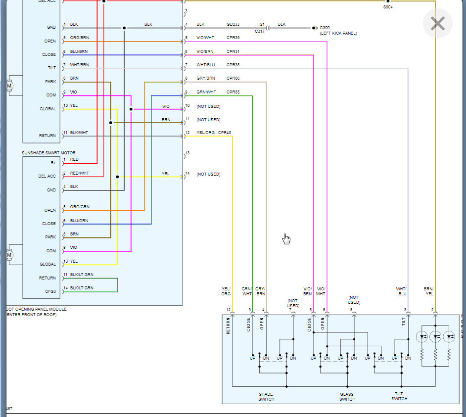
If you do then we need to go to the motor and check for power. If you have voltage there as well then the motors are the issue. The fact that the tilt works, I suspect it is the switch as the glass has one motor for all the functions.

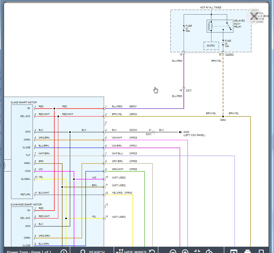
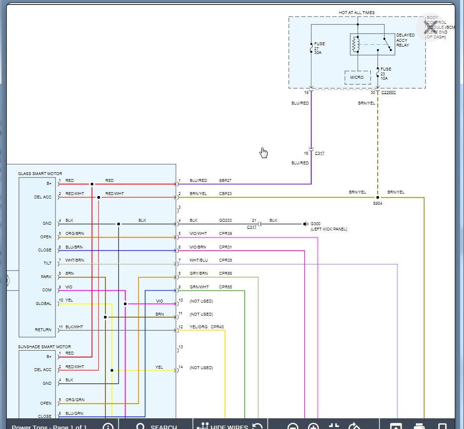
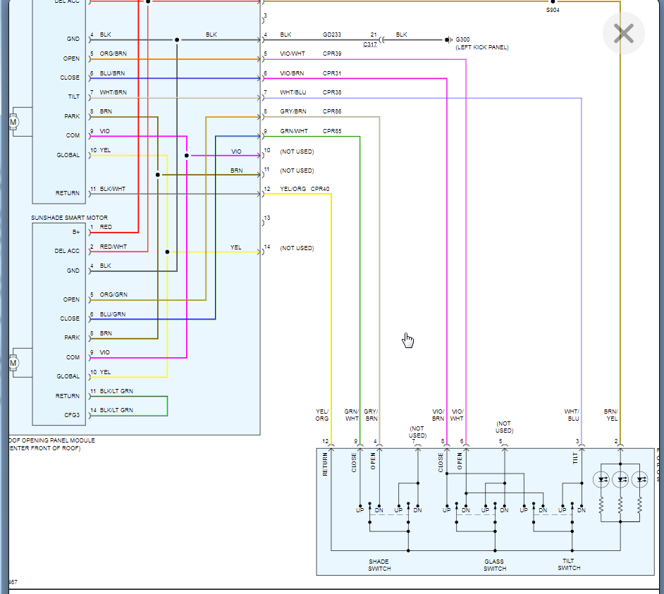
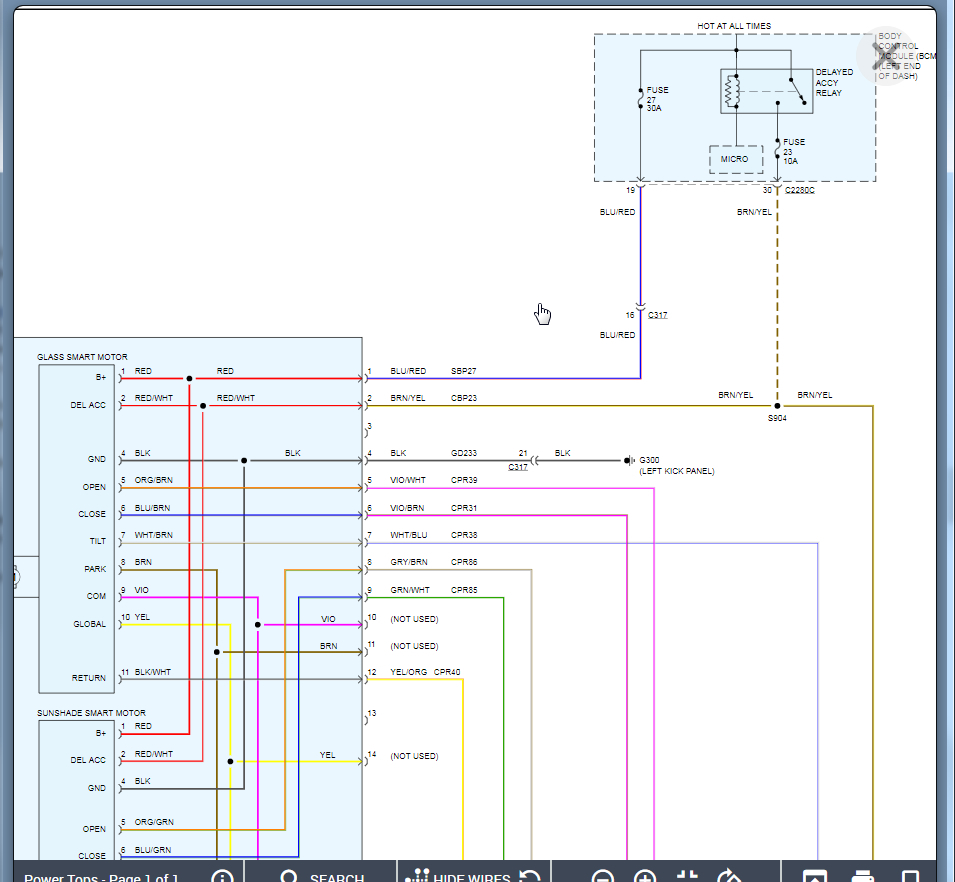
Below is the wiring diagram that shows this.
Apr 8, 2021 at 3:57 PM