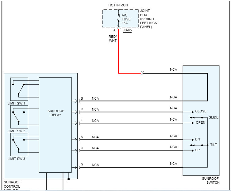
I bought this car like it was with a sunroof not working. I received it and it was titled in a bit.
Pressed the buttons and nothing happened.
I tried tapping the motor several times and only moved once very close to a closed position. Again, nothing there anymore. What would u suggest i start with? Can't be a fuse since it moved, but could be the relay? Where is it located?
Not hearing the relay click when i press it.
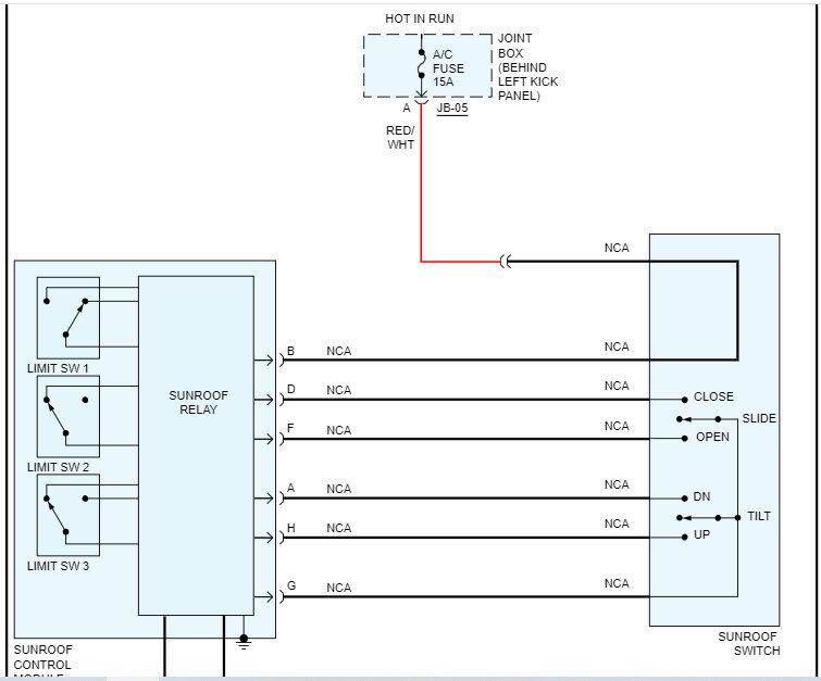
Pressed the buttons and nothing happened.
I tried tapping the motor several times and only moved once very close to a closed position. Again, nothing there anymore. What would u suggest i start with? Can't be a fuse since it moved, but could be the relay? Where is it located?
Not hearing the relay click when i press it.
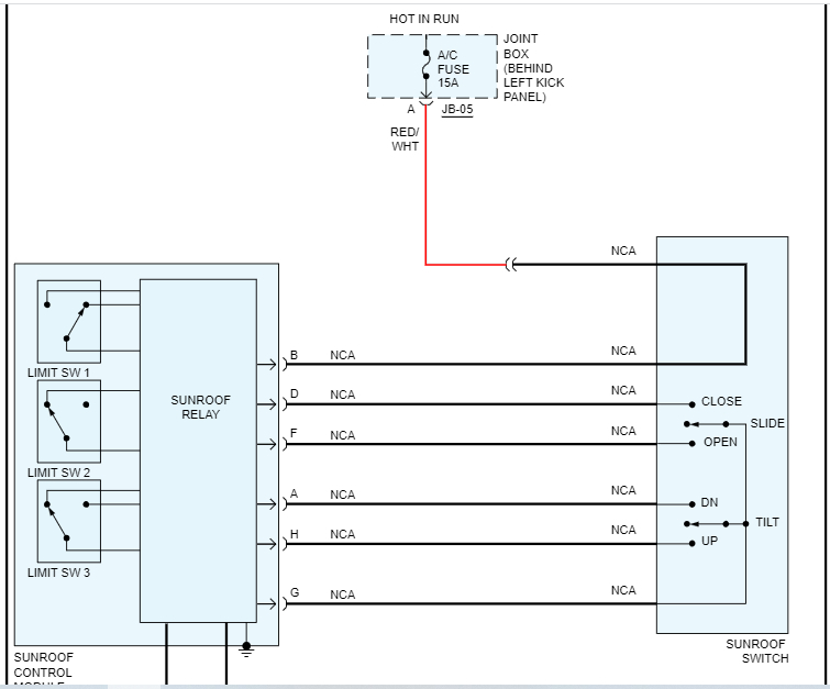
Sep 8, 2023 at 11:59 AM

