Sunroof not working properly

2012 FORD EXPLORER
17,000 MILES
Avatar
ALLEGAN97
  • MEMBER
  • 1 POST
I have a sunroof and moonroof. The moonroof shade will open and close. The sunroof shade opened one time and will no longer open or close. Nor will the window open or close i switched the switches and it was not that.What would it most likely be?
Mar 8, 2021 at 1:14 PM
Advertisement
Avatar
JACOBANDNICKOLAS
  • CERTIFIED EXPERT
  • 110,175 POSTS
Hi,

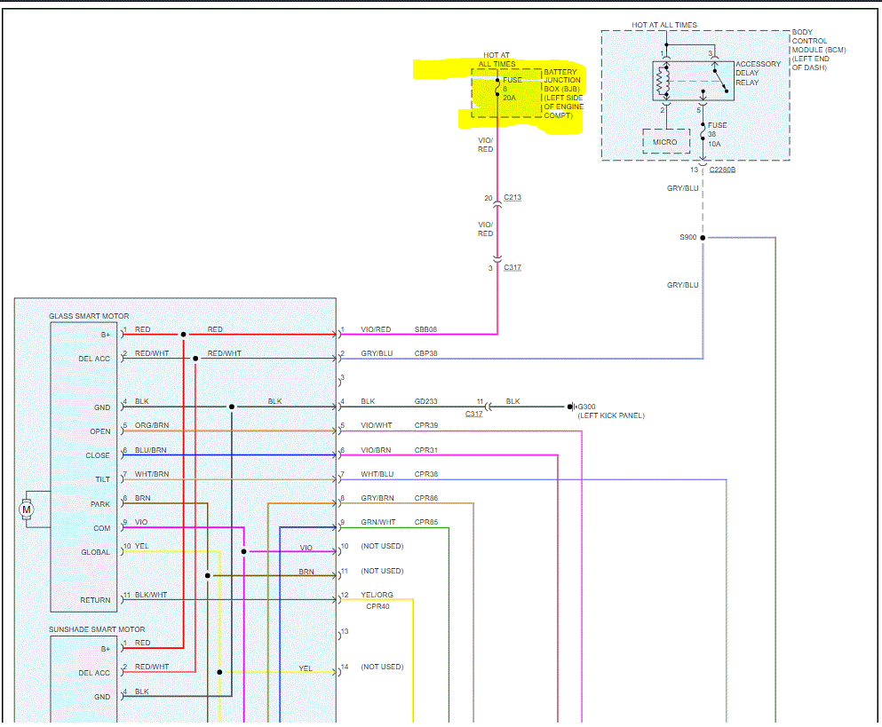
The first thing I suggest is to check the fuse. I have attached two pics below which show the entire wiring schematic for the sunroof. I highlighted the fuse to check.

In addition to checking the fuse, confirm there is power to and from the fuse. Here is a link you may find helpful:

https://www.2carpros.com/articles/how-to-check-a-car-fuse

Pic 2 shows the fuse location in the under hood fuse box.

Let me know what you find or if you have other questions.

Take care and God Bless,

Joe
Mar 9, 2021 at 6:19 PM