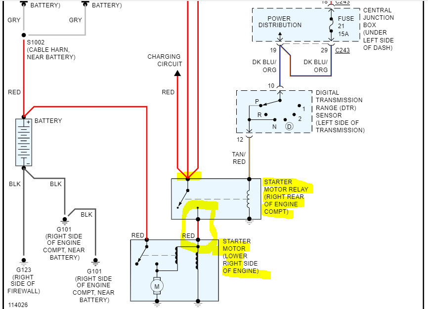
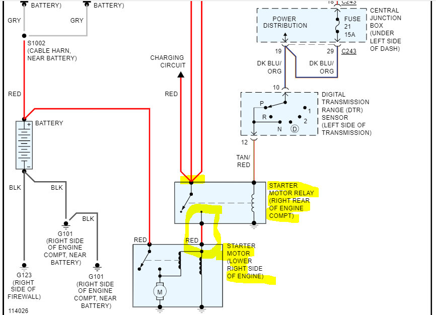
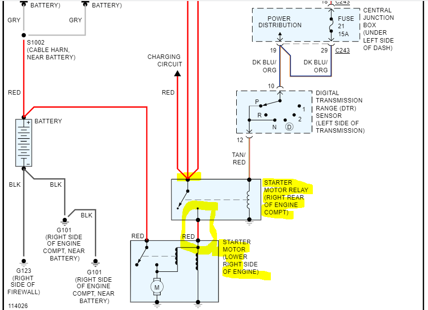
Hey y’all, so I’m at my wits end here. I am currently a 21-year-old self-employed contractor and full-time student in mechanics, who has a wife in school full time as well, two young kids, and just bought a house. As you can probably guess, I’m now broke. So, I’m doing all the repairs myself. I am by no means at all an expert, but I know enough to get by. I just bought this truck about a month ago. Got a good deal on it, had all verifiable repairs including a new transmission, new ball joints and tie rods, an all-new rear end, new drive shaft and 4x4 drive shaft. When I bought it though it did not have A/C due to a bad compressor. Before I tackled that, I put in a new air intake manifold, new exhaust manifolds on both sides, and a new EGR valve. It’s hot where I’m at, so about 3 weeks ago I decided to get A/C going. Note, truck cranked up and ran fine before I started any work on the A/C. So, I took out the windshield wiper fluid tank, the battery, battery holder, disconnected all wires, took out the starter solenoid that is mounted on the firewall. I took out the A/C compressor and accumulator. Installed new accumulator and mounted new compressor, flushed all the lines, then reconnected all the hoses to the compressor and condenser. Ran a new belt. Then Put battery and solenoid back in just to start, and it started up fine. So, I took the battery back out and solenoid back out, and put everything else (fluid tank, battery holder, wire harness) back in. When I was putting the solenoid back on, I stripped the bolt off. So, I went and got a new one. Installed it and finished hooking wires up. Tried to start and it cranked up fine. So, I got my can of coolant, connected hoses, and went to turn truck on again, it wouldn’t start. No crank no start. Just a click. Thought maybe solenoid was new and sent too much power to the relay or something. Changed all PCM relays, the diode, and any relay or fuse connected to the PCM or ignition system. Still, no crank no start. Thought maybe just a bad solenoid so I bought another new one. Still, no crank no start. Multimeter showing good battery through all of this, but still figured maybe false positive and bad cell. Took the battery out and took it to have it analyzed. Was reading a bad cell. So, I bought a brand-new Die-Hard GM battery. Hooked it up, let it slow charge on 2 amps for 36 hours, went to turn it on, no crank no start. Tried to jump it, no crank no start. Tried to bridge the solenoid with a screwdriver, same thing. Tried to jump the solenoid directly, same thing. Broke down and bought a brand-new starter motor. Installed it, hooked jumper cables up to my battery, turned the key, cranked right up and ran good. Ran until I turned it off. Waited 10 minutes or so, took the jumper cables off the battery, tried to start the truck a second time, cranked up and ran good. I thought I was finally done, and I was beyond relieved. Later that night, about 2-3 hours later, I went to turn the truck on again, no crank no start. Tried to jump it, no crank no start. Back to that single click. Put all new cable ends and terminals on all cables, no crank no start. So, I bought a new ignition switch, installed it, no crank no start. All accessories work. Chime works. Just will not crank. I have changed every single fuse is both boxes, and every relay pertaining to the ignition or PCM system. I don’t know what to do now. In a month I’ve spent about $3,000.00 on this truck, and I can’t afford to take it anywhere now, nor can I even go to work without it. I am desperate. Any help whatsoever would be more than appreciated. Basically, on my knees here. Thanks a lot, to whoever ends up receiving this.
Jul 18, 2022 at 7:15 PM

