2000 Subaru Outback engine fans

2000 SUBARU OUTBACK
151,670 MILES • 4 CYL • AWD • AUTOMATIC
Avatar
LORNA LINCOLN
  • MEMBER
  • 1 POST
cooling fans do not operate unless ac is on
Feb 8, 2009 at 7:05 AM
Advertisement
Avatar
2CARPRO JACK
  • CERTIFIED EXPERT
  • 11,533 POSTS
That car looks like thePCM tells the fans to come on via the coolant sensor. You may have a coolant sensor out of range. Otherwise you need to get a test light and see if the PCM is triggering the relay at the Green/red wire at the sub fan relay and the Red/blue wire at the main fan relay. Also check fuses 17,18 and the 2 fuses in the A/C relay holder
Feb 9, 2009 at 7:36 AM
Avatar
BNC084
  • MEMBER
  • 1 POST
Engine Cooling problem
2000 Subaru Outback 4 cyl All Wheel Drive Automatic 127K miles

I just replaced my radiator with new thermostat and coolant. When the engine warms up,the cooling fan kick in but never shut off and do not know if this was existed before the repair and did not noticed it or just started after.So this is the basic trouble shooting I have done:
I turned off the engine and turn the ignition on only and the fan start to run and shuts off after i minute but it does not shut off while the engine is running.
Has anyone running into similar problem? I do not know if this is cooling sensor issue,relay or some thing else.
Thanks.
Dec 5, 2019 at 1:23 PM (Merged)
Advertisement
Avatar
RASMATAZ
  • CERTIFIED EXPERT
  • 75,992 POSTS
Check the thermostat if its the correct temperature for the engine.

Try the coolant temperature sensor could be out of range and telling the computer that the engine is gettig hotter than usual and computer constantly energizing the relay.
Dec 5, 2019 at 1:23 PM (Merged)
Avatar
JLEWS80
  • MEMBER
  • 1 POST
I have a problem with my radiator fan always running when ever the car has power. both fans come on and one goes from high to low. the temp guage goes to about 1/4 even when the car is cold.
I have tried to disconnect the temp sensor to see if that was bad but it would stay on. I bought a new ECU but that didn't work either.
Please help!
Dec 5, 2019 at 1:23 PM (Merged)
Avatar
BLUELIGHTNIN6
  • CERTIFIED EXPERT
  • 16,542 POSTS
check the a/c radiator fan relays . should be 3 (main fan relay #1 & #2 as well as Sub Fan Relay #2) . all located in the a/c relay holder, on left side of engine compartment.
Dec 5, 2019 at 1:23 PM (Merged)
Avatar
PJ413
  • MEMBER
  • 1 POST
Overheats constantly. I had it tested and was told it was the cooling fan relay. I cannot find it. where can I find a diagram that will show me where it is located?
Dec 5, 2019 at 1:23 PM (Merged)
Avatar
HMAC300
  • CERTIFIED EXPERT
  • 48,601 POSTS
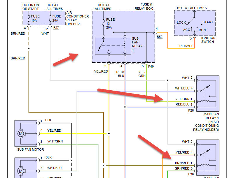
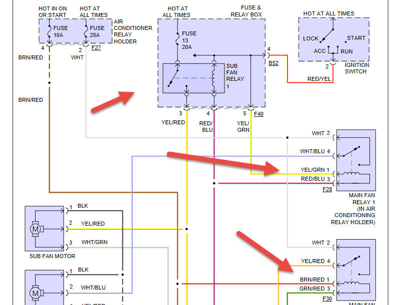
there are four relays for the fans, one is called sub relay and the other three are in A/C holder. See picture.
Dec 5, 2019 at 1:23 PM (Merged)