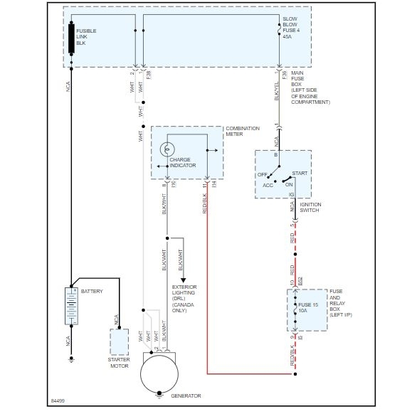
Battery drains while driving but will recharge if left off

SUBARU
Avatar
GKRACKA187
  • MEMBER
  • 1 POST
1995 Subaru Legacy 195,000 1.8L engine.

The other night I was driving my car and the battery began to fail. I had just replaced the alternator six months ago, and so I suspected a bad battery. After I turned the car off, it would not start. However, I attempted again after an hour, and it did turn over. The problem, though, quickly repeated and so I ended up at Walmart. I replaced the battery and everything seemed fine, until today, when the same thing happened. I again turned the car off and it wouldn't start, but after letting it sit for an hour, was able to get it to turn over, and again, the problem repeated. Please help.
Feb 22, 2007 at 2:05 PM
Advertisement
Avatar
ASEMASTER6371
  • CERTIFIED EXPERT
  • 52,796 POSTS
Good evening,

This sounds like you have a failed alternator and it is not maintaining the battery as it should.

https://www.2carpros.com/articles/how-to-replace-an-alternator

If you have a voltmeter, test the voltage at the battery with the engine running.

https://www.2carpros.com/articles/how-to-check-a-car-alternator

Roy
Mar 25, 2020 at 4:39 PM