I have just never heard it called a big 3. Must be a common thing in the sound system realm. However, if you are pulling that many amps on just the sound system then I think you need to consider a capacitor or even a second battery to run just the audio system.
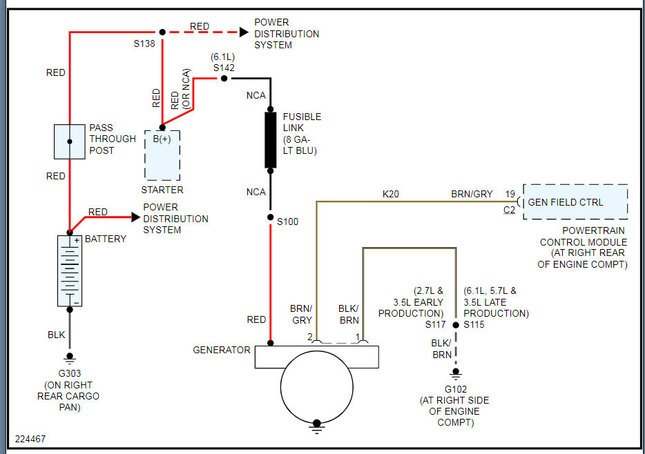
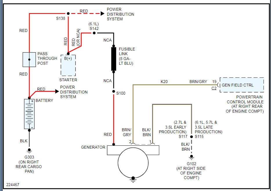
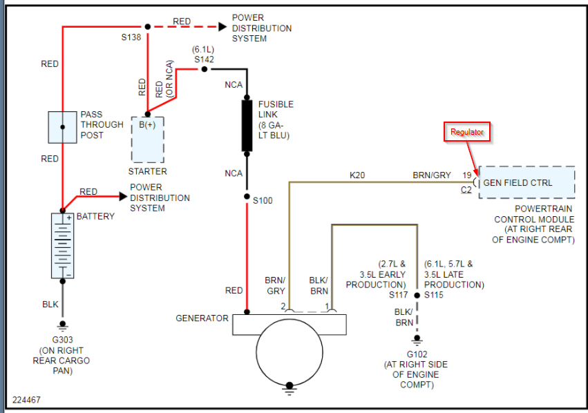
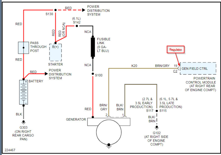
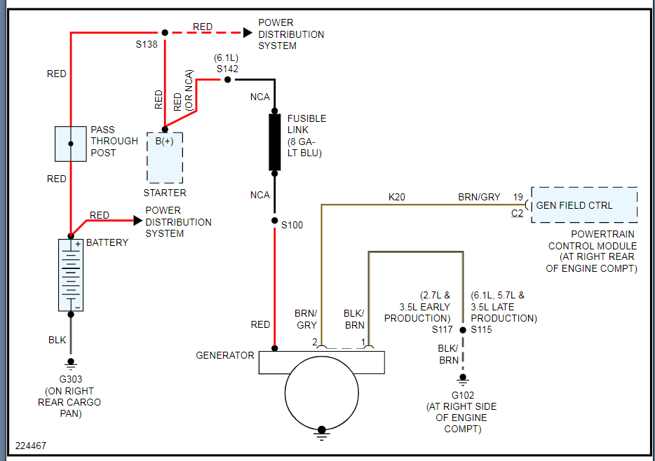
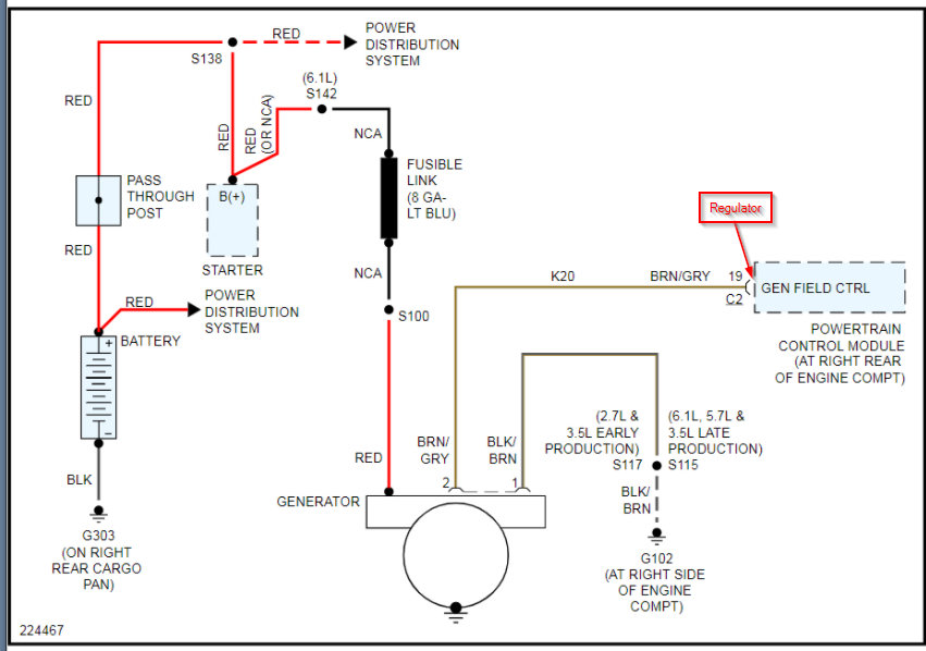
Your concern is valid with the ECM. You want to steer clear of the regulator circuit. You are going to want to stay on the battery side of the alternator because this vehicle will duty cycle the alternator meaning when more power is needed, it will increase the output of the alternator. This guide talks more about that.
https://www.2carpros.com/articles/how-to-check-a-car-alternator
So if just your sound system is using up to 120 amps then that doesn't leave enough for the remaining systems so I don't think the headlamps are going to stop dimming until you separate these systems or add a capacitor. The capacitor will store enough energy to handle the high demands and will not take it from the headlamps. Otherwise, I don't see a solution using just the vehicles systems. I guess the only thing would be to run a large gauge wire directly from the battery rather then just to tap into another wire for the regulator.
Nov 22, 2020 at 1:36 PM