Stuck on floor vent, no mid, but defrost works?

2000 BUICK REGAL
200,000 MILES • 3.8L • 6 CYL • AUTOMATIC
Avatar
DOOTSIE5TIMES
  • MEMBER
  • 3 POSTS
Digital climate control module. When pushing "front" on control module, output switches to defrost vent. When cycling to "mid" on module, air outputs on floor vent, with a very small amount coming out of dash vents. Replaced control module with 2 others. Problem persists. Sometimes switching to "front"/defrost and then back to mid would correct the issue, but that is no longer the case. Checked vacuum line on firewall side coming in from the engine manifold. That line holds vacuum. The output nipple on the booster where the purple vacuum line plugs in also holds vacuum. However, when unplugging the purple line which then goes into a distribution "block" and testing it, it does not hold vacuum. I visually inspected the purple line and didn't see any cracks/holes. At this point I'm stuck and have no idea how to proceed. Does this car have a mode door actuator and if so, where is it located?
Nov 1, 2024 at 3:53 PM
Advertisement
Avatar
STRAILER
  • CERTIFIED EXPERT
  • 53,855 POSTS
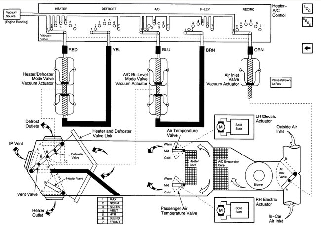
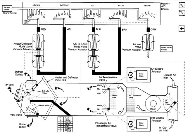
This system is vacuum operated, so it looks like you lost vacuum going to the HVAC controller. To confirm you can remove the HVAC control head and test for a vacuum with the engine running. Here is a guide to help and the vacuum line diagrams so you can see which line to test for the source vacuum from the engine.

https://www.2carpros.com/articles/air-vents-stay-in-the-defrost-position

Check out the images (below). Please upload pictures or videos in your response of any problems so we can see what to help you with.
Nov 1, 2024 at 6:02 PM
Avatar
DOOTSIE5TIMES
  • MEMBER
  • 3 POSTS
There is no vacuum line attached to the HVAC controller head.
Nov 1, 2024 at 7:08 PM
Advertisement
Avatar
STRAILER
  • CERTIFIED EXPERT
  • 53,855 POSTS
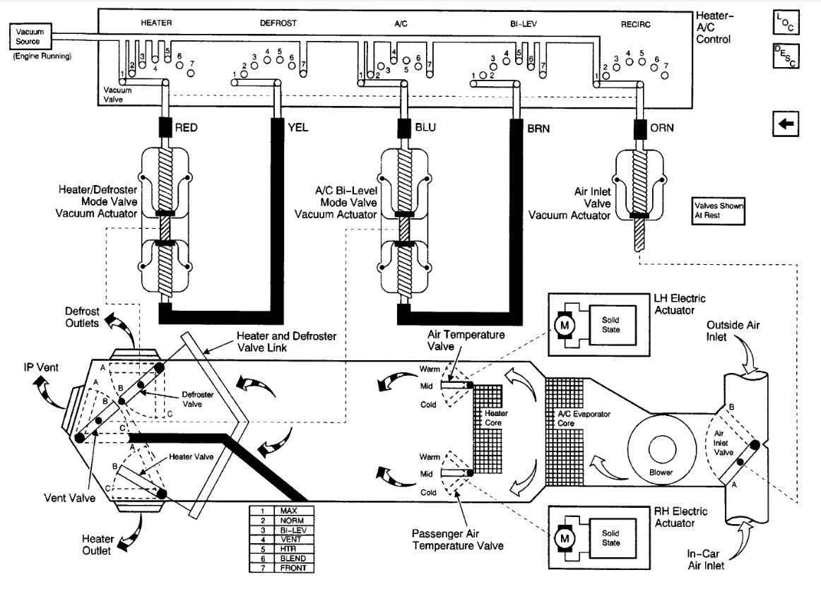
It shows vacuum lines going to the HVAC control module and to the mode actuator? Check out the images (below). Let us know how it goes.
Nov 2, 2024 at 9:45 AM