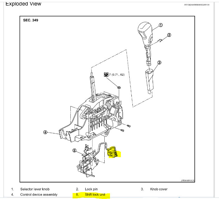
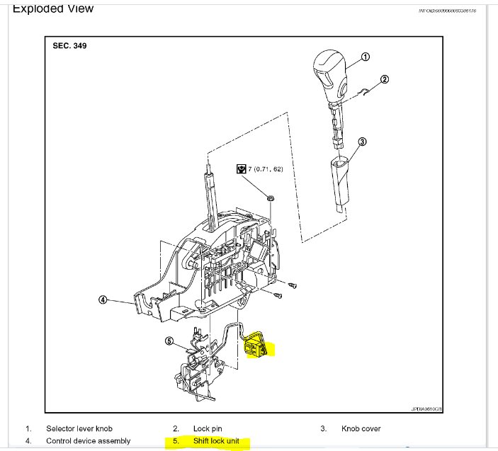
After doing some repairs on my truck i got in it and started it but when i went to shift from park to reverse the shifter wouldn't move. now this has happened before and all i had to do was press the release with a screwdriver but this time that didn't work. so, i pulled off the knob and console top and pushed the button and it will then move gears. Do i need to replace the entire shifter assembly or just that buttons harness if it's got one? If you do have any suggestions, can you give step by step instructions for them, please and thank you.
May 20, 2023 at 2:31 PM








