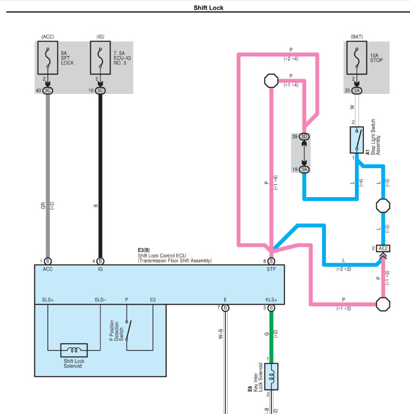
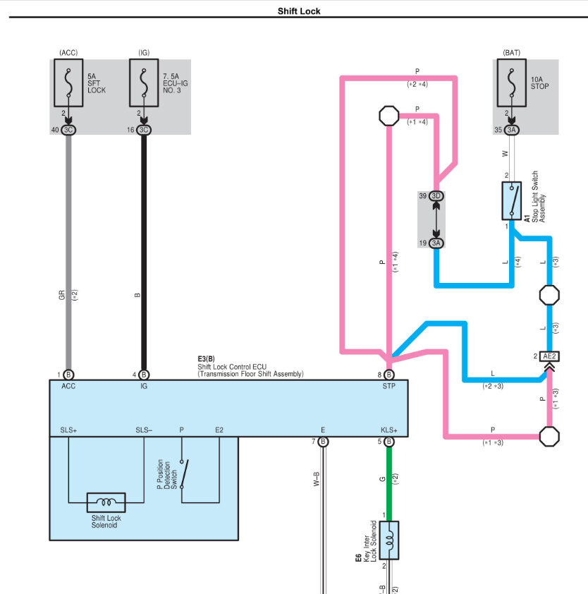
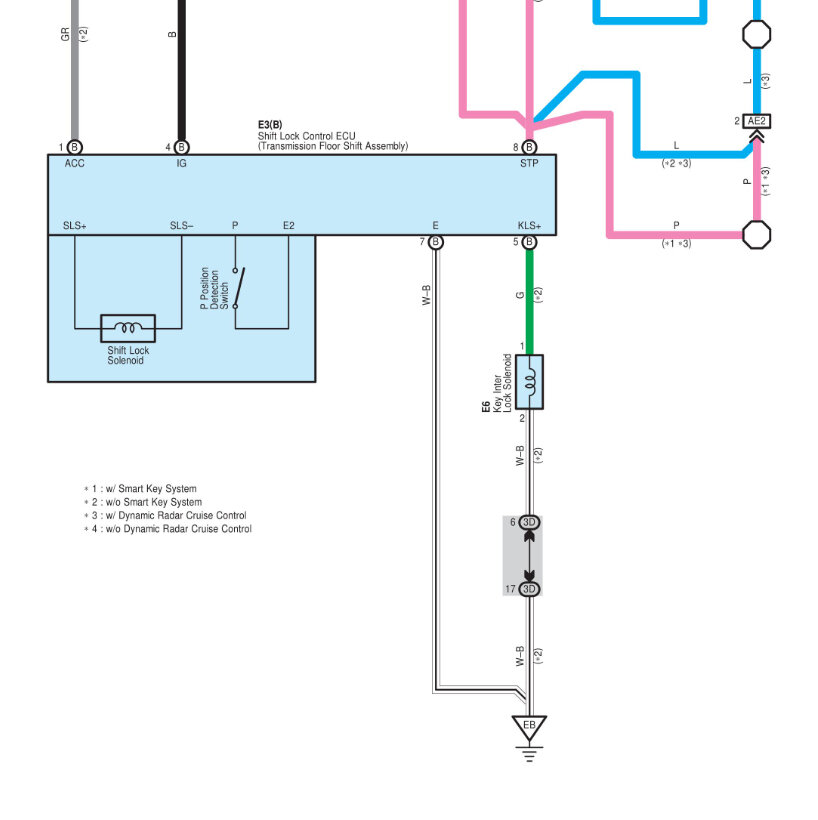
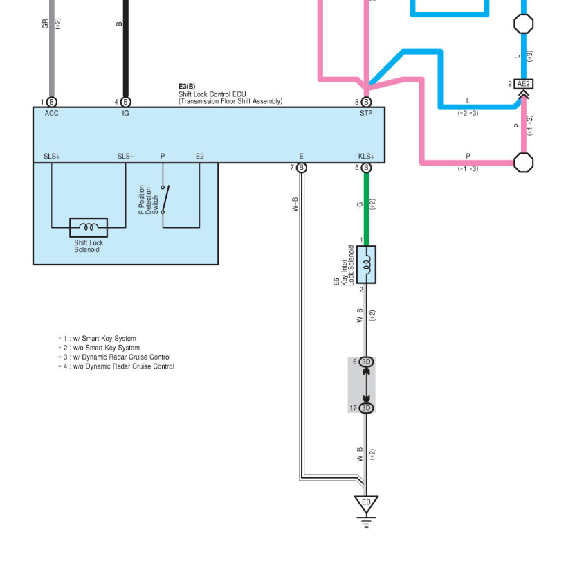
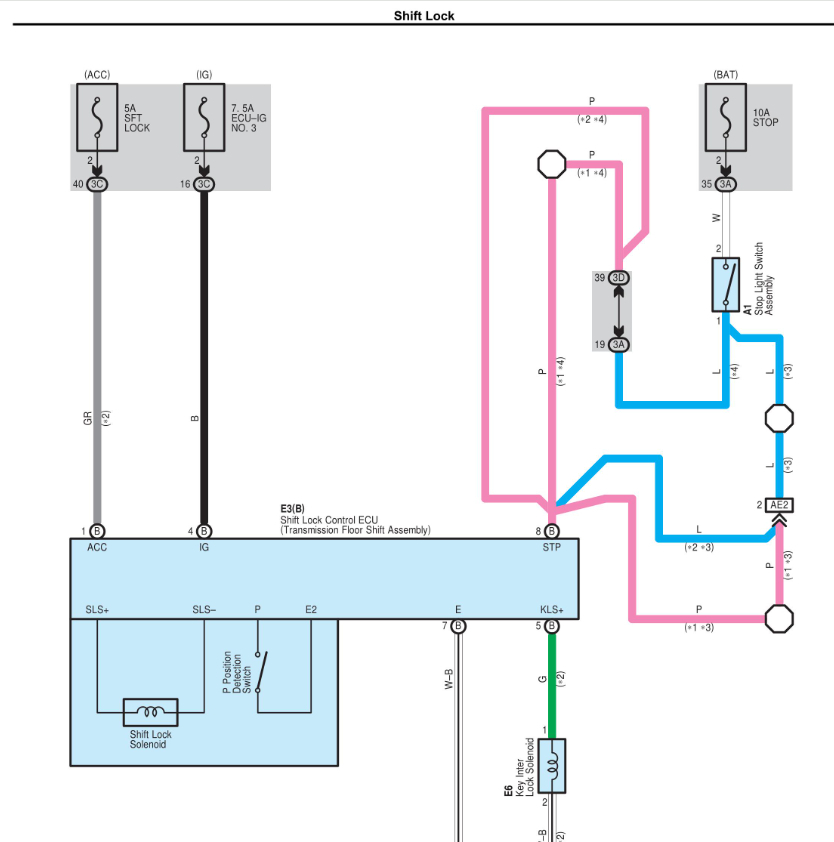
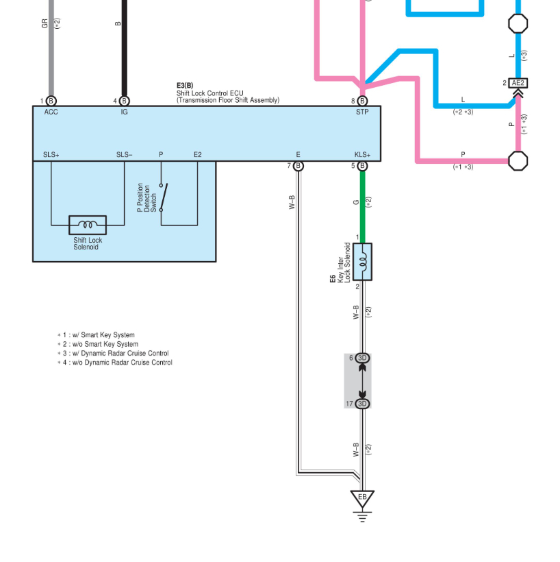
One day, my car was stuck in park. Now when I press the brake, there is no click sound for the shift interlock so annoying. I cannot get it out of park unless I use the manual override button. All the brake lights work properly so I don’t think it’s a brake sensor switch. I haven’t found any blown fuses. Also, there is no check engine light on. My best guess is something electrical with the shift interlock solenoid. How should I go about this problem?
Sep 26, 2024 at 4:54 PM












