Stuck engine oil dipstick?

2005 FORD F-150
240,000 MILES • 5.4L • V8 • 4WD • AUTOMATIC
Avatar
JOEMEADOWS
  • MEMBER
  • 1 POST
I changed my oil and filter yesterday and when I went to pull the dipstick to check oil level it was stuck in place I tried wiggling it around with no luck and then was going to try and use a screwdriver in the loop to pry it out and broke the yellow plastic loop... how do I get the dipstick unstuck and removed so I can replace it with a new one?
Sep 21, 2024 at 9:02 AM
Advertisement
Avatar
STRAILER
  • CERTIFIED EXPERT
  • 53,854 POSTS
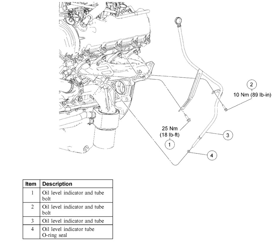
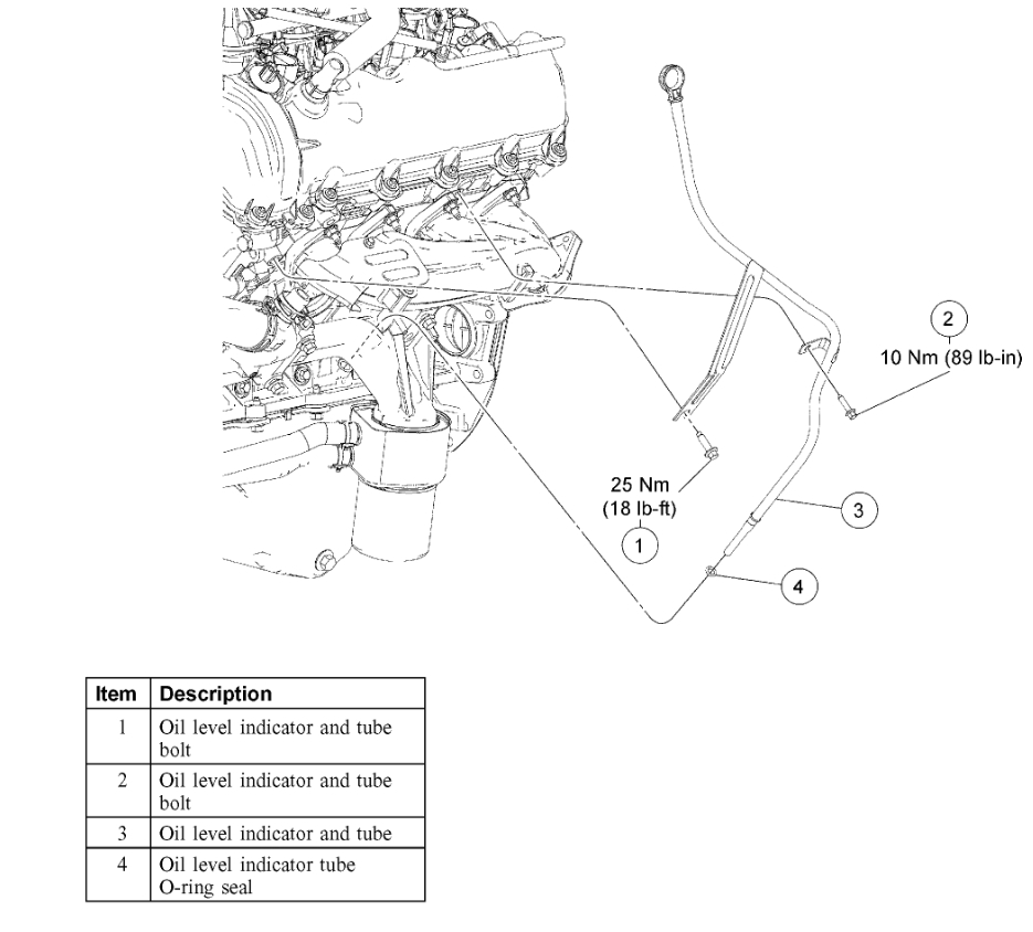
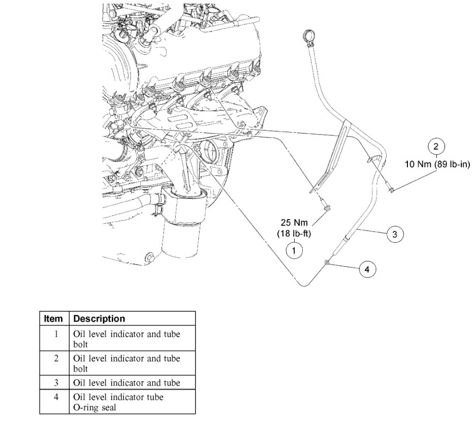
Yep, the engine oil dipstick can get seized into the tube, the best way to fix it is to remove the tube and push it out from the backside. That way you can get a new stick and the problem is fixed. Check out the images (below). Please upload pictures or videos in your response of any problems so we can see what to help you with.
Sep 21, 2024 at 11:22 AM