Codes P1128 and P1129

2011 DODGE CHARGER
143,000 MILES • 3.6L • V6 • 2WD • AUTOMATIC
Avatar
JUANJOSERG10
  • MEMBER
  • 15 POSTS
A while back I had my car give me all these fuel and emission related codes after getting contaminated from bad gas which are now gone after replacing a good amount of sensors and parts. Most recently I replaced the fuel pump and filter but it still threw P1128 and P1129, o2 sensors are all new and I even replaced the coolant temperature sensor and it still gives me those code. what could it be?
Mar 30, 2020 at 11:34 AM
Advertisement
Avatar
ASEMASTER6371
  • CERTIFIED EXPERT
  • 52,796 POSTS
Good afternoon,

These codes are for no closed loop operation from the upstream O2 sensors. It does not mean it is the sensor but it could be many things. I posted below a flow chart and possibilities for the failure. They must be checked to find the root cause of failure.

https://www.2carpros.com/articles/how-to-check-wiring

Roy

P1128-CLOSED LOOP FUELING NOT ACHIEVED - BANK 1

Special Tools:


imageOpen In New TabZoom/Print




imageOpen In New TabZoom/Print


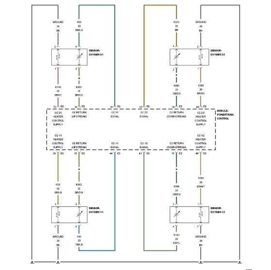
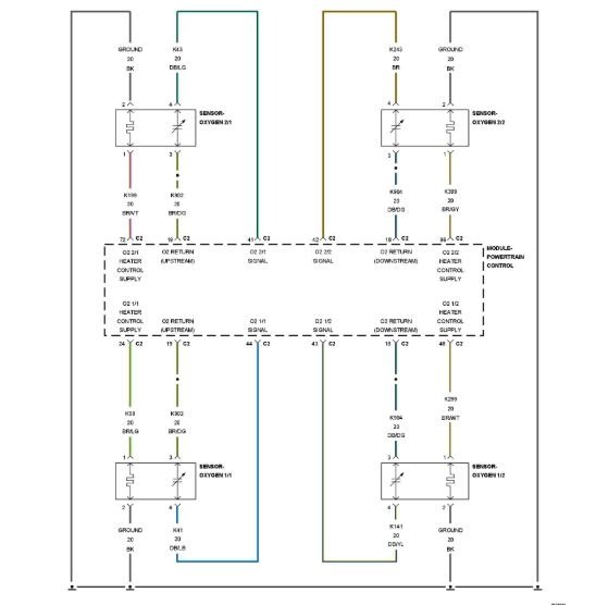
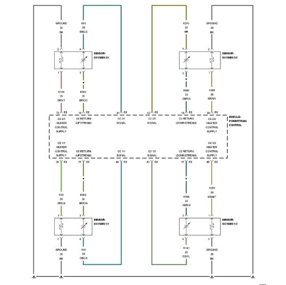
For a complete wiring diagram, refer to the Wiring Information .

When Monitored:
Engine running in closed loop mode.

Set Condition:
Enable conditions are met and the O2 Sensor has not been in closed loop control at least once on each of the two consecutive trips, the MIL illuminates and the DTC is set. Two Trip Fault. Three good trips to turn off the MIL.


imageOpen In New TabZoom/Print


Always perform the Pre-Diagnostic Troubleshooting procedure before proceeding. See: Computers and Control Systems > Initial Inspection and Diagnostic Overview > Pre-Diagnostic Troubleshooting Procedure.

1. ACTIVE DIAGNOSTIC TROUBLE CODE (DTC)
1. Diagnose all other DTCs before continuing.

NOTE: Check for contaminants that may have damaged an O2 Sensor: contaminated fuel, unapproved silicone, oil and coolant.

2. Start the engine.
3. Allow the engine to reach normal operating temperature.
4. With the scan tool, read DTCs.

NOTE: It may be necessary to drive the vehicle to meet the conditions to set this DTC, try to repeat the conditions in which the fault originally set by reviewing the Freeze Frame data.

Is the DTC Active or Pending at this time?

Yes

Go To 2

No

Perform the INTERMITTENT CONDITION diagnostic procedure. See: Computers and Control Systems > Initial Inspection and Diagnostic Overview > Intermittent Condition Test.

2. CHECKING FUEL PRESSURE

WARNING: The fuel system is under a constant pressure (even with the engine off). Before testing or servicing any fuel system hose, fitting or line, the fuel system pressure must be released. Failure to follow these instructions can result in possible serious or fatal injury.

1. Turn the ignition off.
2. Install Fuel Pressure Decay Tester to the fuel rail.
3. Ignition on, engine not running.
4. Using the scan tool, actuate the ASD Fuel System test and observe the fuel pressure gauge.

NOTE: Fuel pressure specification is 400 kPa +/- 14 kPa (58 psi +/- 2 psi).

5. Turn the ignition off.

Choose a conclusion that best matches your fuel pressure reading.

Within Specification

Go To 3

Above Specification

Replace the fuel filter/pressure regulator.
Perform the POWERTRAIN VERIFICATION TEST. See: A L L Diagnostic Trouble Codes ( DTC Verification Tests > Powertrain Verification Test.

Below Specification

Go To 12 CAUTION: Stop All Actuations.

3. O2 SENSOR OPERATION
1. Start the engine.
2. Allow the engine to reach normal operating temperature.

NOTE: If one of the O2 Sensor Signal or Return circuits are shorted to ground the scan tool will display all O2 Sensor voltage readings low. The O2 Sensor that is shorted to ground will display a voltage reading near or at 0 Volts.

NOTE: If one of the O2 Sensor Signal or Return circuits are shorted to voltage, the scan tool will display all O2 Sensor voltage readings high.

NOTE: After the repairs have been made, verify proper O2 Sensor operation. If all the O2 Sensor voltage readings have not returned to normal, follow the diagnostic procedure for the remaining O2 Sensors.

3. Using the scan tool, monitor the O2 Sensor 1/1 voltage reading.

Is the voltage switching between 2.5 and 3.4 Volts?

Yes

Go To 4

No

Go To 8

4. O2 SENSOR 1/1 HEATER OPERATION
1. Turn the ignition off.

NOTE: Wait a minimum of 10 minutes to allow the O2 Sensor to cool down before continuing the test. Allow the O2 Sensor voltage to stabilize at 5.0 Volts.

NOTE: Perform the following test on all O2 Sensors.

2. Ignition on, engine not running.
3. With the scan tool, actuate the 1/1 O2 Heater Test.
4. Using the scan tool, monitor 1/1 O2 Sensor voltage for at least two minutes.

Does the voltage stay above 4.5 Volts?

Yes

Verify that there is good pin to terminal contact in the O2 Sensor and Powertrain Control Module connectors. If OK, replace the O2 Sensor.
Perform the POWERTRAIN VERIFICATION TEST. See: A L L Diagnostic Trouble Codes ( DTC ) > Verification Tests > Powertrain Verification Test.

No

Go To 5

5. MAP SENSOR OPERATION
1. Turn the ignition off.
2. Connect a Vacuum Gauge to a Manifold Vacuum source.
3. Start the engine.
4. Allow the engine to idle.

NOTE: If engine will not idle, maintain a constant RPM above idle.

5. Using the scan tool, read the MAP Sensor vacuum value.

Is the scan tool reading within one inch of Hg on the Vacuum Gauge reading?

Yes

Go To 6

No

Verify that there is good pin to terminal contact in the MAP Sensor and Powertrain Control Module connectors. If OK, replace the MAP Sensor.
Perform the POWERTRAIN VERIFICATION TEST. See: A L L Diagnostic Trouble Codes ( DTC Verification Tests > Powertrain Verification Test.

6. ECT SENSOR OPERATION

NOTE: For this test to be valid, the thermostat must be operating correctly.

NOTE: This test works best if performed on a cold engine (cold soak).

1. Ignition on, engine not running.
2. Using the scan tool, read the Engine Coolant Temperature (ECT) Sensor value. If the engine was allowed to sit overnight (cold soak), the temperature value should be a sensible value that is somewhere close to the ambient temperature.

NOTE: If engine coolant temperature is above 82°C (180°F), allow the engine to cool until 65°C (150°F) is reached.

3. Start the Engine.
4. During engine warm-up, monitor the ECT Sensor value. The temperature value change should be a smooth transition from start up to normal operating temperature 82°C (180°F). The value should reach at least 82°C (180°F).

Did the ECT value increase smoothly and did it reach at least 82°C (180°F)?

Yes

Go To 7

No

Verify that there is good pin to terminal contact in the Engine Coolant Temperature Sensor and Powertrain Control Module connectors. If OK, replace the Engine Coolant Temperature Sensor.
Perform the POWERTRAIN VERIFICATION TEST. See: A L L Diagnostic Trouble Codes ( DTC ) > Verification Tests > Powertrain Verification Test.

7. ENGINE MECHANICAL PROBLEM
1. Turn the ignition off.
2. Check for any of the following conditions/mechanical problems:
AIR INDUCTION SYSTEM - must be free from leaks
ENGINE VACUUM - must be at least 13 inches in neutral
ENGINE VALVE TIMING - must be within specifications
ENGINE COMPRESSION - must be within specifications
ENGINE EXHAUST SYSTEM - must be free of any restrictions or leaks
ENGINE PCV SYSTEM - must flow freely
TORQUE CONVERTER STALL SPEED - must be within specifications
POWER BRAKE BOOSTER - no internal vacuum leaks
FUEL - must be free of contamination
FUEL INJECTOR - plugged or restricted injector, control wire not connected to correct injector

Are there any engine mechanical problems?

Yes

Repair as necessary.
Perform the POWERTRAIN VERIFICATION TEST. See: A L L Diagnostic Trouble Codes ( DTC ) > Verification Tests > Powertrain Verification Test.

No

Go To 11

8. O2 SENSOR

imageOpen In New TabZoom/Print


1. Ignition on, engine not running.
2. Disconnect the O2 Sensor 1/1 harness connector.
3. Using the scan tool, monitor the O2 Sensor 1/1 voltage.
4. O2 Sensor voltage should read between 4.1 and 5.0 Volts on the scan tool with the connector disconnected.
5. Connect a jumper wire between the (K99) O2 Sensor 1/1 Signal circuit and the (K902) O2 Sensor Return circuit in the O2 Sensor harness connector.

NOTE: The voltage should drop from between 4.1 and 5.0 Volts to 2.5 Volts with the jumper wire in place.

Did the O2 Sensor voltage change from between 4.1 and 5.0 Volts to 2.5 Volts when the jumper wire was installed?

Yes

Verify that there is good pin to terminal contact in the O2 Sensor and Powertrain Control Module connectors. If OK, replace the O2 Sensor.
Perform the POWERTRAIN VERIFICATION TEST. See: A L L Diagnostic Trouble Codes ( DTC ) > Verification Tests > Powertrain Verification Test.

No

Go To 9
NOTE: Remove the jumper wire before continuing.


9. O2 SENSOR SIGNAL CIRCUIT
1. Using the scan tool, monitor all the O2 Sensor voltage readings with the jumper wire removed.

NOTE: The scan tool will display all O2 Sensor voltage readings approximately 5.0 Volts when only one O2 Sensor Signal circuit is shorted to voltage.

NOTE: The scan tool will display one O2 Sensor voltage close to zero and the others will read lower than normal when one O2 Sensor Signal circuit contains excessive resistance.

Is the voltage between 4.1 and 5.0 Volts?

Yes

Go To 10

No

Check all the O2 Signal circuits for a short to ground, open or short to voltage. Inspect the O2 Sensor connector and the PCM harness connector. If OK, replace and program the Powertrain Control Module.
Perform the POWERTRAIN VERIFICATION TEST. See: A L L Diagnostic Trouble Codes ( DTC Verification Tests > Powertrain Verification Test.

10. (K902) O2 SENSOR RETURN CIRCUIT

imageOpen In New TabZoom/Print


1. Measure the voltage on the (K902) O2 Sensor Return circuit in the O2 Sensor harness connector.

Is the voltage at 2.5 Volts?

Yes

Go To 11

No

Check the (K902) O2 Return Upstream circuit for a short to ground, open or short to voltage. Inspect the O2 Sensor connector and the PCM harness connector. If OK, replace and program the Powertrain Control Module.
Perform the POWERTRAIN VERIFICATION TEST. See: A L L Diagnostic Trouble Codes ( DTC ) > Verification Tests > Powertrain Verification Test.

11. POWERTRAIN CONTROL MODULE (PCM)
1. Using the wiring diagram/schematic as a guide, inspect the wiring and connectors between the related Sensor and the Powertrain Control Module (PCM).
2. Look for any chafed, pierced, pinched or partially broken wires.
3. Look for broken, bent, pushed out or corroded terminals. Verify that there is good pin to terminal contact in the related Sensor and Powertrain Control Module connectors.
4. Perform any Technical Service Bulletins that may apply.

Were there any problems found?

Yes

Repair as necessary.
Perform the POWERTRAIN VERIFICATION TEST. See: A L L Diagnostic Trouble Codes ( DTC Verification Tests > Powertrain Verification Test.

No

Replace and program the Powertrain Control Module.
Perform the POWERTRAIN VERIFICATION TEST. See: A L L Diagnostic Trouble Codes ( DTC ) > Verification Tests > Powertrain Verification Test.

12. RESTRICTED FUEL SUPPLY LINE

WARNING: The fuel system is under a constant pressure (even with the engine off). Before testing or servicing any fuel system hose, fitting or line, the fuel system pressure must be released. Failure to follow these instructions can result in possible serious or fatal injury.

1. Turn the ignition off.
2. Raise vehicle on hoist and disconnect the fuel pressure line at the fuel pump module.
3. Install Fuel Pressure Decay Tester between the fuel supply line and the fuel pump module.
4. Ignition on, engine not running.
5. Using the scan tool, actuate the ASD Fuel System test and observe the fuel pressure gauge.

NOTE: Fuel pressure specification is 400 kPa +/- 14 kPa (58 psi +/- 2 psi).

Is the fuel pressure within specification?

Yes

Repair or replace fuel supply line as necessary.
Perform the POWERTRAIN VERIFICATION TEST. See: A L L Diagnostic Trouble Codes ( DTC Verification Tests > Powertrain Verification Test.

No

Go To 13 CAUTION: Stop All Actuations.

13. FUEL PUMP INLET STRAINER

WARNING: The fuel system is under a constant pressure (even with the engine off). Before testing or servicing any fuel system hose, fitting or line, the fuel system pressure must be released.

1. Turn the ignition off.
2. Remove the Fuel Pump Module and inspect the Fuel Inlet Strainer.

Is the Fuel Inlet Strainer plugged?

Yes

Replace the Fuel Pump Inlet Strainer.
Perform the POWERTRAIN VERIFICATION TEST. See: A L L Diagnostic Trouble Codes ( DTC ) > Verification Tests > Powertrain Verification Test.

No

Go To 14

14. FUEL PUMP MODULE

Repair

Verify that there is good pin to terminal contact in the Fuel Pump Module, Relay and Powertrain Control Module connectors. If OK, replace the Fuel Pump Module. See: Fuel Gauge Sender > Removal and Replacement > Fuel Pump Module - Removal.
Perform the POWERTRAIN VERIFICATION TEST. See: A L L Diagnostic Trouble Codes ( DTC ) > Verification Tests > Powertrain Verification Test.
Mar 30, 2020 at 12:33 PM