Stock amp wire diagram

2009 CHRYSLER ASPEN
197,000 MILES • V8 • 2WD • AUTOMATIC
Avatar
JOEYSKATER16
  • MEMBER
  • 2 POSTS
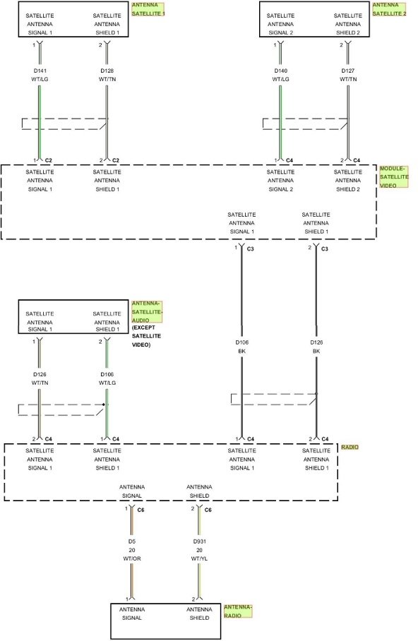
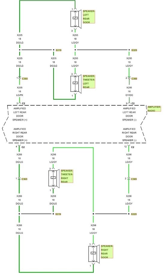
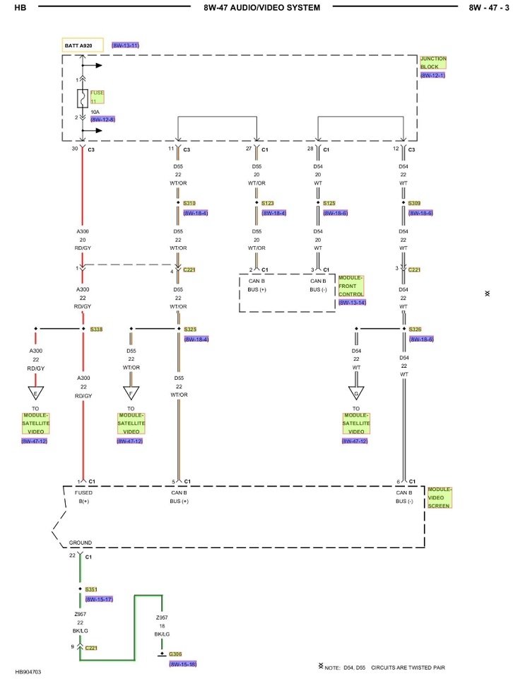
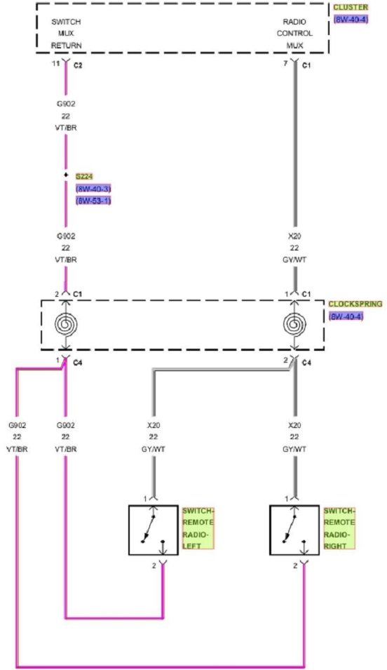
I’m trying add a sub woofer to my car, I can’t seem to fine the wiring diagram for the amp.
Jul 3, 2020 at 7:46 PM
Advertisement
Avatar
CARADIODOC
  • CERTIFIED EXPERT
  • 34,306 POSTS
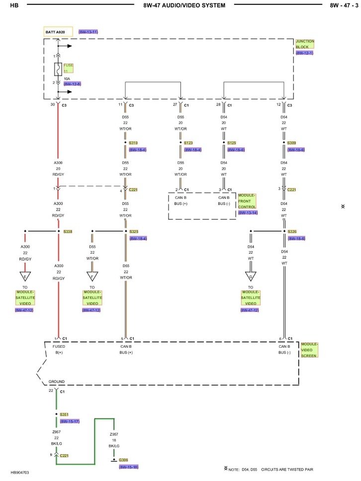
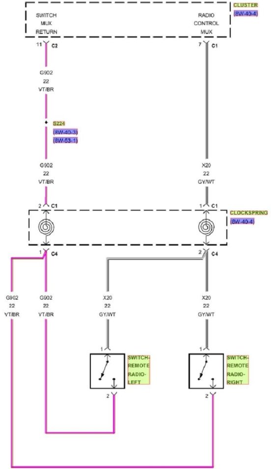
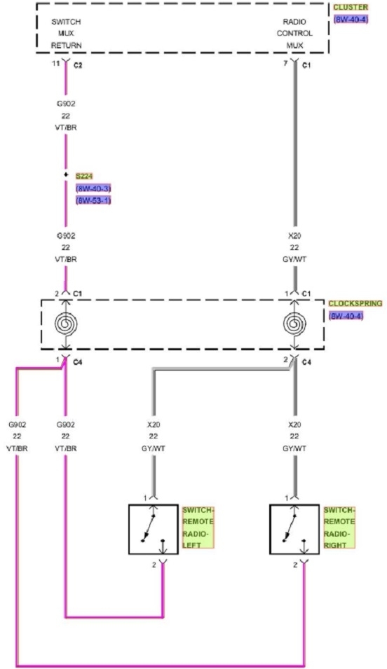
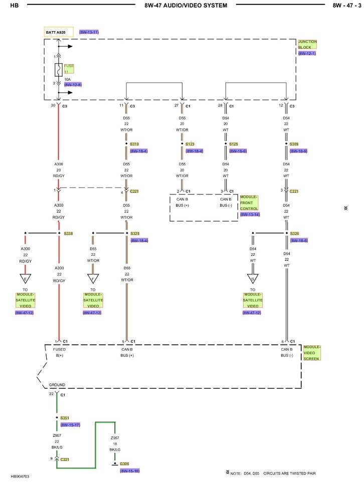
This was a pretty tedious project, and you may find the diagrams too hard to read. If so, let me know which ones you need, then I'll split them up and enlarge them for you.
Jul 3, 2020 at 9:54 PM
Avatar
JOEYSKATER16
  • MEMBER
  • 2 POSTS
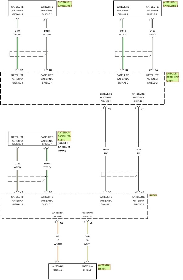
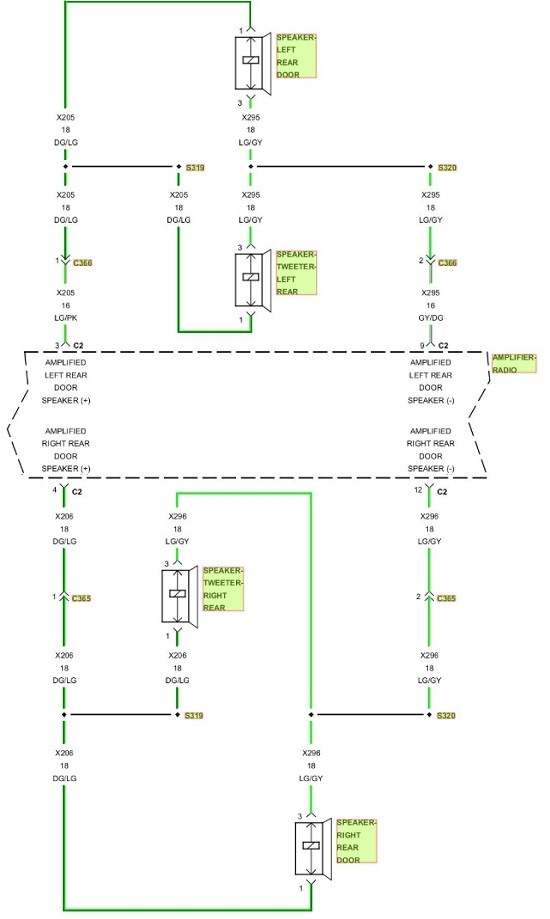
yes pic number 15-16-17 even though i think those are for the radio not the amp.
Jul 4, 2020 at 12:16 AM
Advertisement
Avatar
DANNY L
  • CERTIFIED EXPERT
  • 5,648 POSTS
Hello, I'm Danny.

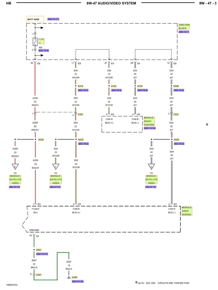
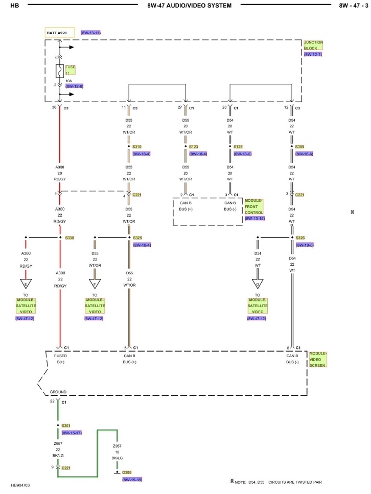
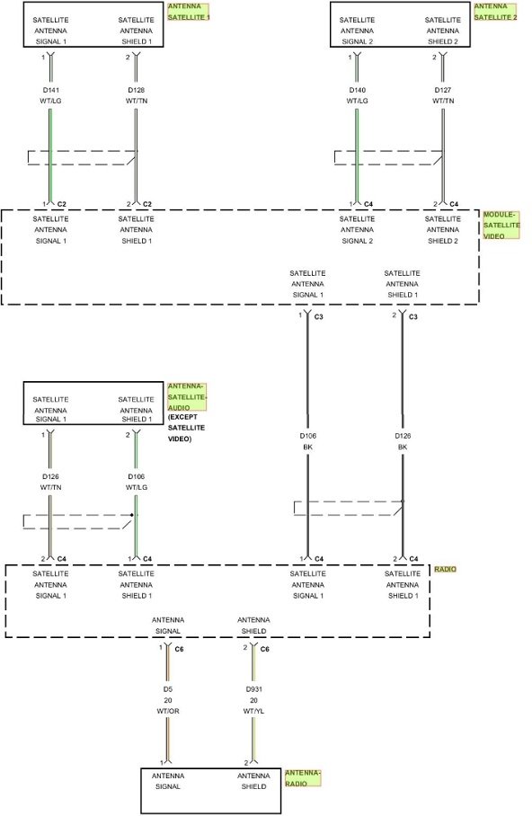
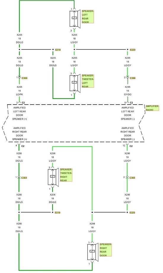
Here is a wiring diagram for your car's premium sound system amplifier which is mounted in the right kick panel. I've cut the picture into 3 pieces so you can view larger.Hope this helps and thanks again for using 2CarPros.
Jul 4, 2020 at 12:50 AM
Avatar
CARADIODOC
  • CERTIFIED EXPERT
  • 34,306 POSTS
Sorry, that I overlooked the amp connectors. That was the one mistake I was allowed this week!
Jul 4, 2020 at 1:47 AM