Still no front right turn, after switch and bulb replacement

2003 MERCEDES BENZ C320
108,000 MILES
Avatar
PRODPHOTOG
  • MEMBER
  • 2 POSTS
I successfully replace my turn indicator switch, (which wouldn't stay in direction right for full turn), but that didn't fix the rapid clicking and solid light-on (even when key off). Any suggestions?
Jul 12, 2019 at 3:04 PM
Advertisement
Avatar
KASEKENNY
  • CERTIFIED EXPERT
  • 18,907 POSTS
Hi,

Just a couple questions. Does the right front marker light work? Also, have you checked for voltage at the lamp itself?

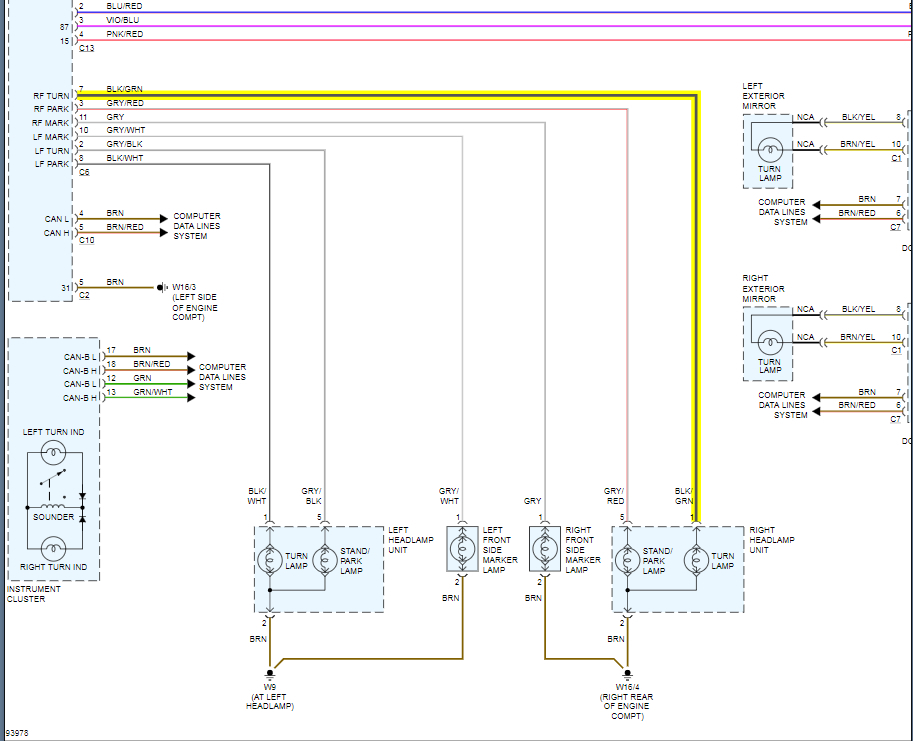
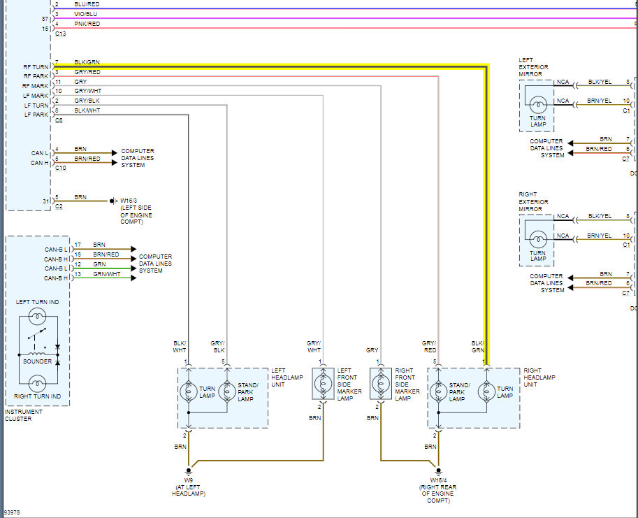
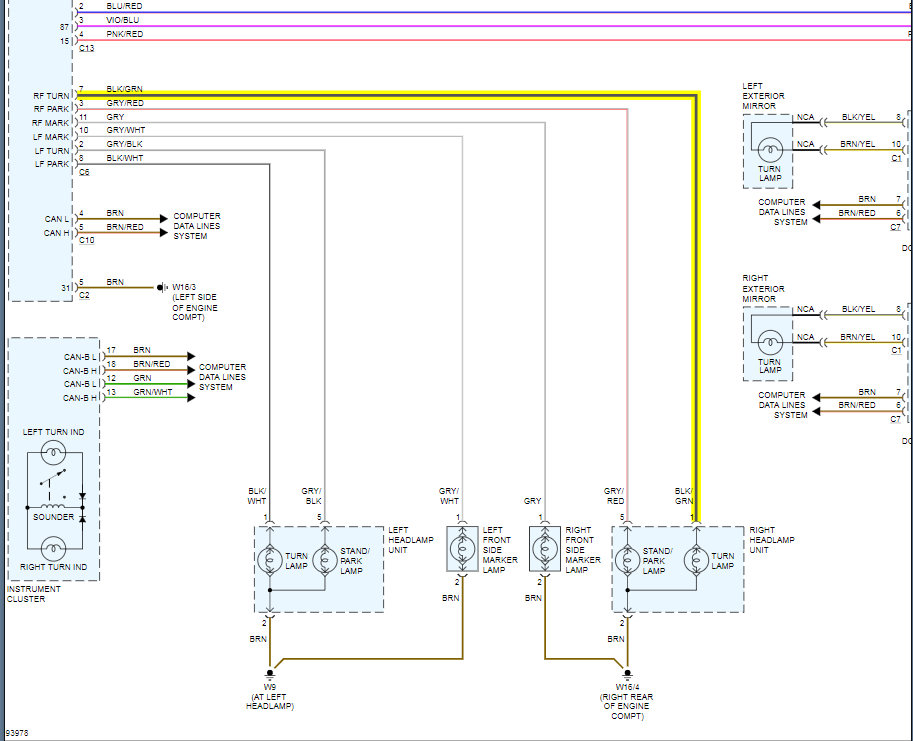
I attached the wiring diagram. If you look at the circuit I highlighted this is the wire that turns the bulb on. You need to turn the signal on and see if you have voltage going to the bulb. I am going to assume you do not. Then you need to go to the other end of that wire and measure to see if you have voltage coming out of the SAM control box. I included the location of the module. You are looking for the black and green wire on C6 pin 7.

If you have voltage coming out but not at the bulb then you have a wiring issue. If you don't have voltage coming out then you have a failed module.
Jul 12, 2019 at 6:18 PM
Avatar
PRODPHOTOG
  • MEMBER
  • 2 POSTS
Still doesn't work.
Jul 13, 2019 at 12:05 PM
Advertisement
Avatar
PRODPHOTOG
  • MEMBER
  • 2 POSTS
Yes so all other lights work, even this Left-front turn indicator in question (stays on solid light, even when key turned off, and gets hot, thus must remove bulb). So not a power/ground issue. Rear turn light flashes faster.
Jul 13, 2019 at 4:01 PM
Avatar
KASEKENNY
  • CERTIFIED EXPERT
  • 18,907 POSTS
Okay. Just so I understand. All lights work but the only issue is the right front turn light stays on all the time? If this is the case it seems you either have a shorted module (SAM) or a shorted wire to power. If I understand your second to last update, have you replaced this module as well?

If so then this black/green wire from the module is shorted to power. The module is responsible for applying and removing power and if the power never goes off then it is getting it from somewhere else.

If it were me, I would plug the bulb in and then just cut the black and green wire about three inches from the module. My guess is the light will stay on. If it does then you need to run a new wire or find the short and repair it. It may be easier to just run a new wire. So you cut the same wire down at the headlamp and run a new one connecting it to the module end and lamp ends that you just cut. You can just leave the old wire in the harness. The only problem with doing it this way is if it is getting power from another wire, then you have another power wire that is hot at all times rubbed through as well. This may cause issues in the future if you don't find it.

Let me know what you find and we can go from there.
Jul 13, 2019 at 6:46 PM