The engine will not crank or start it is like the battery is drained?

1994 CHEVROLET ASTRO
23,000 MILES • 4.3L • 6 CYL • 2WD • AUTOMATIC
Avatar
STECEN
  • MEMBER
  • 6 POSTS
My vehicle listed above EXT won't turn on or start it's like the battery is dead but my head lights work no dash lights no gages come up but it does not crank or start and the battery I tested it and it's at 13Vollts and I replaced the ignition switch and alternator and starter solenoid and checked all fuses and replaced all relays still nothing. could you please give me some advice on this?
Oct 10, 2024 at 5:17 PM
Advertisement
Avatar
STRAILER
  • CERTIFIED EXPERT
  • 53,854 POSTS
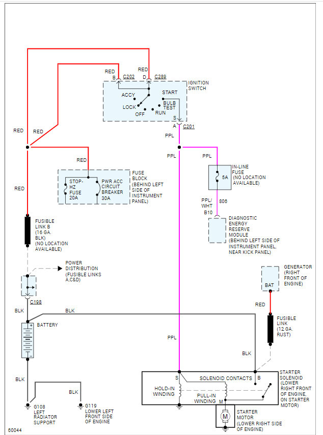
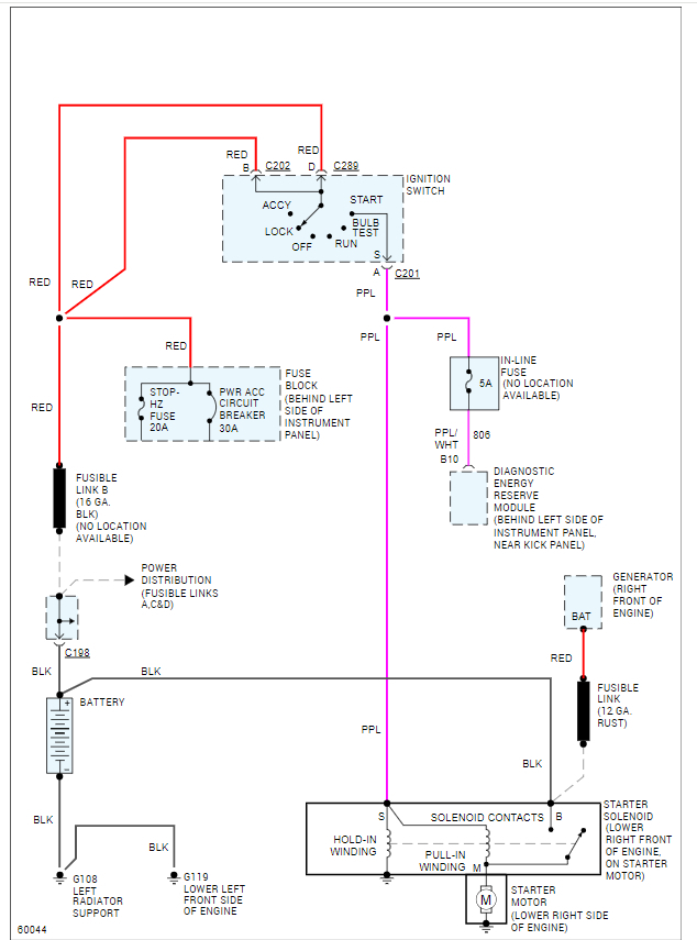
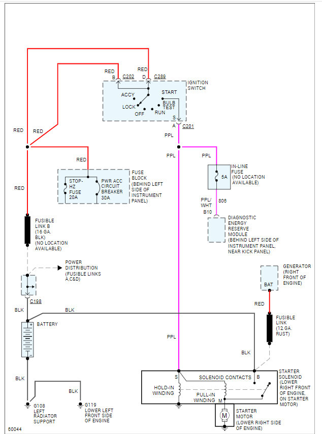
We need to see if the starter is getting a signal to the solenoid from the ignition switch.

This guide will help you will need a test light:

https://www.2carpros.com/articles/starter-not-working-repair

Also, see if you are getting power to the red wires at the ignition switch, if not the fusible link is out. Here is the starter wiring diagrams so you can see how the system works. Check out the images (below). Let us know how it goes.
Oct 10, 2024 at 5:58 PM
Avatar
STECEN
  • MEMBER
  • 6 POSTS
I have done all of that everything checks out good, but van still has nothing. I'm at a loss here I don't know what to do.
Oct 11, 2024 at 5:59 AM
Advertisement
Avatar
STRAILER
  • CERTIFIED EXPERT
  • 53,854 POSTS
So, the trigger wire gets a signal when the crank command is given, correct? If so, I would replace the starter. Does the engine turn over by hand? This video can help:

https://www.youtube.com/watch?v=oN42gZN6gOE&t=37s

Here is how to change out the starter motor. Check out the images (below). Please let us know what happens.
Oct 11, 2024 at 10:40 AM
Avatar
STECEN
  • MEMBER
  • 6 POSTS
I made sure that the starter was good, and it is I had it tested it passed the test and it's still the same thing happening. I have head lights tail lights and a dome light but absolutely nothing else is turned on and I took a test light to every single thing I could think of and it all showed it had power going to it now I have absolutely no clue what it is or what it could be at this point.
Oct 11, 2024 at 2:48 PM
Avatar
STECEN
  • MEMBER
  • 6 POSTS
And yes, the engine does turn by hand.
Oct 11, 2024 at 2:49 PM
Avatar
STECEN
  • MEMBER
  • 6 POSTS
And yes the engine does turn by hand
Oct 11, 2024 at 2:50 PM
Avatar
STRAILER
  • CERTIFIED EXPERT
  • 53,854 POSTS
So to confirm the starter solenoid trigger wire is getting power when the key is in the crank position, correct?
Oct 13, 2024 at 11:37 AM
Avatar
STECEN
  • MEMBER
  • 6 POSTS
Yes, that's correct.
Oct 13, 2024 at 4:54 PM
Avatar
STRAILER
  • CERTIFIED EXPERT
  • 53,854 POSTS
So if the trigger wire is getting signal, and the battery is good and the battery cables look okay you have a defective starter.
Oct 14, 2024 at 9:52 AM
Avatar
STECEN
  • MEMBER
  • 6 POSTS
No, I went and had it tested, and it passed AutoZone's test and at Advanced Auto parts just to get a second opinion but it's all has power going to it just will not start or make any kind of noise no dash lights but headlights and taillights and dome lights work, but absolutely nothing else.
Oct 14, 2024 at 11:29 AM
Avatar
STRAILER
  • CERTIFIED EXPERT
  • 53,854 POSTS
The main starter power and trigger wiring diagram are above, please use a test light to see where you are losing power. Because the trigger wire has power, and the battery is good and cables to the block and starter are good the starter should work.
Oct 15, 2024 at 8:49 AM
Avatar
STECEN
  • MEMBER
  • 6 POSTS
Yes, that's correct but I did use a test light for everything and a volt Metter and everything I checked is good and still have nothing but my headlights taillights and dome lights that's it no sound at all. I'm just at a complete loss of what to do and where this problem is.
Oct 15, 2024 at 9:01 AM