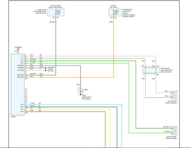
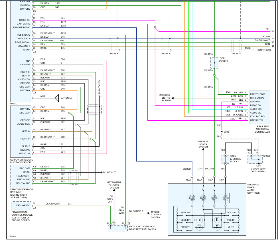
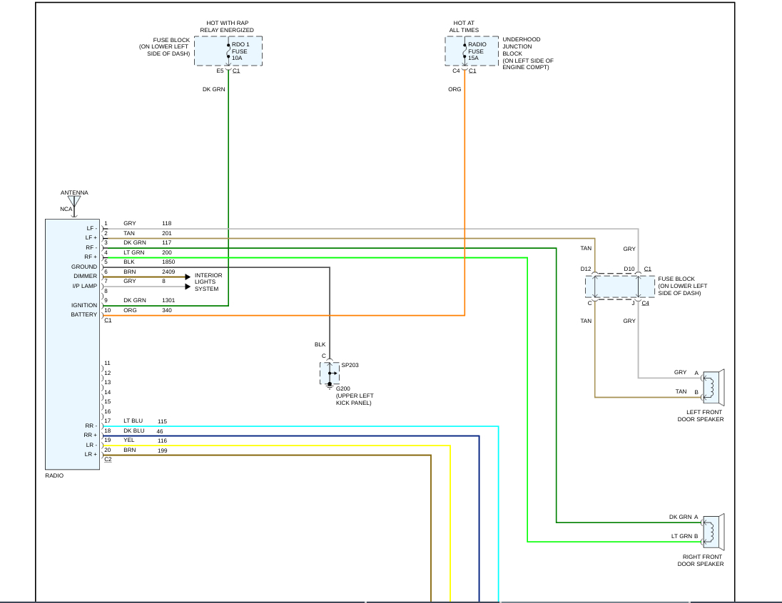
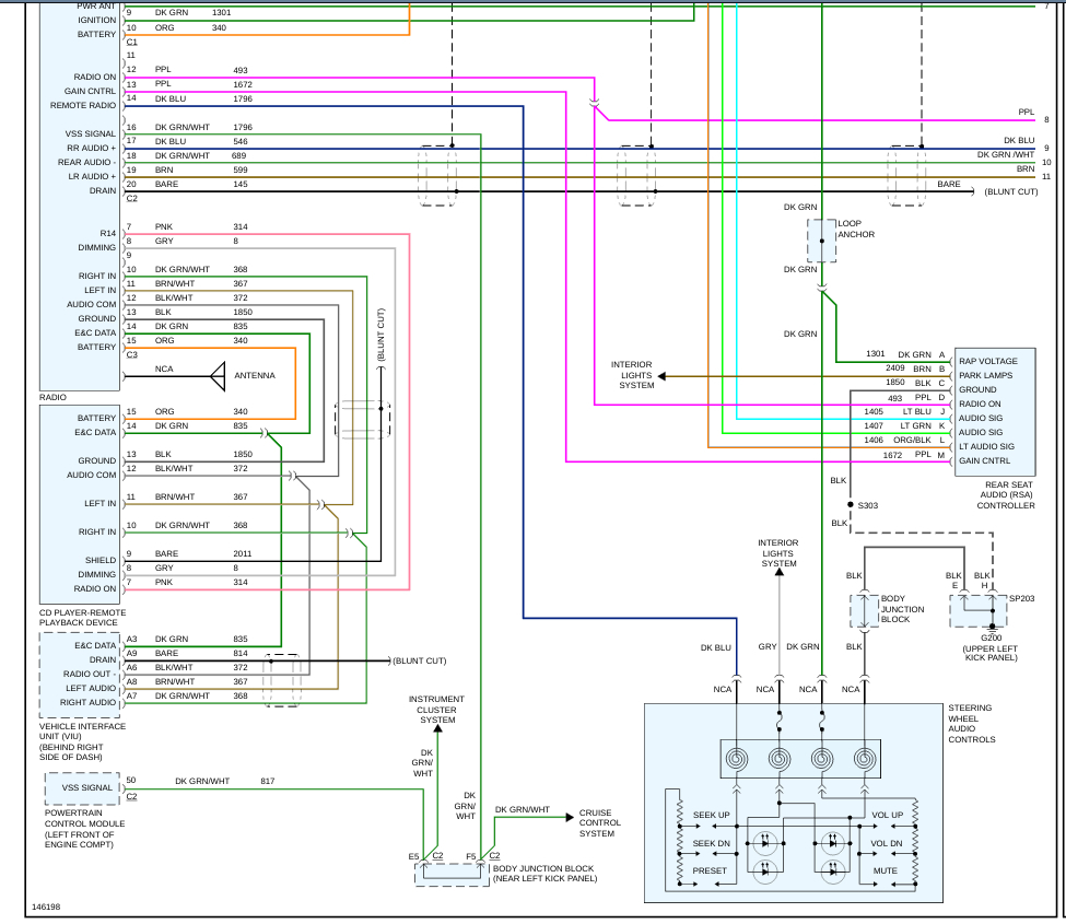
Hello guys, I just wanted to ask if anyone knows which stereo wiring diagram is the correct one for my car. I couldn't find the right one, and I notice that I have several colors that are the same; I have 6 green cables, 3 browns, two orange, one blue, one purple, one black, one that seems to be like yellow. If anyone knows I would appreciate it. thanks.
Jan 5, 2020 at 5:52 PM















