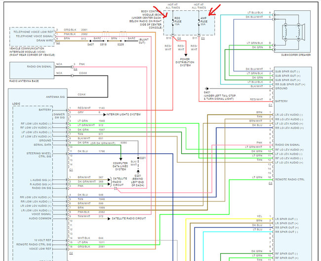
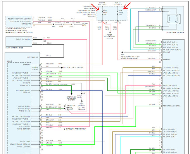
My battery died and when I got a jump start the stereo did not work after that. It does not turn on at all. I checked fuses and their all good. What is wrong with it and how can I fix it?
Dec 13, 2018 at 2:04 AM





