stereo fuses and clock

2002 MITSUBISHI ECLIPSE
177,211 MILES • 2.4L • 4 CYL • 2WD • MANUAL
Avatar
  • MEMBER
  • 1 POST
i have found the fuse boxes, but have no luck fixing the stereo or clock on. engine comp shows a music symbol for ten amp, the one on dash shows music symbol twenty amp but it says upper. where is it?
Jun 8, 2017 at 7:58 AM
Advertisement
Avatar
STRAILER
  • CERTIFIED EXPERT
  • 53,854 POSTS
Hello,

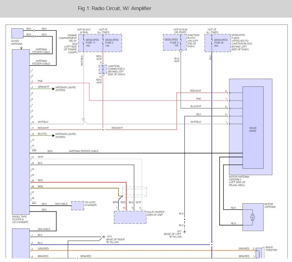
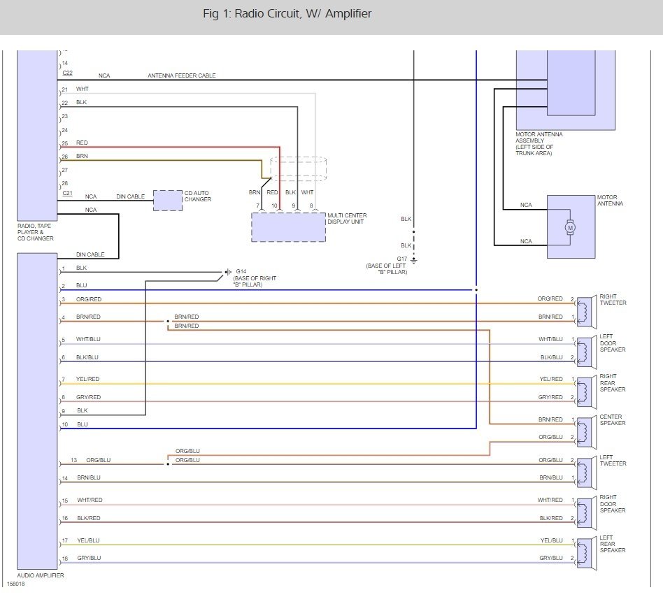
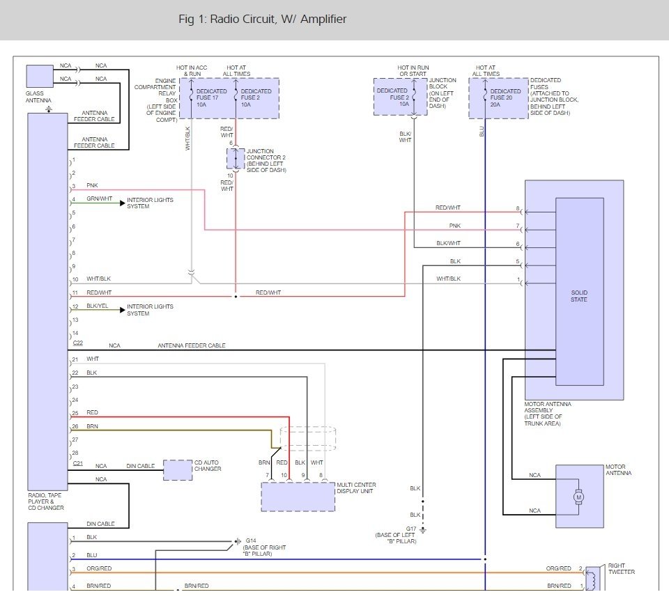
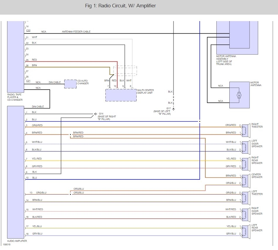
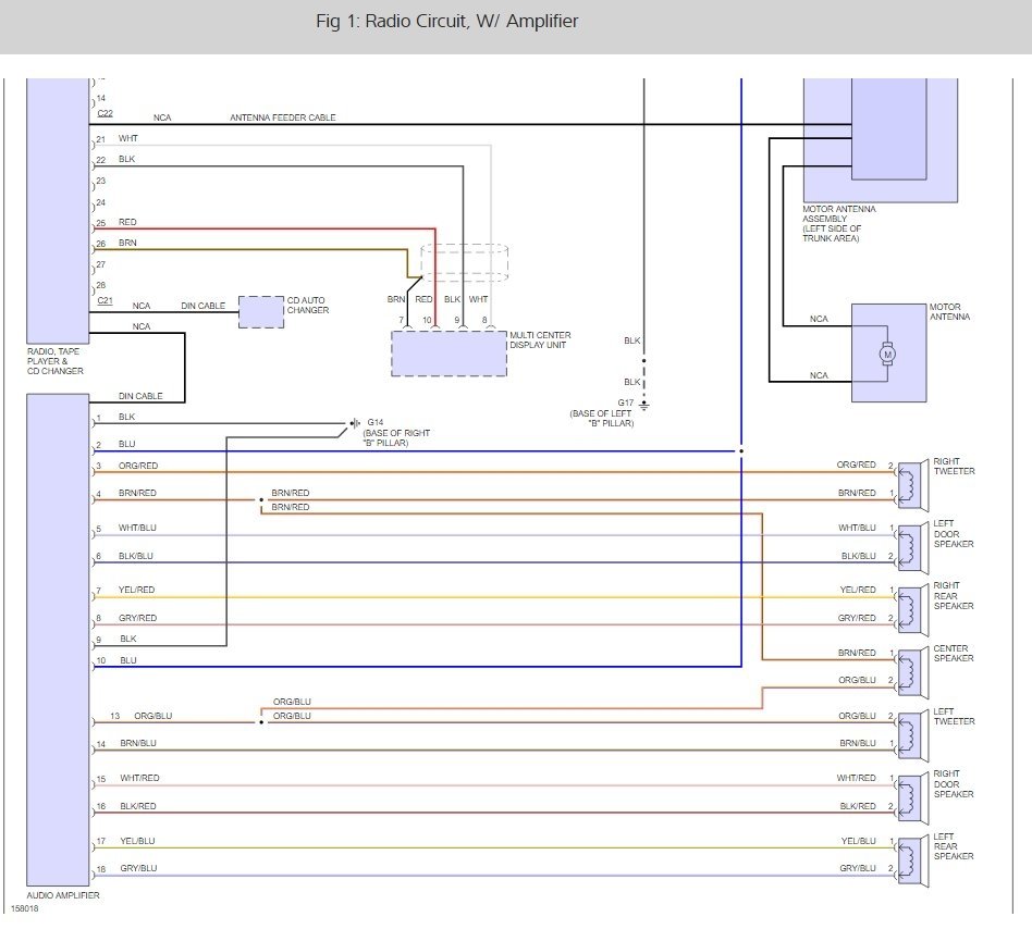
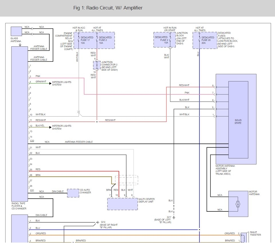
I have found the wiring diagrams and fuse panel diagrams along with a couple of guide to help you get the job done.

https://www.2carpros.com/articles/how-to-check-a-car-fuse

and

https://www.2carpros.com/articles/how-to-use-a-test-light-circuit-tester

Check for power going to the radio and make sure there is power on both sides of the fuse for the radio

Please run some tests and get back to us so we can continue helping you.

Cheers, Ken
Jun 10, 2017 at 11:06 AM