Steering wheel light on?

2017 SUBARU WRX
73,000 MILES • 2.0L • 4 CYL • 4WD • MANUAL
Avatar
ZACK POWELL
  • MEMBER
  • 1 POST
Steering wheel light is on, and my car starts just fine, but I have to put key in the on position and wiggle the steering wheel every time for the pressure to release and then the car drives like normal.
Aug 13, 2023 at 9:45 PM
Advertisement
Avatar
STRAILER
  • CERTIFIED EXPERT
  • 53,854 POSTS
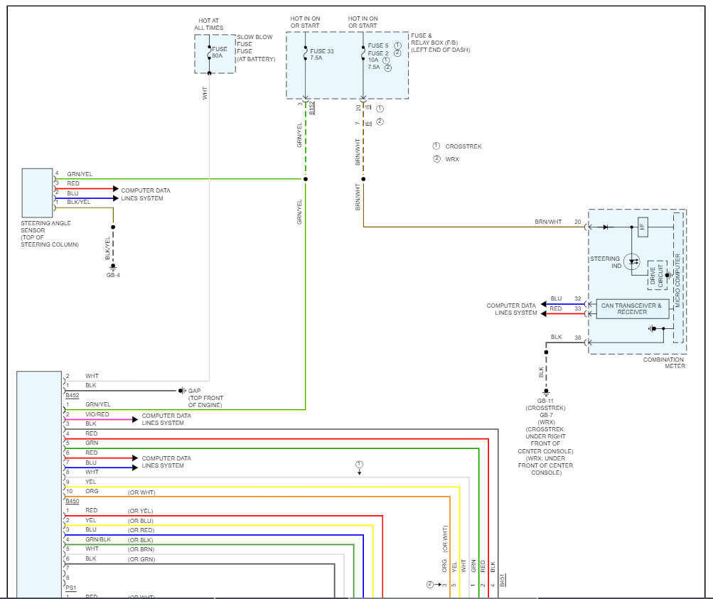
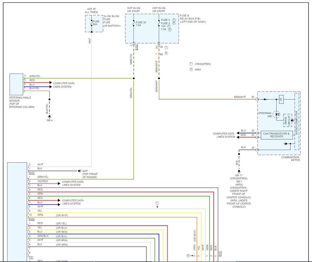
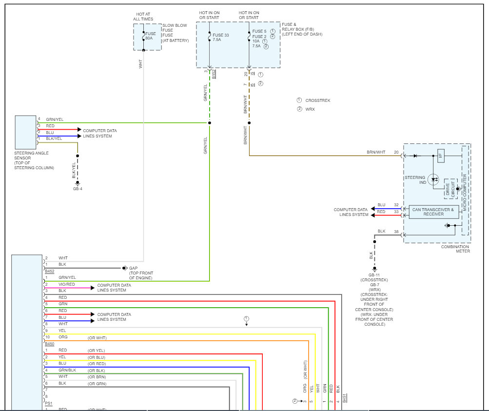
This can be a fuse, steering control module, torque sensor, steering angle sensor or the steering motor. Here are the wiring diagrams of the steering system so you can see how the system works. We should run a CAN scan this will tell us what the problem is after you check the fuses. You can see the fuses to check in the steering wiring diagrams.

https://www.2carpros.com/articles/how-to-check-a-car-fuse

You can get a CAN scanner (Controller Area Network) which will work on most cars from Amazon.

Here is a video to show you how:


https://youtu.be/u-4syLc-ifQ



If the fuses are okay changes are the steering motor has gone out which is common. Check out the images (below). Please let us know what happens.
Aug 14, 2023 at 6:05 PM