Steering wheel controls

2005 TOYOTA SIENNA
108,000 MILES • 3.3L • V6 • 4WD • AUTOMATIC
Avatar
PCULQUI
  • MEMBER
  • 354 POSTS
Which cables are for the steering wheel controls in my van? I installed an aftermarket radio and it came with a key1 and key2 for steering wheel I believe. The main harness also has a steering wheel wire in it.
Aug 18, 2020 at 11:54 AM
Advertisement
Avatar
DANNY L
  • CERTIFIED EXPERT
  • 5,648 POSTS
Hello, I'm Danny.

Before we get started I need to know what stereo system your van is equipped with. I've attached a picture below of the options.Let us know and we'll be happy to help.Hope this helps and thanks for using 2CarPros.
Aug 18, 2020 at 12:51 PM
Avatar
PCULQUI
  • MEMBER
  • 354 POSTS
It came without navigation and rear seat audio.
Aug 18, 2020 at 1:49 PM
Advertisement
Avatar
DANNY L
  • CERTIFIED EXPERT
  • 5,648 POSTS
Hello again.

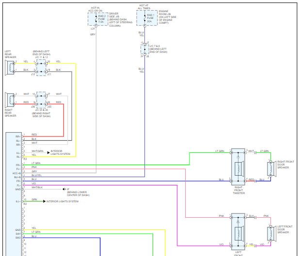
Here is the wiring diagram you requested for vans radio without navigation and without rear seat audio. I've attached the picture below and cut into 2 pieces so you can view larger. I've circled in red the 3 wires which are in color for the steering wheel controls.Hope this helps and thanks for using 2CarPros.

Danny-
Aug 19, 2020 at 9:36 AM
Avatar
PCULQUI
  • MEMBER
  • 354 POSTS
I'm sorry, I meant without navigation and with rear seat audio.
Aug 19, 2020 at 12:52 PM
Avatar
PCULQUI
  • MEMBER
  • 354 POSTS
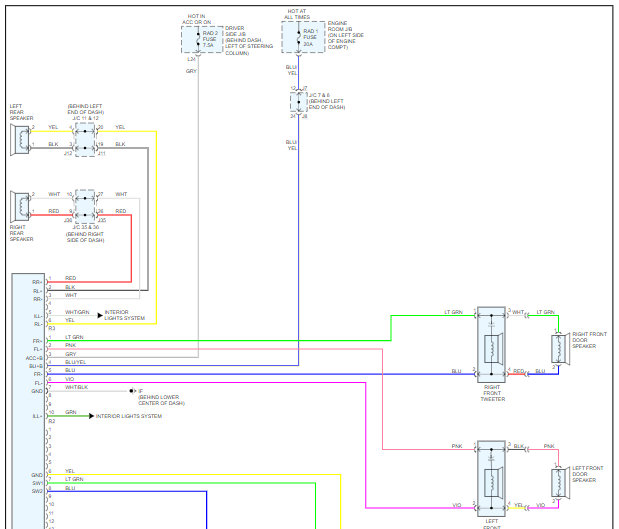
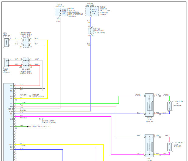
In the second diagram outlined in red, the blue and light green wires are for the steering wheel controls. Can I use the wires in my aftermarket radio with key1 and key2 to connect to the SW1 and SW2 blue and light green wires?
Aug 19, 2020 at 1:01 PM
Avatar
DANNY L
  • CERTIFIED EXPERT
  • 5,648 POSTS
Hello again.

The wiring diagram remains the same for wire colors for without navigation and having rear audio. Yes, use those wires for key 1 and 2. I've attached a picture again below.Hope this helps and thanks again for using 2CarPros.

Danny-
Aug 21, 2020 at 8:34 AM