Steering wheel column locked

2001 JAGUAR S-TYPE
166 MILES • 3.0L • V6 • 2WD • AUTOMATIC
Avatar
RAMZITH1
  • MEMBER
  • 70 POSTS
When switching the to on position, the display screen shows the steering wheel column locked and the car not cranking.

Replaced the steering wheel column lock, and the front ECM, but still the same.

Replaced the ignition with key, but same.

Checked all the fuses are okay.

Checked the lock power, it has no power reached to it.

Can you please help? thanks

Ramzi
Nov 29, 2019 at 1:55 PM
Advertisement
Avatar
KASEKENNY
  • CERTIFIED EXPERT
  • 18,907 POSTS
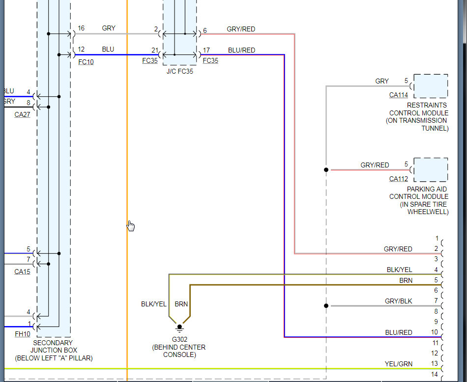
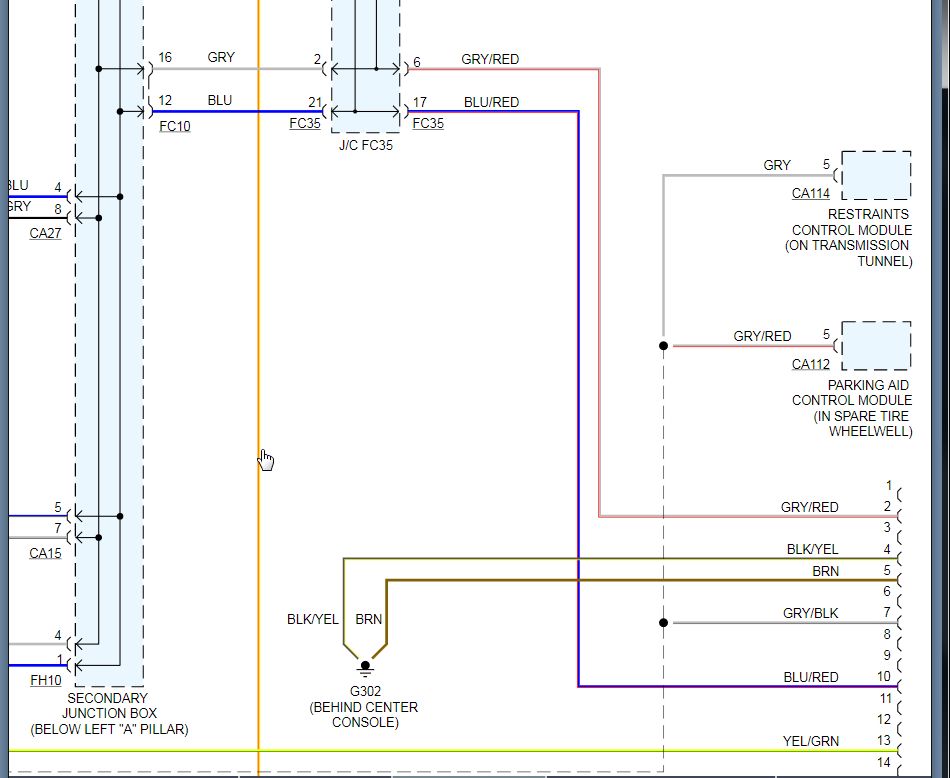
So I think we should have a code in the system because this system is electronically controlled. See the highlighted portion.

If there is something preventing the lock from disengaging it should set a code to tell us what it is. If not, then we appear to have a control module issue which would be the REM , GEM, and cluster. Hopefully we have a code to point us to the correct system.

Let me know and we can go from there.
Nov 30, 2019 at 5:46 AM
Avatar
RAMZITH1
  • MEMBER
  • 70 POSTS
Hi,

It is the steering column lock (No.1) in the picture you attached has no power, also checked for a code, the result is negative.

The steering wheel is moving easily in all directions.
Nov 30, 2019 at 6:22 AM
Advertisement
Avatar
KASEKENNY
  • CERTIFIED EXPERT
  • 18,907 POSTS
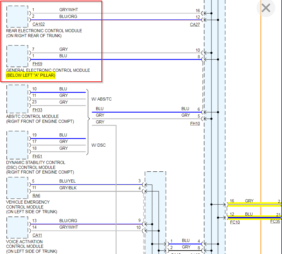
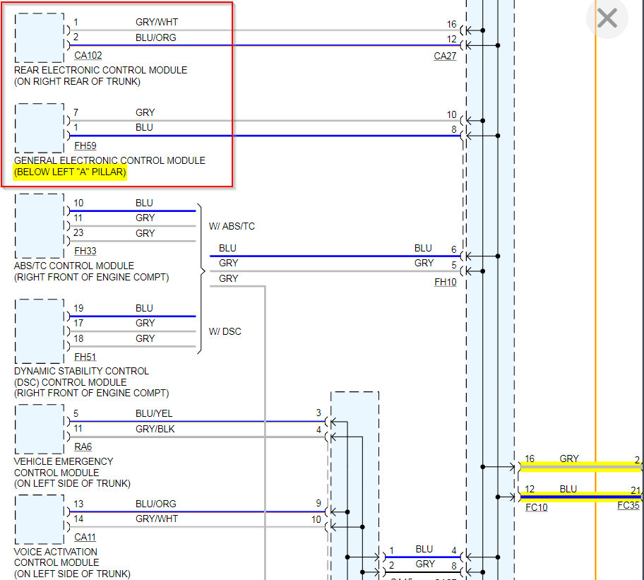
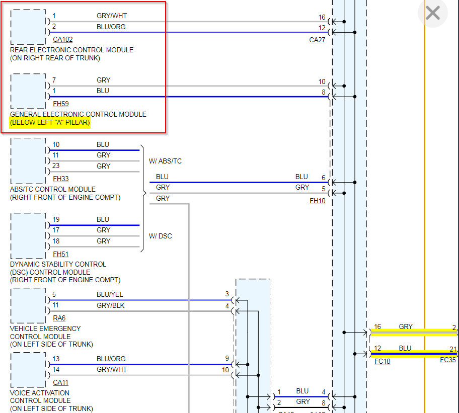
Okay. So if you look at the wiring diagrams you replaced the steering column lock module. You also said you replaced the front ECM. Do you mean the General Electronic Control Module?

The way this works is when you put the key in the ignition, the SCLM (see attached) tries to unlock the column. However, it needs to communicate with the GEM and REM in order to know that it is okay to release the lock. So if the wheel is turning freely then the SCLM is actually releasing it. That means we need to figure out why the cluster is just saying that.

When you say the lock module has no power, where did you measure this? Which wire were you checking and were you using a test light or a voltmeter?

If the column lock is actually working then I suspect something is telling the cluster to display that.

The other option that we have as to what is happening is the clock spring has an issue sending the signal to the lock module and so the locking pin is disengaged.
Nov 30, 2019 at 5:15 PM
Avatar
RAMZITH1
  • MEMBER
  • 70 POSTS
Yes, I replaced the front ECM on the left side of the driver side, my car is (LHD), not the GECM.

Also, replaced the rear ECM in the trunk and the instrument cluster too, but no luck the SCLM has no power.

I checked all the wiring that goes to the SCLM with normal test wire but no luck for power, I cant hear it activate when I insert the key in or out.

Please tell me how to check this clock spring and where it is located.

Appreciate your help, I do love this car, it was purchased since 2001 and still like a new car.




Dec 1, 2019 at 9:46 AM
Avatar
KASEKENNY
  • CERTIFIED EXPERT
  • 18,907 POSTS
Okay. I don't suspect you have an issue with the clock spring itself but instead the GECM or the RECM. The way I read this, they are part of the control system. So is that correct that the wheel turns but the cluster is the only thing pointing us towards the lock module? And this is preventing the vehicle from starting?
Dec 1, 2019 at 8:47 PM
Avatar
RAMZITH1
  • MEMBER
  • 70 POSTS
Yes, the wheel turns freely because the SCLM is still out of the column.
Dec 1, 2019 at 9:11 PM
Avatar
KASEKENNY
  • CERTIFIED EXPERT
  • 18,907 POSTS
So maybe I am not understanding. This issue of the car not starting is still happening after you replaced the SLCM? I am not sure why you still have it out of the vehicle? Also, have you checked for codes with everything hooked up? Clearly we are missing something so we need to make sure we have covered all the bases.
Dec 2, 2019 at 7:49 PM
Avatar
RAMZITH1
  • MEMBER
  • 70 POSTS
Yes, we are missing something for sure, I have checked for any codes 3 times but negative.

For not attaching the SLCM just to check if working or not before fixing back.

Checked all the fuses, there's no defects.

What else to check?

Should I replace the GECM? some how it is difficult to reach.

I am actually very sad for loosing this car.

Dec 3, 2019 at 8:27 AM
Avatar
KASEKENNY
  • CERTIFIED EXPERT
  • 18,907 POSTS
Okay. The thing I fear is that this is a wiring issue. Can you hook everything back up but don't reassembly everything so you still have access to it. Then disconnect the battery for 10 minutes then reconnect it and retest? I am not thinking this will fix it but once we confirm the steering is locked, wiggle the harness at the SCLM? I am wondering if by wiggling the harness the lock will click. Clearly you need to have the key in the ignition so that it should release the lock.

If this doesn't do anything then I am going to suspect something is telling the SCLM to lock it. This would be the GECM or even the REM because they are what control the security system and locking system.
Dec 3, 2019 at 7:54 PM
Avatar
RAMZITH1
  • MEMBER
  • 70 POSTS
Okay, will do what you suggested.

I will be back, thanks
Dec 3, 2019 at 8:41 PM
Avatar
RAMZITH1
  • MEMBER
  • 70 POSTS
Hi, I hook everything back but still no luck.

I found some water in the trunk under the spare tire, now I am cleaning up this up. does it mean anything to you I mean the water in the trunk?
Dec 5, 2019 at 7:52 PM
Avatar
KASEKENNY
  • CERTIFIED EXPERT
  • 18,907 POSTS
I doubt the water in the trunk will cause this unless you find it running over a harness. Then we can dig further into that.

Did you replaced the GECM or just hook everything back up?
Dec 6, 2019 at 4:59 PM
Avatar
RAMZITH1
  • MEMBER
  • 70 POSTS
GECM not replaced, as I heard it has the VIN number which cannot be changed.

It is a very little water in the trunk, but can you check the attached picture, this is what found.

Everything is hooked up, the SLCM is back also, the steering wheel now locked.

I noticed the trunk cannot be open by the remote, only manually by the key.
Dec 6, 2019 at 7:16 PM
Avatar
KASEKENNY
  • CERTIFIED EXPERT
  • 18,907 POSTS
Well that could change things. First step is we need to determine exactly what these parts are and try to identify everything that is corroded. Or just take them all apart and clean it or replace it and then retest.

This would make sense because it does seem like something is telling the SCLM to lock the steering rather than there being an issue with this system.
Dec 7, 2019 at 7:17 PM
Avatar
RAMZITH1
  • MEMBER
  • 70 POSTS
yes, will do cleaning and replacing any rusty item and will do testing. thanks
Dec 8, 2019 at 3:39 AM
Avatar
RAMZITH1
  • MEMBER
  • 70 POSTS
Hi,
Recently, I have replaced the battery with a new one and the car started, the car still running smoothly with no issues.

Thanks
Feb 5, 2020 at 7:07 AM
Avatar
KASEKENNY
  • CERTIFIED EXPERT
  • 18,907 POSTS
That is a great update. Thanks for the info. I am sure that will help others. Thanks
Feb 5, 2020 at 6:11 PM