Steering column wiring diagram needed?

2013 TOYOTA PRIUS
120,000 MILES • 2WD • AUTOMATIC
Avatar
LARRY NASON
  • MEMBER
  • 48 POSTS
I have a friend who has the vehicle listed above. Their ex slashed all the tires and cut the wiring underneath the steering wheel. I've found all the connectors for everything but there are several wires of the same color going to different connectors. I'm hoping somebody could help me out with a wiring schematic of the part of the harness going to the steering wheel and hopefully pinouts of the plugs going to it.
Apr 23, 2024 at 7:32 PM
Advertisement
Avatar
STRAILER
  • CERTIFIED EXPERT
  • 53,854 POSTS
I am sorry to hear that, let's get it fixed back up. Can you tell what the wiring harnesses are going to? I have all of the wiring diagrams but need to know which ones you need.
Apr 25, 2024 at 10:18 AM
Avatar
LARRY NASON
  • MEMBER
  • 48 POSTS
Hello, thanks for responding. I need it for the windshield wiper switch, the turn signal switch, and the steering wheel controls.
Apr 25, 2024 at 3:34 PM
Advertisement
Avatar
STRAILER
  • CERTIFIED EXPERT
  • 53,854 POSTS
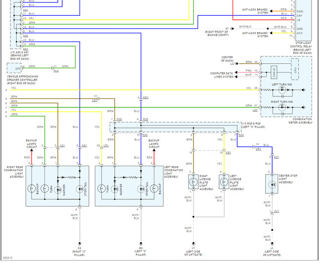
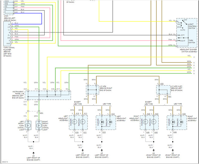
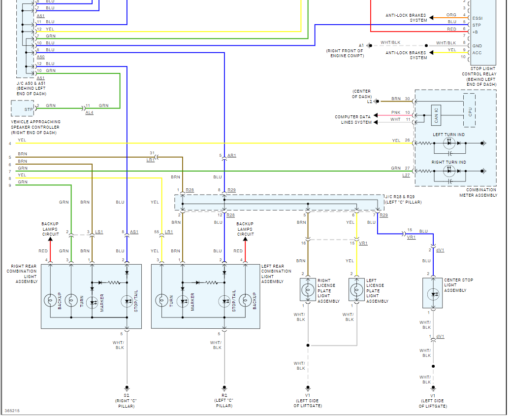
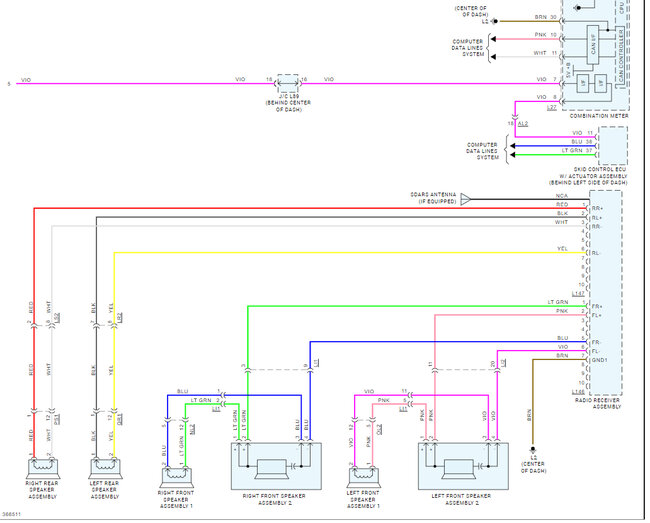
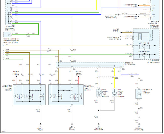
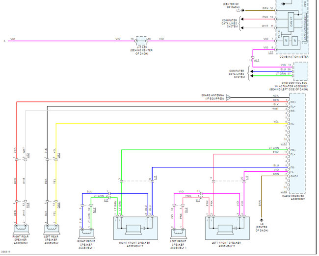
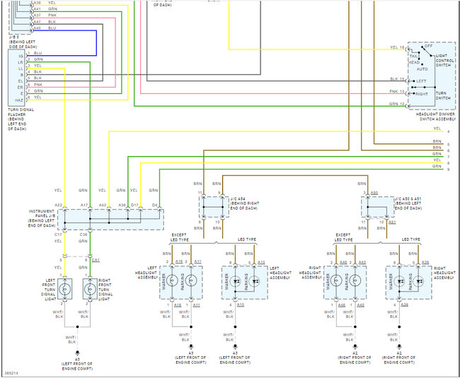
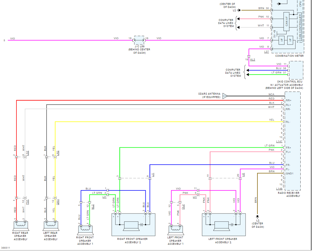
Sure, no problem, here are the wiring diagrams for the wipers, blinkers, airbags, and radio. Check out the images (below). Let us know if you need anything else.
Apr 26, 2024 at 10:09 AM
Avatar
LARRY NASON
  • MEMBER
  • 48 POSTS
Thank you Ken that helps. Would you possibly be able to help me out with the pin outs for those plugs? mainly the turn signal switch and the steering wheel controls
Apr 29, 2024 at 9:57 AM
Avatar
STRAILER
  • CERTIFIED EXPERT
  • 53,854 POSTS
Alldata does not offer connector views for these cars for some reason, sorry.
Apr 29, 2024 at 5:42 PM