Okay, I found about 30 or so used steering columns for you.
Go to www.car-part.com and enter your information. Make sure you enter your zip code as well and the yards around you will show what they have.
they run from $50.00 to $150.00 for the columns.
Roy
STEERING COLUMN REPLACEMENT
TOOLS REQUIRED
J 41352 Modular Column Holding Fixture
REMOVAL PROCEDURE
1. Disconnect the negative battery cable.
CAUTION: Refer to Battery Disconnect Caution in Service Precautions.
2. Disable the supplemental inflatable restraint (SIR) system. Refer to SIR Disabling and Enabling Zone 3 in Restraint Systems.
CAUTION: Refer to SIR Caution in Service Precautions.
3. Remove the steering wheel.
NOTE: The vehicle's wheels must be in a straight-ahead position and the key must be in a LOCK position when removing or installing the steering column.
Failure to do so may cause the SIR coil assembly to become uncentered and may result in unneeded SIR system repairs.
4. Remove the steering column trim covers.
5. Remove the linear shift cable by pushing in on the retaining tab and pulling downward on the cable.
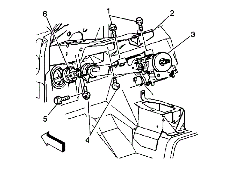
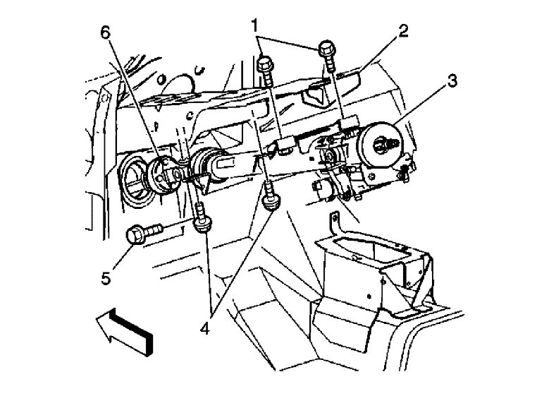
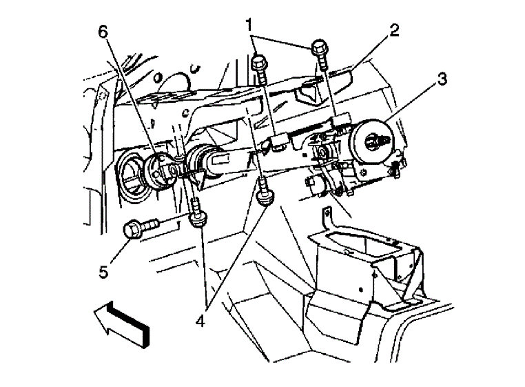
6. Remove the upper pinch bolt for the intermediate steering shaft from the steering column.
imageOpen In New TabZoom/Print
7. Disconnect the electrical connectors from the steering column.
8. Remove the instrument panel cluster.
9. Remove the upper mounting bolts (1) from the steering column (3).
10. Loosen the lower mounting bolts (4) from the steering column (3).
11. Remove the steering column (3) from the vehicle.
NOTE: Once the steering column is removed from the vehicle, the column is extremely susceptible to damage. Dropping the column assembly on the end could collapse the steering shaft or loosen the plastic injections, which maintain column rigidity. Leaning on the column assembly could cause the jacket to bend or deform. Any of the above damage could impair the columns collapsible design. Do NOT hammer on the end of the shaft, because hammering could loosen the plastic injections, which maintain column rigidity. If you need to remove the steering wheel, refer to the Steering Wheel Replacement procedure.
12. Install the steering column onto J 41352.
Aug 10, 2020 at 6:40 AM