Steering column

2003 GMC ENVOY
1,999,999 MILES
Avatar
MIKEY555
  • MEMBER
  • 1 POST
How do I remove the steering column?
Sep 16, 2017 at 3:16 AM
Advertisement
Avatar
STRAILER
  • CERTIFIED EXPERT
  • 53,854 POSTS
Start by disconnecting the battery.

Here is a guide from ALLDATA images (below)

Removal Procedure:

Notice: Once the steering column is removed from the vehicle, the column is extremely susceptible to damage. Dropping the column assembly on the end could collapse the steering shaft or loosen the plastic injections, which maintain column rigidity. Leaning on the column assembly could cause the jacket to bend or deform. Any of the above damage could impair the columns collapsible design. Do NOT hammer on the end of the shaft, because hammering could loosen the plastic injections, which maintain column rigidity. If you need to remove the steering wheel, refer to the Steering Wheel Replacement procedure.

Notice: The front wheels of the vehicle must be maintained in the straight ahead position and the steering column must be in the LOCK position before disconnecting the steering column or intermediate shaft. Failure to follow these procedures will cause improper alignment of some components during installation and result in damage to the SIR coil assembly.

Caution: Refer to SIR Caution in Service Precautions.

Disable the SIR system.
Lock the steering column through the access hole in the lower steering column trim cover using J42640.
Remove the steering wheel.
Remove the knee bolster.
Disconnect the steering column electrical connector.
Disconnect the body wiring harness connector from the steering column lower bracket.
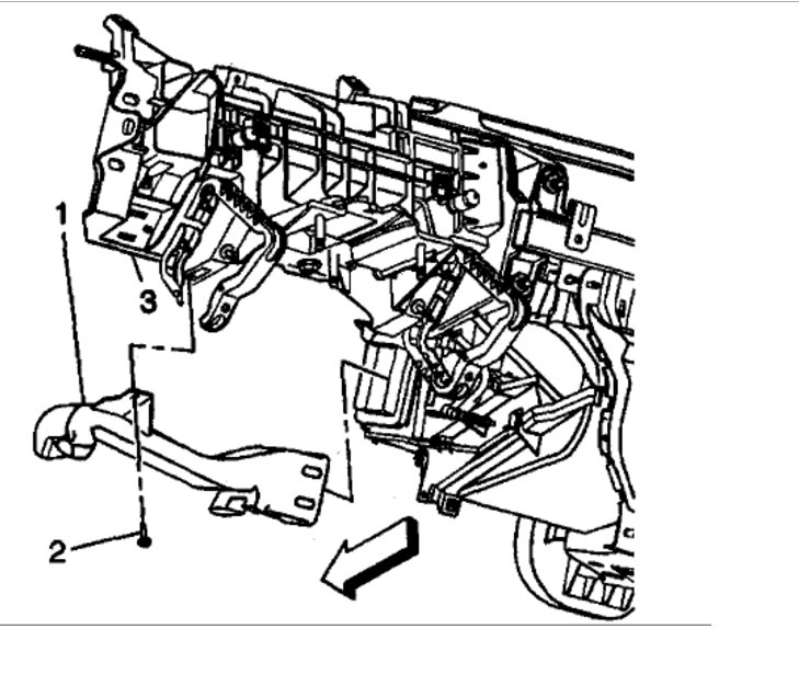
Remove the retaining screw (2) from the left HVAC floor duct (1).
Disconnect the left HVAC floor duct temperature sensor and remove the left HVAC floor duct.
Remove the intermediate shaft bolt from the steering column.
Remove the steering column mounting nuts.
Remove the steering column from the vehicle.
Installation Procedure
Install the steering column to the vehicle and connect the column to the intermediate shaft.
Notice: Refer to Fastener Notice in Service Precautions.
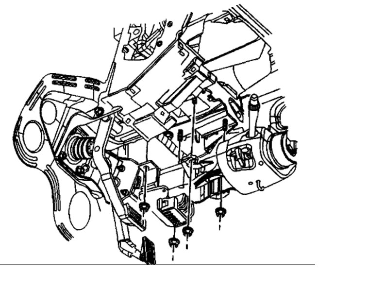
Install the steering column mounting nuts. Tighten the nuts to 27 Nm (20 ft. lbs.).
Install the intermediate shaft bolt to the steering column. Tighten the bolt to 50 Nm (37 ft. lbs.).
Connect the left HVAC floor duct temperature sensor and install the left HVAC floor duct (1).
Install the mounting screw (2) to the left HVAC floor duct. Tighten the screw to 1.9 Nm (17 inch lbs.).
Connect the body wiring harness connector to the steering column lower bracket.
Connect the steering column electrical connector to the vehicle wiring harness. Tighten the screw to 6 Nm (53 ft. lbs.).
Install the knee bolster.
Install the steering wheel.
Unlock the steering column by removing J42640 from the lower trim cover access hole.
Enable the SIR system.


Please let us know if you need anything else to get the problem fixed.

Cheers, Ken
Sep 17, 2017 at 12:25 PM