steering Angle Sensor Internal Circuit?

2013 TOYOTA SIENNA
183,567 MILES • V6 • 2WD • AUTOMATIC
Avatar
BLESSING EWOBOR
  • MEMBER
  • 754 POSTS
Hello,

Good evening, the vehicle display light on the dashboard, when the scanner was connected it display "steering Angle Sensor Internal Circuit" as the code. The code was cleared but it came back immediately. The steering clock spring with the steering angle was replaced but the problem persisted. The scanner was set to live data on the steering angle sensor while the steering is been turned at some angle or left and right but the reading was not changing on the scanner. It has a ready of -864. It doesn't change at all. The fuses have been checked and they are ok. It was also confirm that there is voltage at the send connector.
What could be done to solve the problem?
Jun 8, 2023 at 1:04 PM
Advertisement
Avatar
STRAILER
  • CERTIFIED EXPERT
  • 53,854 POSTS
There are some cautions when doing this job.

CAUTION:

Do not replace the spiral with sensor cable sub-assembly when the ignition switch is on and the battery cable is connected.

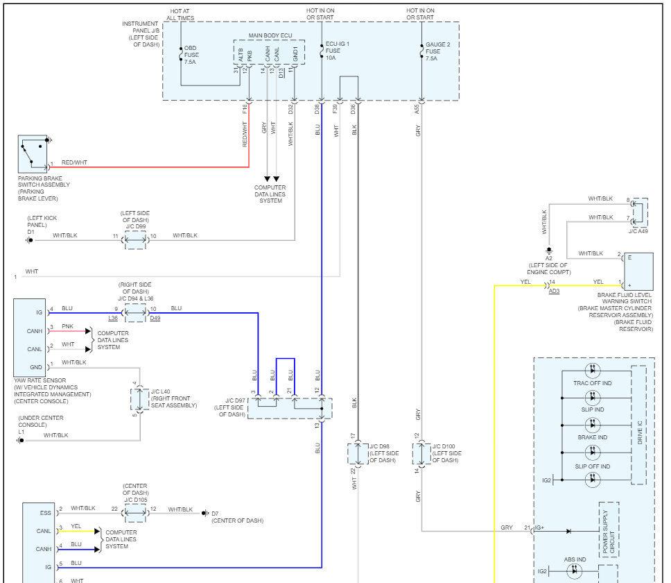
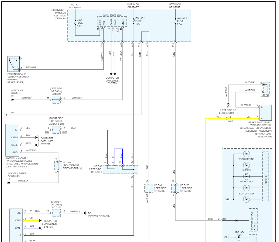
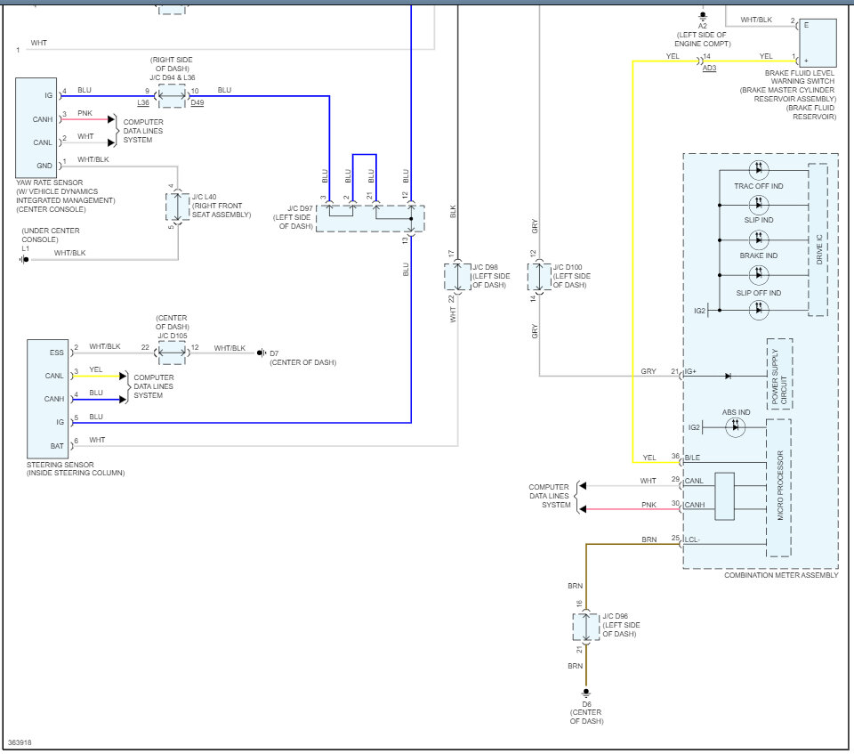
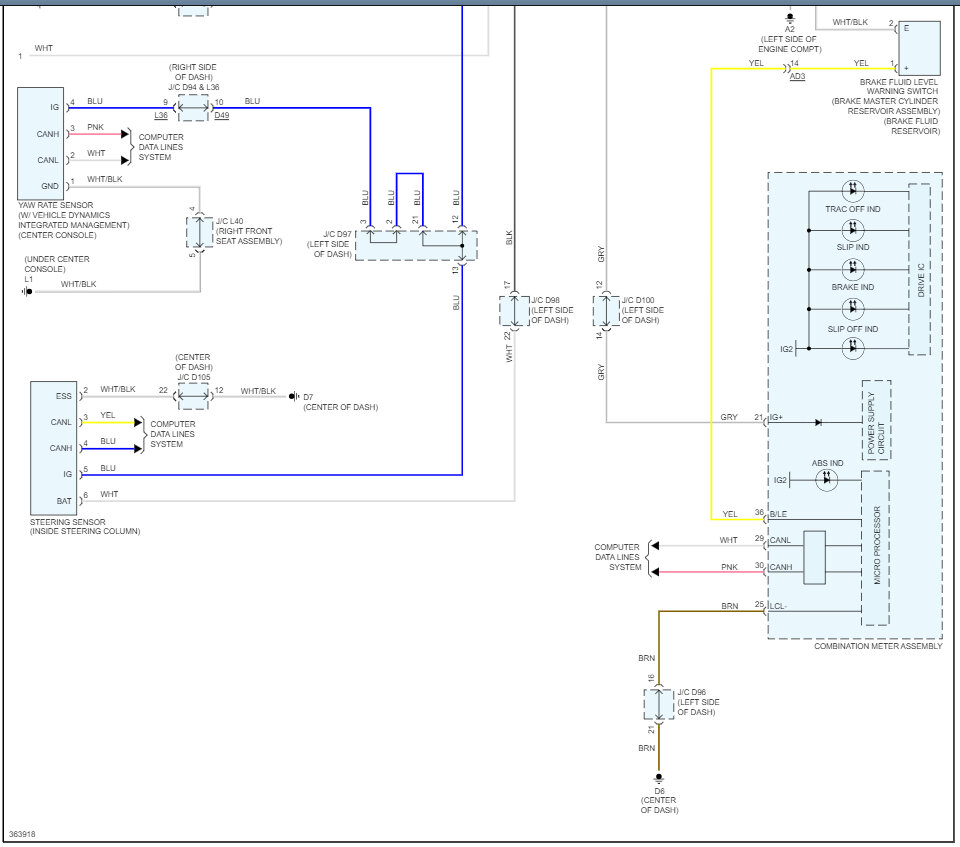
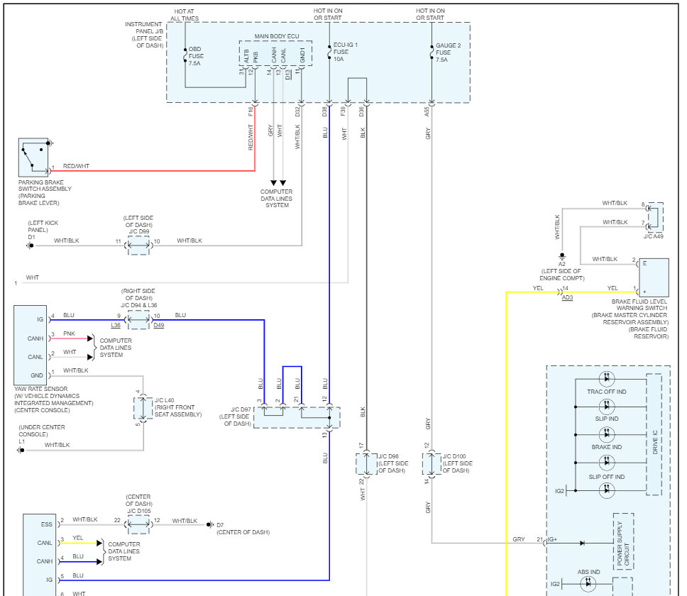
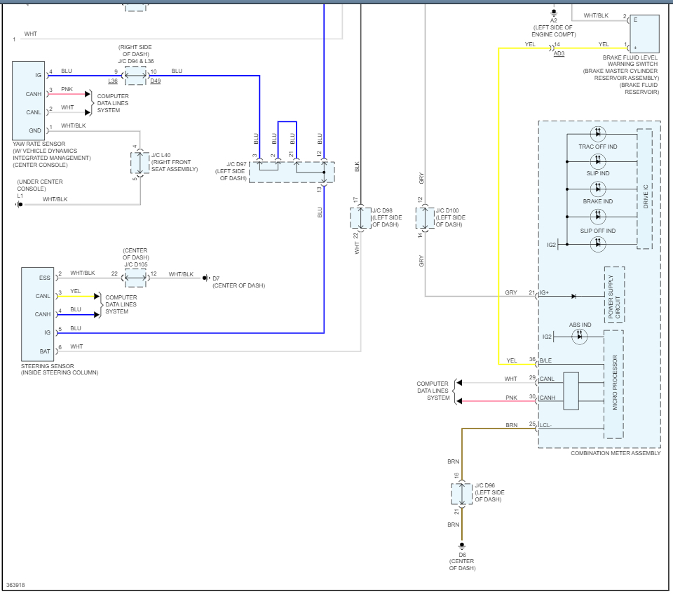
Here is how to replace the steering wheel angle sensor in the instructions below. You could have a bad sensor it is was not installed correctly. There is also a fuse that runs the system I would check ECU-IG 1 in the interior fuse panel on the left side of the dash. Here are the wiring diagrams for the sensor as well so you can see how the system works. Check out the images (below). Let us know what happens and please upload pictures or videos of the problem so we can see what's going on.
Jun 9, 2023 at 11:33 AM
Avatar
BLESSING EWOBOR
  • MEMBER
  • 754 POSTS
Good morning,
All the caution were observed during the removal and installation.
Jun 9, 2023 at 7:27 PM
Advertisement
Avatar
BLESSING EWOBOR
  • MEMBER
  • 754 POSTS
Could there be a way that the steering angle sensor be tested?
Jun 9, 2023 at 7:29 PM
Avatar
STRAILER
  • CERTIFIED EXPERT
  • 53,854 POSTS
Yes, Live Data Analysis: With a capable diagnostic tool, you can access live data from the steering angle sensor. Monitor the sensor's output while turning the steering wheel and observe if the values change smoothly and correspondingly. Any erratic or inconsistent readings may indicate a faulty sensor.
Jun 11, 2023 at 10:47 AM
Avatar
BLESSING EWOBOR
  • MEMBER
  • 754 POSTS
Thank you, sir.
With the scanner connected, and viewing the live data, the steering wheel was turned From left to right on several occasions but the was not changing of readings but a fixed value.
Jun 12, 2023 at 3:45 AM
Avatar
STRAILER
  • CERTIFIED EXPERT
  • 53,854 POSTS
If the Steering Angle Sensor is new, then you will need to test the wiring connections. This guide can help, and you can use the wiring diagrams above so you can see which wires to test:

https://www.2carpros.com/articles/how-to-check-wiring

Check out the images (below). Let us know what happens and please upload pictures or videos of the problem so we can see what's going on.
Jun 13, 2023 at 6:07 PM
Avatar
BLESSING EWOBOR
  • MEMBER
  • 754 POSTS
Thank you very much for your support so far, I really appreciate it.
The problem has been fixed, the steering angle sensors were new but it was the fifth sensor that worked, the first four sensors didn't work.
And the question is what if the problem was from the wires how will one know?
Jul 16, 2023 at 11:04 AM
Avatar
STRAILER
  • CERTIFIED EXPERT
  • 53,854 POSTS
It is difficult to tell which can cause the issue unless you use a voltmeter and do stress testing.

This guide can help you see what I am talking about:

https://www.2carpros.com/articles/how-to-check-wiring

Thanks for letting us know, we are here to help, please use 2CarPros anytime.
Jul 17, 2023 at 10:08 AM