Starter keeps engaging while the engine is running?

2007 DODGE CALIBER
85,000 MILES • 1.8L • 4 CYL • 4WD • MANUAL
Avatar
SENGA
  • MEMBER
  • 33 POSTS
Hello here again, when I am driving, sometime the starter engages itself and to stop that, i have to pull over open the hood and disconnect the positive probe of the battery. how can i resolve that issue and please make sure that you provide me with a schematic diagram.
Nov 16, 2022 at 10:09 PM
Advertisement
Avatar
STRAILER
  • CERTIFIED EXPERT
  • 53,854 POSTS
So, what happens with these cars is the TIPM goes out and causes the starter to engine at will. To be sure we should perform a CAN scan which is easy to do, you can get a CAN scanner (Controller Area Network) from Amazon from about $32.0.

Here is a video to show you how:

https://youtu.be/u-4syLc-ifQ

and

https://www.2carpros.com/articles/can-scan-controller-area-network-easy

Amazon CAN scanner link:

https://amzn.to/3sX8MCX

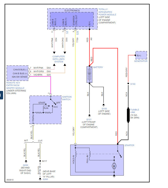
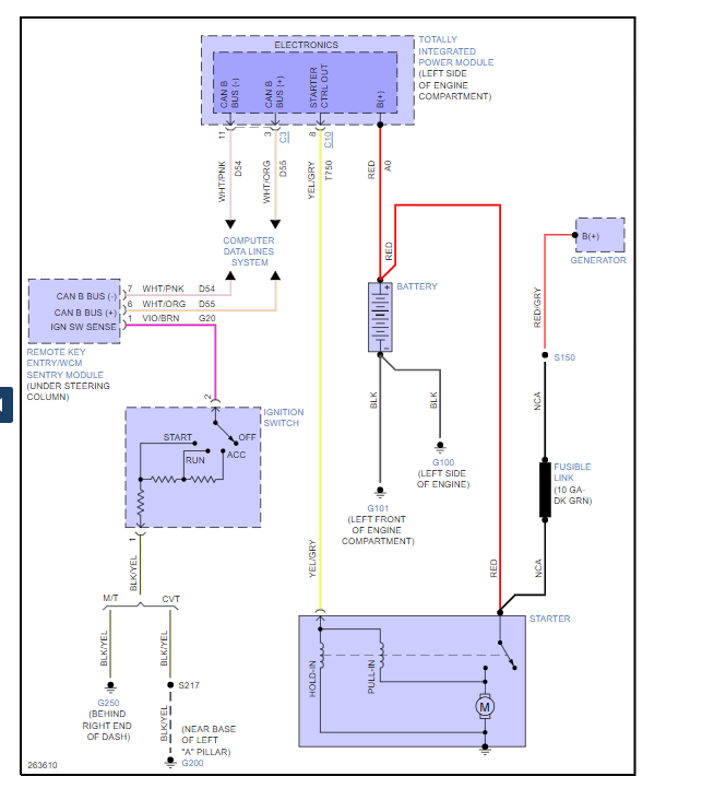
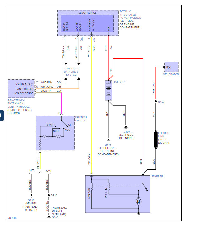
Here are the starter wiring diagrams so you can see how the system works and I have included the TIPM replacement instructions in case you need them. Check out the images (below). Please let us know what happens.

Nov 17, 2022 at 12:11 PM