Starts as soon as i hook up the battery

2006 CHEVROLET COBALT
120,000 MILES • 2.2L • 4 CYL • 2WD • AUTOMATIC
Avatar
KINGJD123
  • MEMBER
  • 104 POSTS
Just replaced the transmission on my car and i double checked all wiring and everything. it won't start and the ignition is backwards when i go to try and start it nothing. i try to turn it off and take keys out it wants to turn over, accessories mode is still normal. i'm sure it will start once the anti-theft light is off, but i can't reset it until my ignition is fixed. My question is, what is causing my ignition to do the only thing i remember is the key was in the ignition when i hooked up the battery. does anyone have a wiring diagram making sure my grounds are hooked up correctly?
Jun 25, 2022 at 2:07 PM
Advertisement
Avatar
KASEKENNY
  • CERTIFIED EXPERT
  • 18,907 POSTS
If I understand what is happening, then the starter is turning and the vehicle is starting when the key is in any position as soon as you hook up the starter?

If this is the case, then the ECM would have to be seeing the key in the on position and then the starter relay is stuck closed.

So, what I would do is check the relay and make sure this is not an issue and then move onto an ignition switch issue.

https://www.2carpros.com/articles/how-to-check-an-electrical-relay-and-wiring-control-circuit

However, if this is happening only when the key is in the on position then the starter relay would have to be the issue. Unless I am missing something.

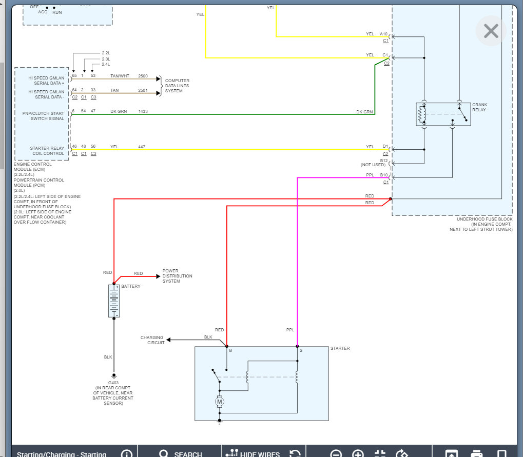
Let me know but I am attaching the wiring diagram below. Thanks
Jun 26, 2022 at 2:14 PM
Avatar
KINGJD123
  • MEMBER
  • 104 POSTS
Just to clarify. The starter is trying to start the car in the following positions; when the ignition is in the "off position" when it is in the acc mode position. it does not try to engage the starter. When i try to start it from the start position it only clicks and it does not try to turn over. Thanks for the help this far.
Jun 26, 2022 at 2:22 PM
Advertisement
Avatar
KASEKENNY
  • CERTIFIED EXPERT
  • 18,907 POSTS
Okay. So clearly, we have to have an issue with the ignition switch if this will try to start the engine in off.

So, to confirm this let's use that wiring diagram below and monitor the voltage on the white wire when it is off.

If you want to, just unhook the starter so that the engine is not actually cranking when it is turned off. That will allow us to test it without any issue.
Jun 27, 2022 at 6:58 PM